Главная > Подшипники> Шариковые> Радиально-упорные>7007 ACE/HCP4AH1

7007 ACE/HCP4AH1 — Прецизионный радиально-упорный шарикоподшипник, импортное производство по ISO стандарту, размер 62x35x14 номер основного исполнения 7007.
Производитель: SKF.
P4 = Точность размеров и вращения соответствуют классу точности 4 ISO.
Цена от:2 310 р.
Цена на подшипник зависит от:
| Обозначение | Модификация |
|---|---|
| 7007 | Основное конструктивное исполнение. |
| 7007B | B = однокомпонентное ребристое внутреннее кольцо. |
| 7007DT | T = Механически обработанный сепаратор из текстолита, центрируемый по телам качения. |
| 7007DB | D = профиль наружного кольца, усовершенствованный, с увеличенной зоной несущей нагрузки и оптимизированными краевыми переходами. |
| 7007DF | Комплект подшипников расположенных лицом к лицу, дуплексная Х-образная пара. |
| 7007AC | AC = Угол контакта 25 градусов. |
| 7007 A | A = внутренняя модификация конструкции. |
| 7007 C | С = Необслуживаемые концы стержней, внутренняя резьба. |
| HS7007 | |
| NC7007V | V = Увеличенная грузоподъемность, внутренняя модификация конструкции. |
| 7007CDB | С = Необслуживаемые концы стержней, внутренняя резьба. |
| 7007CPA | С = Необслуживаемые концы стержней, внутренняя резьба. |
| 7007 CDT | С = Необслуживаемые концы стержней, внутренняя резьба. |
| 7007 ADB | A = Модифицированная внутренняя конструкция. DB = два однорядных радиальных шарикоподшипника, однорядные радиально-упорные шарикоподшипники или однорядные конические роликовые подшипники, подходящие для монтажа в расположении друг к другу. |
| 7007 ADF | Комплект подшипников расположенных лицом к лицу, дуплексная Х-образная пара. |
| 7007 BDT | BD = Модифицированная внутренняя конструкция, угол контакта α = 30 градусов, без отверстия для заполнения. |
| 7007 BDB | B = 40 градусов угол контакта. DB = два однорядных радиальных шарикоподшипника, однорядные радиально-упорные шарикоподшипники или однорядные конические роликовые подшипники, подходящие для монтажа в расположении друг за другом. |
| 7007 ADT | T = Механически обработанный сепаратор из текстолита, центрируемый по телам качения. |
| 7007 BDF | B = 40 градусов угол контакта. DF = Два однорядных радиальных шарикоподшипника, однорядных радиально-упорных шарикоподшипника или однорядных конических роликоподшипника, согласованные для монтажа по Х-образной схеме. |
| 7007 CDF | Комплект подшипников расположенных лицом к лицу, дуплексная Х-образная пара. |
| 7007 B-UD | D = профиль наружного кольца, усовершенствованный, с увеличенной зоной несущей нагрузки и оптимизированными краевыми переходами. |
| 7007 A-UO | A = внутренняя модификация конструкции. |
| 7007 B-UO | B = однокомпонентное ребристое внутреннее кольцо. |
| 7007CTRSU | С = Необслуживаемые концы стержней, внутренняя резьба. |
| 7007 C-UX | С = Необслуживаемые концы стержней, внутренняя резьба. |
| 7007 A-UD | A = внутренняя модификация конструкции. |
| 7007 A-UX | A = внутренняя модификация конструкции. |
| 7007 C-UO | С = Необслуживаемые концы стержней, внутренняя резьба. |
| 7007 C-UD | С = Необслуживаемые концы стержней, внутренняя резьба. |
| 7007 B-UX | X = Внешние размеры, соответствующие международным стандартам. |
| 7007HVUJ74 | J = Сепаратор стальной штампованный незакалённый. Сорт стали 7. |
| 7007A5TRSU | Угол контакта 25 градусов. |
| 7007-B-TVP | TVP = сегментный сепаратор, изготовленный из армированного стекловолокном полиамида PA66 направленная по роликам. |
| 7007 CTBP4 | ТВ = текстолитовый сепаратор, центрируемый по внутреннему кольцу. |
| 7007 ATBP4 | ТВ = текстолитовый сепаратор, центрируемый по внутреннему кольцу. |
| 7007CVUJ74 | J = Сепаратор стальной штампованный незакалённый. Сорт стали 7. |
| 7007UG/GNP4 | GN = нормальная предварительная нагрузка. P = Литой сепаратор из стеклонаполненного полиамида 6,6, центрируемый по телам качения. |
| 3NC 7007 FT | T = Механически обработанный сепаратор из текстолита, центрируемый по телам качения. |
| 7007CVDUJ74 | DU = (RS1-SKF) = Уплотнительное контактное уплотнение из акрилонитрил-бутадиеновой резины (NBR) из листовой стали на одной стороне подшипника. |
| 7007 CB/P4A | P4 = Точность размеров и вращения соответствуют классу точности 4 ISO. |
| 7007 CD/P4A | CD = 15 градусов угол контакта. P4 = Точность размеров и вращения соответствуют классу точности 4 ISO. |
| S7007 FW/HC | С = Необслуживаемые концы стержней, внутренняя резьба. |
| 7007HVDUJ74 | DU = (RS1-SKF) = Уплотнительное контактное уплотнение из акрилонитрил-бутадиеновой резины (NBR) из листовой стали на одной стороне подшипника. |
| 7007 CE/P4A | P4 = Точность размеров и вращения соответствуют классу точности 4 ISO. |
| 7007UG/GMP42 | М = Механически обработанный латунный сепаратор, центрируемый по телам качения. P4 = Точность размеров и вращения соответствуют классу точности 4 ISO. |
| 7007 CE/P4AL | P4 = Точность размеров и вращения соответствуют классу точности 4 ISO. |
| S7007 CB/P4A | P4 = Точность размеров и вращения соответствуют классу точности 4 ISO. |
| 7007UCG/GNP4 | GN = нормальная предварительная нагрузка. P = Литой сепаратор из стеклонаполненного полиамида 6,6, центрируемый по телам качения. |
| S7007 CD/P4A | CD = 15 градусов угол контакта. P4 = Точность размеров и вращения соответствуют классу точности 4 ISO. |
| 7007 ACB/P4A | AC = Угол контакта 25 градусов. |
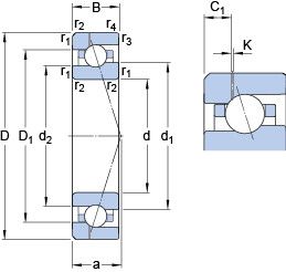
Габаритные размеры
Размеры и геометрические характеристики
Нагрузка и ресурс
Коэффициенты для расчета
Присоединительные размеры
Конструкция и исполнение
Прочие характеристики
Однорядный цилиндрический роликовый подшипник NU1007 ECP (SKF)
радиальный шарикоподшипник из нержавеющей стали W 6007-2RS1 (SKF)
радиальный шарикоподшипник из нержавеющей стали W 6007-2RZ (SKF)
Подшипник шариковый из нержавеющей стали W 6007 (SKF)
радиальный шарикоподшипник из нержавеющей стали W 6007-2RS1/VP311 (SKF)
радиальный шарикоподшипник из нержавеющей стали W 6007-2Z (SKF)