Главная > Подшипники> Шариковые> Радиальные>UC211-34

UC211-34 — Подшипник для корпуса, импортное производство по ISO стандарту, размер 53x100x55 номер основного исполнения 211.
Производится брендами: FAG, FYH, KOYO.
Цена от:1 118 р.
Цена на подшипник зависит от:
| Обозначение | Модификация |
|---|---|
| N211 | Однорядный цилиндрический роликоподшипник. Внутреннее кольцо подшипника имеет два борта, наружное — без бортов. |
| Q211 | |
| ES211 | |
| EX211 | |
| N211E | Однорядный цилиндрический роликоподшипник. Внутреннее кольцо подшипника имеет два борта, наружное — без бортов. Е = Увеличенная грузоподъемность. |
| QJ211 | Шарикоподшипник с четырехточечным контактом. |
| FD211 | |
| NH211 | |
| UK211 | |
| NA211 | Игольчатый роликоподшипник с размерами по ISO 15. |
| US211 | |
| B 211 | |
| SA211 | |
| ER211 | |
| SB211 | |
| NU211 | Однорядный цилиндрический роликоподшипник. Наружное кольцо подшипника имеет два борта, а внутреннее кольцо бортов не имеет. |
| UC211 | |
| YET211 | |
| NUP211 | Однорядный цилиндрический роликоподшипник. Наружное кольцо имеет два борта, внутреннее — один борт и одно свободное фланцевое кольцо. Основные размеры по DIN 5412-1, относится к подтипу фиксированные подшипники, разъемные, с сепаратором. |
| NP 211 | |
| NF 211 | Внутреннем кольце с двойным фланцем, внешнее с одним. |
| NU211E | Однорядный цилиндрический роликоподшипник. Наружное кольцо подшипника имеет два борта, а внутреннее кольцо бортов не имеет. Е = Увеличенная грузоподъемность. |
| NU211R | Однорядный цилиндрический роликоподшипник. Наружное кольцо подшипника имеет два борта, а внутреннее кольцо бортов не имеет. R = Наружное кольцо с фланцем . |
| NJ 211 | Однорядный цилиндрический роликоподшипник. Наружное кольцо имеет два борта, наружное — один борт. |
| NJ211E | Однорядный цилиндрический роликоподшипник. Наружное кольцо имеет два борта, наружное — один борт. Е = Увеличенная грузоподъемность. |
| NJ211R | Однорядный цилиндрический роликоподшипник. Наружное кольцо имеет два борта, наружное — один борт. R = Наружное кольцо с фланцем . |
| QJF211 | |
| BL 211 | |
| SA211F | Механически обработанный сепаратор из стали или чугуна, центрируемый по телам качения. |
| SUC211 | Вкладыш из нержавеющей стали для термопластичного подшипникового узла, внутреннее кольцо расширено с обеих сторон, крепится на вал с помощью винтов, уплотнения с обеих сторон. |
| UC211L3 | L = массивный сепаратор из лёгкого сплава. |
| NJ211EM | Однорядный цилиндрический роликоподшипник. Наружное кольцо имеет два борта, наружное — один борт. E = Увеличенная грузоподъемность. М = Механически обработанный латунный сепаратор, центрируемый по роликам. |
| NP211 E | Е = Увеличенная грузоподъемность. |
| NF211 E | Внутреннем кольце с двойным фланцем, внешнее с одним. Е = Увеличенная грузоподъемность. |
| NU211EM | Однорядный цилиндрический роликоподшипник. Наружное кольцо подшипника имеет два борта, а внутреннее кольцо бортов не имеет. E = Увеличенная грузоподъемность. М = Механически обработанный латунный сепаратор, центрируемый по роликам. |
| NH211 E | Е = Увеличенная грузоподъемность. |
| UK211+H | H = высокая, узкая каретка для двухрядного шарикоподшипника и направляющей в сборе. |
| BXRE211 | Е = Увеличенная грузоподъемность. |
| UK211D1 | D1 = (Смазка сегмента, код W33) = Смазочная канавка и три отверстия в наружном кольце подшипника. Начиная с = D320 Суффикс D1 не используется. |
| NU211EG | Однорядный цилиндрический роликоподшипник. Наружное кольцо подшипника имеет два борта, а внутреннее кольцо бортов не имеет. G = Однорядный радиально-упорный шарикоподшипник для универсального парного монтажа. Два подшипника, установленные по 0-образной или Х-образной схеме, будут иметь определенный осевой зазор в домонтажном состоянии. |
| UK211L3 | L = массивный сепаратор из лёгкого сплава. |
| QJ211T1 | Шарикоподшипник с четырехточечным контактом. T = Механически обработанный сепаратор из текстолита, центрируемый по телам качения. |
| US211G2 | G2 = установка с нормальным преднатягом. |
| QJ211FM | Шарикоподшипник с четырехточечным контактом. F = Механически обработанный сепаратор из стали или чугуна, центрируемый по телам качения. M = Механически обработанный латунный сепаратор, центрируемый по телам качения. |
| QJ211MA | Шарикоподшипник с четырехточечным контактом. MA = Механически обработанный латунный сепаратор, центрируемый по наружному кольцу. |
| NUP211E | Однорядный цилиндрический роликоподшипник. Наружное кольцо имеет два борта, внутреннее — один борт и одно свободное фланцевое кольцо. Основные размеры по DIN 5412-1, относится к подтипу фиксированные подшипники, разъемные, с сепаратором. Е = Увеличенная грузоподъемность. |
| W211PP3 | P = Литой сепаратор из стеклонаполненного полиамида 6,6, центрируемый по телам качения. |
| W211PP2 | PP = Манжетные уплотнения на обеих сторонах подшипника. |
| NJ211EG | Однорядный цилиндрический роликоподшипник. Наружное кольцо имеет два борта, наружное — один борт. G = Однорядный радиально-упорный шарикоподшипник для универсального парного монтажа. Два подшипника, установленные по 0-образной или Х-образной схеме, будут иметь определенный осевой зазор в домонтажном состоянии. |
| NUP211R | Однорядный цилиндрический роликоподшипник. Наружное кольцо имеет два борта, внутреннее — один борт и одно свободное фланцевое кольцо. Основные размеры по DIN 5412-1, относится к подтипу фиксированные подшипники, разъемные, с сепаратором. R = Наружное кольцо с фланцем . |
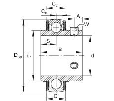
Габаритные размеры
Размеры и геометрические характеристики
Нагрузка и ресурс
Защита
Коэффициенты для расчета
Присоединительные размеры
Конструкция и исполнение
Другие размеры
Прочие характеристики
Радиальный шарикоподшипник 1202KLLB (TIMKEN)
Радиальный шарикоподшипник 1202KLL (TIMKEN)
Подшипник для корпуса G1202KRRB (TIMKEN)
Радиальный шарикоподшипник G1202KLLB (TIMKEN)
Радиальный шарикоподшипник G1202KPPB4 (TIMKEN)
Радиальный шарикоподшипник GY1202KRRB (TIMKEN)