Главная > Подшипники> Шариковые> Радиальные>GY1202KRRB

GY1202KRRB — Радиальный шарикоподшипник, импортное производство по ISO стандарту, размер 53x100x55 номер основного исполнения .
Производитель: TIMKEN.
KRR = Манжетные уплотнения на обеих сторонах (тип R - имеет цинковую внутреннюю и внешнюю крышку. Между крышками на поверхности основания находится губка уплотнения NBR). B = подшипник со сферическим наружным кольцом.
Цена по запросу
Цена на подшипник зависит от:
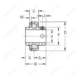
Габаритные размеры
Размеры и геометрические характеристики
Нагрузка и ресурс
Защита
Присоединительные размеры
Конструкция и исполнение
Другие размеры
Радиальный шарикоподшипник 1202KLLB (TIMKEN)
Радиальный шарикоподшипник 1202KLL (TIMKEN)
Подшипник шариковый радиальный ER211-34 (FYH, KOYO)
Подшипник для корпуса G1202KRRB (TIMKEN)
Радиальный шарикоподшипник G1202KLLB (TIMKEN)
Радиальный шарикоподшипник G1202KPPB4 (TIMKEN)