Главная > Цилиндрические>NUP2307 E.TVP2.C3

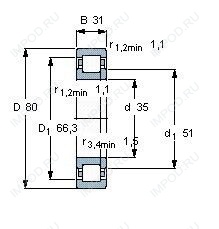
NUP2307 E.TVP2.C3 — Однорядный цилиндрический роликовый подшипник, импортное производство по ISO стандарту, размер 35x80x31 номер основного исполнения 2307.
Производитель: FAG.
Однорядный цилиндрический роликоподшипник. Наружное кольцо имеет два борта, внутреннее — один борт и одно свободное фланцевое кольцо. Основные размеры по DIN 5412-1, относится к подтипу фиксированные подшипники, разъемные, с сепаратором.
E = Увеличенная грузоподъемность. TVP = (сегментная сепаратор, код P) = сплошная оконная сепаратор из армированного стекловолокном полиамида PA66. Катание на роликах.
Цена от:1 190 р.
Цена на подшипник зависит от:
| Обозначение | Модификация |
|---|---|
| 2307 | Основное конструктивное исполнение. |
| 2307S | S = смазочный паз и три отверстия в наружном кольце подшипника. |
| 2307 K | К = Коническая посадка, конусность 1:12. |
| NJ2307 | Однорядный цилиндрический роликоподшипник. Наружное кольцо имеет два борта, наружное — один борт. |
| NU2307 | Однорядный цилиндрический роликоподшипник. Наружное кольцо подшипника имеет два борта, а внутреннее кольцо бортов не имеет. |
| 2307SK | S = смазочная канавка и три отверстия в наружном кольце подшипника. K = коническое отверстие, конус 1:12. |
| N 2307 | Однорядный цилиндрический роликоподшипник. Внутреннее кольцо подшипника имеет два борта, наружное — без бортов. |
| NF2307 | Внутреннем кольце с двойным фланцем, внешнее с одним. |
| NH2307 | |
| NJ2307R | Однорядный цилиндрический роликоподшипник. Наружное кольцо имеет два борта, наружное — один борт. R = Наружное кольцо с фланцем . |
| NUP2307 | Однорядный цилиндрический роликоподшипник. Наружное кольцо имеет два борта, внутреннее — один борт и одно свободное фланцевое кольцо. Основные размеры по DIN 5412-1, относится к подтипу фиксированные подшипники, разъемные, с сепаратором. |
| NU2307F | Однорядный цилиндрический роликоподшипник. Наружное кольцо подшипника имеет два борта, а внутреннее кольцо бортов не имеет. Механически обработанный сепаратор из стали или чугуна, центрируемый по телам качения. |
| NU2307R | Однорядный цилиндрический роликоподшипник. Наружное кольцо подшипника имеет два борта, а внутреннее кольцо бортов не имеет. R = Наружное кольцо с фланцем . |
| 2307G15 | G15 = Формованная литьевая клетка из армированного стекловолокном полиамида 6,6, с вращающимся элементом по центру. |
| NH2307 E | Е = Увеличенная грузоподъемность. |
| 2307 TN9 | TN = Полиамидная клетка. |
| 2307-2RS | Резиновые уплотнения с каждой стороны подшипника. |
| 2307KG15 | G15 = Формованная литьевая клетка из армированного стекловолокном полиамида 6,6, с вращающимся элементом по центру. |
| NUP2307R | Однорядный цилиндрический роликоподшипник. Наружное кольцо имеет два борта, внутреннее — один борт и одно свободное фланцевое кольцо. Основные размеры по DIN 5412-1, относится к подтипу фиксированные подшипники, разъемные, с сепаратором. R = Наружное кольцо с фланцем . |
| 2307ETN9 | E = Оптимизированный внутренний дизайн. TN9 = литая защелкивающаяся клетка из полиамида 6,6, армированного стекловолокном, с шариковой центрировкой. |
| 2307 TVH | TV = Твердая клетка из армированного стекловолокном полиамида, шариковая езда. |
| NJ 2307 E | Однорядный цилиндрический роликоподшипник. Наружное кольцо имеет два борта, наружное — один борт. Е = Увеличенная грузоподъемность. |
| NJ2307 EM | Однорядный цилиндрический роликоподшипник. Наружное кольцо имеет два борта, наружное — один борт. E = Увеличенная грузоподъемность. М = Механически обработанный латунный сепаратор, центрируемый по роликам. |
| NJ2307-VH | Однорядный цилиндрический роликоподшипник. Наружное кольцо имеет два борта, наружное — один борт. V = Увеличенная грузоподъемность, внутренняя модификация конструкции. |
| NJ2307 ET | Однорядный цилиндрический роликоподшипник. Наружное кольцо имеет два борта, наружное — один борт. E = Увеличенная грузоподъемность. T = Клетка из армированного стекловолокном полиамида. |
| NJF2307 V | V = Увеличенная грузоподъемность, внутренняя модификация конструкции. |
| NU 2307 E | Однорядный цилиндрический роликоподшипник. Наружное кольцо подшипника имеет два борта, а внутреннее кольцо бортов не имеет. Е = Увеличенная грузоподъемность. |
| 2307 KTN9 | K = коническое отверстие, конус 1:12. T = Литая защелкивающаяся сепаратор из армированного стекловолокном полиамида. |
| NU2307 ET | Однорядный цилиндрический роликоподшипник. Наружное кольцо подшипника имеет два борта, а внутреннее кольцо бортов не имеет. E = Увеличенная грузоподъемность. T = Клетка из армированного стекловолокном полиамида. |
| 2307EKTN9 | E = Увеличенная грузоподъемность. K = коническое отверстие, конус 1:12. TN9 = литая защелкивающаяся клетка из полиамида 6,6, армированного стекловолокном, с шариковой центрировкой. |
| 2307EEG15 | E = Увеличенная грузоподъемность. G15 = Формованная литьевая клетка из армированного стекловолокном полиамида 6,6, с вращающимся элементом по центру. |
| 2307 2RSK | Резиновые уплотнения с каждой стороны подшипника. |
| 2307 EM.C3 | E = Увеличенная грузоподъемность.M = Механически обработанный латунный сепаратор, центрируемый по телам качения. C3 = Радиальный внутренний зазор больше, чем обычно. |
| NJ2307EG15 | Однорядный цилиндрический роликоподшипник. Наружное кольцо имеет два борта, наружное — один борт. E = Увеличенная грузоподъемность. G15 = Формованная литьевая клетка из армированного стекловолокном полиамида 6,6, с вращающимся элементом по центру. |
| NU2307F/C3 | Однорядный цилиндрический роликоподшипник. Наружное кольцо подшипника имеет два борта, а внутреннее кольцо бортов не имеет. C3 = Радиальный внутренний зазор больше нормального. |
| NU2307EG15 | Однорядный цилиндрический роликоподшипник. Наружное кольцо подшипника имеет два борта, а внутреннее кольцо бортов не имеет. E = Увеличенная грузоподъемность. G15 = Формованная литьевая клетка из армированного стекловолокном полиамида 6,6, с вращающимся элементом по центру. |
| NUP 2307 E | Однорядный цилиндрический роликоподшипник. Наружное кольцо имеет два борта, внутреннее — один борт и одно свободное фланцевое кольцо. Основные размеры по DIN 5412-1, относится к подтипу фиксированные подшипники, разъемные, с сепаратором. Е = Увеличенная грузоподъемность. |
| NUP2307 ET | Однорядный цилиндрический роликоподшипник. Наружное кольцо имеет два борта, внутреннее — один борт и одно свободное фланцевое кольцо. Основные размеры по DIN 5412-1, относится к подтипу фиксированные подшипники, разъемные, с сепаратором. E = Увеличенная грузоподъемность. T = Клетка из армированного стекловолокном полиамида. |
| 2307 TVH.C3 | C3 = Радиальный внутренний зазор больше нормального. |
| 1607 (2307) | |
| UK207+H2307 | H = высокая, узкая каретка для двухрядного шарикоподшипника и направляющей в сборе. |
| UK307+H2307 | H = высокая, узкая каретка для двухрядного шарикоподшипника и направляющей в сборе. |
| UKX07+H2307 | H = высокая, узкая каретка для двухрядного шарикоподшипника и направляющей в сборе. |
| NJG 2307 VH | V = Увеличенная грузоподъемность, внутренняя модификация конструкции. |
| 2307-2RSTN9 | 2RS = резиновые уплотнения с каждой стороны подшипника. Т = TVH = сепаратор из полиамида . |
| NU2307E.TVP | Однорядный цилиндрический роликоподшипник. Наружное кольцо подшипника имеет два борта, а внутреннее кольцо бортов не имеет. E = Увеличенная грузоподъемность. TVP = (сегментная сепаратор, код P) = сплошная оконная сепаратор из армированного стекловолокном полиамида PA66. Катание на роликах. |
| NU2307FM/C3 | Однорядный цилиндрический роликоподшипник. Наружное кольцо подшипника имеет два борта, а внутреннее кольцо бортов не имеет. M = Цельный латунный сепаратор, с шариковой направляющей. C3 = Радиальный внутренний зазор подшипника больше, чем обычно. |
| 2307K+H2307 | K = коническое отверстие, конус 1:12. H = высокая, узкая каретка для двухрядного шарикоподшипника и направляющей в сборе. |
| 2307 ETN9.C3 | E = набор усиленных шаров. TN9 = литая защелкивающаяся клетка из упрочненного стекловолокном полиамида 66, сфокусированная на шарике. C3 = Радиальный внутренний зазор больше, чем обычно. |
| NJ2307-E-MPA | Однорядный цилиндрический роликоподшипник. Наружное кольцо имеет два борта, наружное — один борт. MPA = Механически обработанный латунный сепаратор. |
| Техника | Модель | Агрегат |
|---|---|---|
| Трактор | Т 330Г | Коробка передач с механизмами реверса |
| Трактор | Т 330 | Коробка передач с механизмами реверса |
Габаритные размеры
Конструкция и исполнение
Подшипник роликовый радиальный 62307
Подшипник однорядный шариковый радиальный 62307 2RSR.C3 (FAG)
Подшипник однорядный шариковый радиальный 62307 2RSR (FAG)
Подшипник шариковый радиальный однорядный с односторонним уплотнением 160607
Подшипник шариковый радиальный 180607 КУС9 (ГПЗ-23)
Подшипник шариковый радиальный 180607 АЕ1 (ГПЗ-23)