Главная > Подшипники> Роликовые > Радиальные>NUP2208-E-MPA

NUP2208-E-MPA — Цилиндрический роликоподшипник, импортное производство по ISO стандарту номер основного исполнения 2208.
Производитель: NKE.
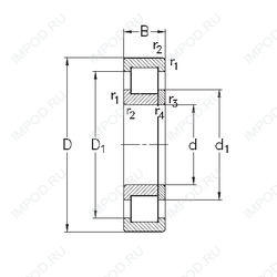
Однорядный цилиндрический роликоподшипник. Наружное кольцо имеет два борта, внутреннее — один борт и одно свободное фланцевое кольцо. Основные размеры по DIN 5412-1, относится к подтипу фиксированные подшипники, разъемные, с сепаратором.
MPA = Механически обработанный латунный сепаратор.
Цена от:1 154 р.
Цена на подшипник зависит от:
| Обозначение | Модификация |
|---|---|
| 2208 | Основное конструктивное исполнение. |
| S2208 | |
| 2208S | S = смазочный паз и три отверстия в наружном кольце подшипника. |
| N 2208 | Однорядный цилиндрический роликоподшипник. Внутреннее кольцо подшипника имеет два борта, наружное — без бортов. |
| N2208E | Однорядный цилиндрический роликоподшипник. Внутреннее кольцо подшипника имеет два борта, наружное — без бортов. Е = Увеличенная грузоподъемность. |
| NJ2208 | Однорядный цилиндрический роликоподшипник. Наружное кольцо имеет два борта, наружное — один борт. |
| NU2208 | Однорядный цилиндрический роликоподшипник. Наружное кольцо подшипника имеет два борта, а внутреннее кольцо бортов не имеет. |
| NH2208 | |
| NA2208 | |
| 2208-K | К = Коническая посадка, конусность 1:12. |
| 2208SK | S = смазочная канавка и три отверстия в наружном кольце подшипника. K = коническое отверстие, конус 1:12. |
| C2208KV | Тороидальные подшипники CARB. К = Коническая посадка, конусность 1:12. |
| RUS2208 | |
| NUP2208 | Однорядный цилиндрический роликоподшипник. Наружное кольцо имеет два борта, внутреннее — один борт и одно свободное фланцевое кольцо. Основные размеры по DIN 5412-1, относится к подтипу фиксированные подшипники, разъемные, с сепаратором. |
| NJ2208E | Однорядный цилиндрический роликоподшипник. Наружное кольцо имеет два борта, наружное — один борт. Е = Увеличенная грузоподъемность. |
| NJ2208R | Однорядный цилиндрический роликоподшипник. Наружное кольцо имеет два борта, наружное — один борт. R = Наружное кольцо с фланцем . |
| NU2208E | Однорядный цилиндрический роликоподшипник. Наружное кольцо подшипника имеет два борта, а внутреннее кольцо бортов не имеет. Е = Увеличенная грузоподъемность. |
| 2208G15 | G15 = Формованная литьевая клетка из армированного стекловолокном полиамида 6,6, с вращающимся элементом по центру. |
| NU2208R | Однорядный цилиндрический роликоподшипник. Наружное кольцо подшипника имеет два борта, а внутреннее кольцо бортов не имеет. R = Наружное кольцо с фланцем . |
| C 2208 V | Тороидальные подшипники CARB. V = Увеличенная грузоподъемность, внутренняя модификация конструкции. |
| NUP2208R | Однорядный цилиндрический роликоподшипник. Наружное кольцо имеет два борта, внутреннее — один борт и одно свободное фланцевое кольцо. Основные размеры по DIN 5412-1, относится к подтипу фиксированные подшипники, разъемные, с сепаратором. R = Наружное кольцо с фланцем . |
| 2208 TN9 | TN = Полиамидная клетка. |
| 2208-2RS | Резиновые уплотнения с каждой стороны подшипника. |
| NH2208 E | Е = Увеличенная грузоподъемность. |
| 2208ETN9 | E = Оптимизированный внутренний дизайн. TN9 = литая защелкивающаяся клетка из полиамида 6,6, армированного стекловолокном, с шариковой центрировкой. |
| 2208KG15 | G15 = Формованная литьевая клетка из армированного стекловолокном полиамида 6,6, с вращающимся элементом по центру. |
| NJ2208EG | Однорядный цилиндрический роликоподшипник. Наружное кольцо имеет два борта, наружное — один борт. G = Однорядный радиально-упорный шарикоподшипник для универсального парного монтажа. Два подшипника, установленные по 0-образной или Х-образной схеме, будут иметь определенный осевой зазор в домонтажном состоянии. |
| NU2208EG | Однорядный цилиндрический роликоподшипник. Наружное кольцо подшипника имеет два борта, а внутреннее кольцо бортов не имеет. G = Однорядный радиально-упорный шарикоподшипник для универсального парного монтажа. Два подшипника, установленные по 0-образной или Х-образной схеме, будут иметь определенный осевой зазор в домонтажном состоянии. |
| 2208-TVH | TV = Твердая клетка из армированного стекловолокном полиамида, шариковая езда. |
| S2208-2RS | Резиновые уплотнения с каждой стороны подшипника. |
| NUP2208 E | Однорядный цилиндрический роликоподшипник. Наружное кольцо имеет два борта, внутреннее — один борт и одно свободное фланцевое кольцо. Основные размеры по DIN 5412-1, относится к подтипу фиксированные подшипники, разъемные, с сепаратором. Е = Увеличенная грузоподъемность. |
| C2208KTN9 | Тороидальные подшипники CARB. K = коническое отверстие, конус 1:12. T = Литая защелкивающаяся сепаратор из армированного стекловолокном полиамида. |
| NUP2208EG | Однорядный цилиндрический роликоподшипник. Наружное кольцо имеет два борта, внутреннее — один борт и одно свободное фланцевое кольцо. Основные размеры по DIN 5412-1, относится к подтипу фиксированные подшипники, разъемные, с сепаратором. G = Однорядный радиально-упорный шарикоподшипник для универсального парного монтажа. Два подшипника, установленные по 0-образной или Х-образной схеме, будут иметь определенный осевой зазор в домонтажном состоянии. |
| NCF2208-V | Однорядный бессепараторный цилиндрический роликоподшипник. Два борта на внутреннем кольце и один борт на наружном. V = Увеличенная грузоподъемность, внутренняя модификация конструкции. |
| 2208 2RSK | Резиновые уплотнения с каждой стороны подшипника. |
| 2208 KTN9 | K = коническое отверстие, конус 1:12. T = Литая защелкивающаяся сепаратор из армированного стекловолокном полиамида. |
| 2208EKTN9 | E = Увеличенная грузоподъемность. K = коническое отверстие, конус 1:12. TN9 = литая защелкивающаяся клетка из полиамида 6,6, армированного стекловолокном, с шариковой центрировкой. |
| NJ2208 ET | Однорядный цилиндрический роликоподшипник. Наружное кольцо имеет два борта, наружное — один борт. E = Увеличенная грузоподъемность. T = Клетка из армированного стекловолокном полиамида. |
| 2208EEG15 | E = Увеличенная грузоподъемность. G15 = Формованная литьевая клетка из армированного стекловолокном полиамида 6,6, с вращающимся элементом по центру. |
| NU2208 ET | Однорядный цилиндрический роликоподшипник. Наружное кольцо подшипника имеет два борта, а внутреннее кольцо бортов не имеет. E = Увеличенная грузоподъемность. T = Клетка из армированного стекловолокном полиамида. |
| NUP2208 ET | Однорядный цилиндрический роликоподшипник. Наружное кольцо имеет два борта, внутреннее — один борт и одно свободное фланцевое кольцо. Основные размеры по DIN 5412-1, относится к подтипу фиксированные подшипники, разъемные, с сепаратором. E = Увеличенная грузоподъемность. T = Клетка из армированного стекловолокном полиамида. |
| C 2208 TN9 | Тороидальные подшипники CARB. TN = Полиамидная клетка. |
| NJ2208 EMA | Однорядный цилиндрический роликоподшипник. Наружное кольцо имеет два борта, наружное — один борт. E = d ≤65 мм,два стальных сепаратора оконного типа, внутреннее кольцо без фланца и направляющая по центру внутреннего кольца. MA = массивный латунный сепаратор, центрирование по наружному кольцу. |
| 2208-K-2RS | Резиновые уплотнения с каждой стороны подшипника. |
| NJ2208 EAP | Однорядный цилиндрический роликоподшипник. Наружное кольцо имеет два борта, наружное — один борт. A = внутренняя модификация конструкции. |
| NJ2208EG15 | Однорядный цилиндрический роликоподшипник. Наружное кольцо имеет два борта, наружное — один борт. E = Увеличенная грузоподъемность. G15 = Формованная литьевая клетка из армированного стекловолокном полиамида 6,6, с вращающимся элементом по центру. |
| NU2208 EAP | Однорядный цилиндрический роликоподшипник. Наружное кольцо подшипника имеет два борта, а внутреннее кольцо бортов не имеет. A = внутренняя модификация конструкции. |
| NJ2208 ETN | Однорядный цилиндрический роликоподшипник. Наружное кольцо имеет два борта, наружное — один борт. E = элемент качения, улучшенный по отношению к стандартному элементу качения. TN = (Сегментная сепаратор, код P) = Формованная литьевая сепаратор с защелкой из полиамида, сфокусированная на шарике. |
| 2208KEEG15 | E = Увеличенная грузоподъемность. G15 = Формованная литьевая клетка из армированного стекловолокном полиамида 6,6, с вращающимся элементом по центру. |
| NA2208 2RS | Игольчатый роликоподшипник с размерами по ISO 15. Резиновые уплотнения с каждой стороны подшипника. |
Габаритные размеры
Нагрузка и ресурс
Радиальный шарикоподшипник M6208ZZ (KOYO)
Подшипник однорядный шариковый радиальный M6208 (KOYO)
Подшипник для корпуса MUC208 (NACHI)
Радиальный шарикоподшипник NA208-3L (PFI)
Подшипник для корпуса NA208 (FYH, KOYO)
Радиальный шарикоподшипник NC6208 (KOYO)