Главная > Подшипники> Шариковые> Упорные>NUB 210 ECP

NUB 210 ECP — Однорядный цилиндрический роликоподшипник, импортное производство по ISO стандарту, размер 90x50x20 номер основного исполнения 210.
Производитель: SKF.
ЕС = эксцентриковый фиксатор воротника с утопленным внутренним кольцом на одной стороне.
Цена от:1 034 р.
Цена на подшипник зависит от:
| Обозначение | Модификация |
|---|---|
| Q210 | |
| N210 | Однорядный цилиндрический роликоподшипник. Внутреннее кольцо подшипника имеет два борта, наружное — без бортов. |
| NH210 | |
| NJ210 | Однорядный цилиндрический роликоподшипник. Наружное кольцо имеет два борта, наружное — один борт. |
| NU210 | Однорядный цилиндрический роликоподшипник. Наружное кольцо подшипника имеет два борта, а внутреннее кольцо бортов не имеет. |
| UK210 | |
| B 210 | |
| CS210 | |
| NA210 | Игольчатый роликоподшипник с размерами по ISO 15. |
| US210 | |
| SA210 | |
| SB210 | |
| ER210 | |
| UC210 | |
| QJ210 | Шарикоподшипник с четырехточечным контактом. |
| ES210 | |
| EX210 | |
| FD210 | |
| BL 210 | |
| QJF210 | |
| CES210 | Цилиндрическое наружное кольцо с канавкой под стопорне кольцо для осевой фиксации, без возможности повторного смазывания, не предназначено для использования в стандартных корпусах со сферическим посадочным местом. |
| MUC210 | Подшипник из нержавеющей стали для подшипникового узла из термопласта, внутреннее кольцо вытянуто с обеих сторон, крепится на вал с помощью установочных винтов, уплотнения с обеих сторон. |
| NJ210R | Однорядный цилиндрический роликоподшипник. Наружное кольцо имеет два борта, наружное — один борт. R = Наружное кольцо с фланцем . |
| RUS210 | |
| CEX210 | Наружное цилиндрическое кольцо имеет канавку под стопор для фиксации по оси, есть смазочное отверстие, не для применения в корпусах со сферическим посадочным местом подшипника. |
| SA210F | Механически обработанный сепаратор из стали или чугуна, центрируемый по телам качения. |
| CUC210 | Цилиндрическая наружняя обойма с канавкой под стопорное кольцо для осевой фиксации, отверстие для смазки не предназначено для использования в стандартных корпусах со сферическим посадочным местом подшипника. |
| CUS210 | Цилиндрическое наружное кольцо с канавкой под стопор для осевой фиксации, без возможности повторной смазки, не для использования в стандартных корпусах со сферическим посадочным отверстием. |
| SUC210 | Вкладыш из нержавеющей стали для термопластичного подшипникового узла, внутреннее кольцо расширено с обеих сторон, крепится на вал с помощью винтов, уплотнения с обеих сторон. |
| W210PP | P = Литой сепаратор из стеклонаполненного полиамида 6,6, центрируемый по телам качения. |
| NP 210 | |
| NU210E | Однорядный цилиндрический роликоподшипник. Наружное кольцо подшипника имеет два борта, а внутреннее кольцо бортов не имеет. Е = Увеличенная грузоподъемность. |
| NUP210 | Однорядный цилиндрический роликоподшипник. Наружное кольцо имеет два борта, внутреннее — один борт и одно свободное фланцевое кольцо. Основные размеры по DIN 5412-1, относится к подтипу фиксированные подшипники, разъемные, с сепаратором. |
| N210 E | Однорядный цилиндрический роликоподшипник. Внутреннее кольцо подшипника имеет два борта, наружное — без бортов. Е = Увеличенная грузоподъемность. |
| NU210R | Однорядный цилиндрический роликоподшипник. Наружное кольцо подшипника имеет два борта, а внутреннее кольцо бортов не имеет. R = Наружное кольцо с фланцем . |
| NF 210 | Внутреннем кольце с двойным фланцем, внешнее с одним. |
| NF210E | Внутреннем кольце с двойным фланцем, внешнее с одним. Е = Увеличенная грузоподъемность. |
| NUP210R | Однорядный цилиндрический роликоподшипник. Наружное кольцо имеет два борта, внутреннее — один борт и одно свободное фланцевое кольцо. Основные размеры по DIN 5412-1, относится к подтипу фиксированные подшипники, разъемные, с сепаратором. R = Наружное кольцо с фланцем . |
| QJ210C3 | Шарикоподшипник с четырехточечным контактом. C3 = Радиальный внутренний зазор больше нормального. |
| YAT 210 | |
| NJ210 E | Однорядный цилиндрический роликоподшипник. Наружное кольцо имеет два борта, наружное — один борт. Е = Увеличенная грузоподъемность. |
| QJ210MA | Шарикоподшипник с четырехточечным контактом. MA = Механически обработанный латунный сепаратор, центрируемый по наружному кольцу. |
| YET 210 | |
| UK210D1 | D1 = (Смазка сегмента, код W33) = Смазочная канавка и три отверстия в наружном кольце подшипника. Начиная с = D320 Суффикс D1 не используется. |
| RUS210E | Е = Увеличенная грузоподъемность. |
| UK210+H | H = высокая, узкая каретка для двухрядного шарикоподшипника и направляющей в сборе. |
| NJ210EG | Однорядный цилиндрический роликоподшипник. Наружное кольцо имеет два борта, наружное — один борт. G = Однорядный радиально-упорный шарикоподшипник для универсального парного монтажа. Два подшипника, установленные по 0-образной или Х-образной схеме, будут иметь определенный осевой зазор в домонтажном состоянии. |
| UK210L3 | L = массивный сепаратор из лёгкого сплава. |
| NJ210EM | Однорядный цилиндрический роликоподшипник. Наружное кольцо имеет два борта, наружное — один борт. E = Увеличенная грузоподъемность. М = Механически обработанный латунный сепаратор, центрируемый по роликам. |
| US210G2 | G2 = установка с нормальным преднатягом. |
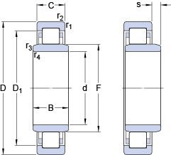
Габаритные размеры
Размеры и геометрические характеристики
Нагрузка и ресурс
Коэффициенты для расчета
Присоединительные размеры
Прочие характеристики
Подшипник однорядный шариковый радиальный 6210 M (FAG, SKF)
Однорядный гибридный радиальный шарикоподшипник 6210/HC5C3 (SKF)
Подшипник однорядный шариковый радиальный 6210-2RZ (ISB, SKF)
Подшипник однорядный шариковый радиальный 6210-RS1 (SKF)
Подшипник однорядный шариковый радиальный 6210-2Z/VA208 (SKF)
Подшипник однорядный шариковый радиальный 6210-2Z/VA201 (SKF)