Главная > Подшипники> Шариковые> Радиально-упорные>HCS7007-E-T-P4S

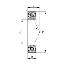
HCS7007-E-T-P4S — Подшипник шариковый однорядный радиально-упорный, импортное производство по ISO стандарту, размер 35x62x14 номер основного исполнения 7007.
Производитель: FAG.
E = (AC-SKF) = 25 градусов угол контакта. T = (сегмент TB-Cage) = текстильная слоистая Фенольный смола, направленная по наружному кольцу. сепаратор подходит для длительной эксплуатации при температуре до 100 градусов C. P = Литой сепаратор из стеклонаполненного полиамида 6,6, центрируемый по телам качения.
Цена по запросу
Цена на подшипник зависит от:
| Обозначение | Модификация |
|---|---|
| 7007 | Основное конструктивное исполнение. |
| 7007B | B = однокомпонентное ребристое внутреннее кольцо. |
| 7007 C | С = Необслуживаемые концы стержней, внутренняя резьба. |
| HS7007 | |
| 7007DT | T = Механически обработанный сепаратор из текстолита, центрируемый по телам качения. |
| 7007DB | D = профиль наружного кольца, усовершенствованный, с увеличенной зоной несущей нагрузки и оптимизированными краевыми переходами. |
| 7007DF | Комплект подшипников расположенных лицом к лицу, дуплексная Х-образная пара. |
| 7007AC | AC = Угол контакта 25 градусов. |
| 7007 A | A = внутренняя модификация конструкции. |
| NC7007V | V = Увеличенная грузоподъемность, внутренняя модификация конструкции. |
| 7007CDB | С = Необслуживаемые концы стержней, внутренняя резьба. |
| 7007CPA | С = Необслуживаемые концы стержней, внутренняя резьба. |
| 7007 BDB | B = 40 градусов угол контакта. DB = два однорядных радиальных шарикоподшипника, однорядные радиально-упорные шарикоподшипники или однорядные конические роликовые подшипники, подходящие для монтажа в расположении друг за другом. |
| 7007 ADT | T = Механически обработанный сепаратор из текстолита, центрируемый по телам качения. |
| 7007 BDF | B = 40 градусов угол контакта. DF = Два однорядных радиальных шарикоподшипника, однорядных радиально-упорных шарикоподшипника или однорядных конических роликоподшипника, согласованные для монтажа по Х-образной схеме. |
| 7007 CDF | Комплект подшипников расположенных лицом к лицу, дуплексная Х-образная пара. |
| 7007 CDT | С = Необслуживаемые концы стержней, внутренняя резьба. |
| 7007 ADB | A = Модифицированная внутренняя конструкция. DB = два однорядных радиальных шарикоподшипника, однорядные радиально-упорные шарикоподшипники или однорядные конические роликовые подшипники, подходящие для монтажа в расположении друг к другу. |
| 7007 ADF | Комплект подшипников расположенных лицом к лицу, дуплексная Х-образная пара. |
| 7007 BDT | BD = Модифицированная внутренняя конструкция, угол контакта α = 30 градусов, без отверстия для заполнения. |
| 7007 A-UX | A = внутренняя модификация конструкции. |
| 7007 C-UO | С = Необслуживаемые концы стержней, внутренняя резьба. |
| 7007 C-UD | С = Необслуживаемые концы стержней, внутренняя резьба. |
| 7007 B-UX | X = Внешние размеры, соответствующие международным стандартам. |
| 7007 B-UD | D = профиль наружного кольца, усовершенствованный, с увеличенной зоной несущей нагрузки и оптимизированными краевыми переходами. |
| 7007 A-UO | A = внутренняя модификация конструкции. |
| 7007 B-UO | B = однокомпонентное ребристое внутреннее кольцо. |
| 7007CTRSU | С = Необслуживаемые концы стержней, внутренняя резьба. |
| 7007 C-UX | С = Необслуживаемые концы стержней, внутренняя резьба. |
| 7007 A-UD | A = внутренняя модификация конструкции. |
| 7007 CTBP4 | ТВ = текстолитовый сепаратор, центрируемый по внутреннему кольцу. |
| 7007 ATBP4 | ТВ = текстолитовый сепаратор, центрируемый по внутреннему кольцу. |
| 7007CVUJ74 | J = Сепаратор стальной штампованный незакалённый. Сорт стали 7. |
| 7007HVUJ74 | J = Сепаратор стальной штампованный незакалённый. Сорт стали 7. |
| 7007A5TRSU | Угол контакта 25 градусов. |
| 7007-B-TVP | TVP = сегментный сепаратор, изготовленный из армированного стекловолокном полиамида PA66 направленная по роликам. |
| 7007HVDUJ74 | DU = (RS1-SKF) = Уплотнительное контактное уплотнение из акрилонитрил-бутадиеновой резины (NBR) из листовой стали на одной стороне подшипника. |
| 7007 CE/P4A | P4 = Точность размеров и вращения соответствуют классу точности 4 ISO. |
| 7007UG/GNP4 | GN = нормальная предварительная нагрузка. P = Литой сепаратор из стеклонаполненного полиамида 6,6, центрируемый по телам качения. |
| 3NC 7007 FT | T = Механически обработанный сепаратор из текстолита, центрируемый по телам качения. |
| 7007CVDUJ74 | DU = (RS1-SKF) = Уплотнительное контактное уплотнение из акрилонитрил-бутадиеновой резины (NBR) из листовой стали на одной стороне подшипника. |
| 7007 CB/P4A | P4 = Точность размеров и вращения соответствуют классу точности 4 ISO. |
| S7007 FW/HC | С = Необслуживаемые концы стержней, внутренняя резьба. |
| 7007 CD/P4A | CD = 15 градусов угол контакта. P4 = Точность размеров и вращения соответствуют классу точности 4 ISO. |
| 7007 ACD/P4A | ACD = Угол контакта 25 градусов. P4 = Точность конструкции P4, точность хода P4. |
| S7007 CE/P4A | P4 = Точность размеров и вращения соответствуют классу точности 4 ISO. |
| 7007 CD/P4AH | CD = 15 градусов угол контакта. P4 = Точность размеров и вращения соответствуют классу точности 4 ISO. |
| 7007UG/GMP42 | М = Механически обработанный латунный сепаратор, центрируемый по телам качения. P4 = Точность размеров и вращения соответствуют классу точности 4 ISO. |
| 7007 CE/P4AL | P4 = Точность размеров и вращения соответствуют классу точности 4 ISO. |
| S7007 CB/P4A | P4 = Точность размеров и вращения соответствуют классу точности 4 ISO. |
Габаритные размеры
Размеры и геометрические характеристики
Нагрузка и ресурс
Отклонение, точность вращения
Присоединительные размеры
Прочие характеристики
Подшипник однорядный шариковый радиальный 6007 (FAG, NIS)
Однорядный цилиндрический роликовый подшипник NU1007 (CX, CYSD, FBJ, ISB, ISO)
Подшипник шариковый радиальный однорядный 107
Подшипник однорядный шариковый радиальный 6007 2RS (FAG, NIS)
Подшипник однорядный шариковый радиальный 6007 2RS.C3 (FAG)
Подшипник однорядный шариковый радиальный 6007 2RS2 (FAG)