Главная > Однорядные >7222 B.TVP.UO

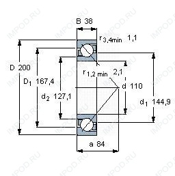
7222 B.TVP.UO — Подшипник шариковый однорядный радиально-упорный, импортное производство по ISO стандарту, размер 110x200x41 номер основного исполнения 7222.
Производитель: NSK.
TVP = сегментный сепаратор, изготовленный из армированного стекловолокном полиамида PA66 направленная по роликам.
Цена от:9 491 р.
Цена на подшипник зависит от:
| Обозначение | Модификация |
|---|---|
| 7222 | Основное конструктивное исполнение. |
| B7222 | |
| 7222C | С = Необслуживаемые концы стержней, внутренняя резьба. |
| 7222DT | T = Механически обработанный сепаратор из текстолита, центрируемый по телам качения. |
| 7222BG | B = 40 градусов угол контакта. G = Однорядный радиально-упорный шарикоподшипник для универсального парного монтажа. Два подшипника, установленные по 0-образной или Х-образной схеме, будут иметь определенный осевой зазор в домонтажном состоянии. |
| 7222 B | B = однокомпонентное ребристое внутреннее кольцо. |
| 7222 A | A = внутренняя модификация конструкции. |
| 7222DF | Комплект подшипников расположенных лицом к лицу, дуплексная Х-образная пара. |
| 7222AC | AC = Угол контакта 25 градусов. |
| 7222DB | D = профиль наружного кольца, усовершенствованный, с увеличенной зоной несущей нагрузки и оптимизированными краевыми переходами. |
| 7222BDB | B = 40 градусов угол контакта. DB = два однорядных радиальных шарикоподшипника, однорядные радиально-упорные шарикоподшипники или однорядные конические роликовые подшипники, подходящие для монтажа в расположении друг за другом. |
| 7222BBG | B = 40 градусов угол контакта. G = Однорядный радиально-упорный шарикоподшипник для универсального парного монтажа. Два подшипника, установленные по 0-образной или Х-образной схеме, будут иметь определенный осевой зазор в домонтажном состоянии. |
| 7222BDF | B = 40 градусов угол контакта. DF = Два однорядных радиальных шарикоподшипника, однорядных радиально-упорных шарикоподшипника или однорядных конических роликоподшипника, согласованные для монтажа по Х-образной схеме. |
| 7222BDT | BD = Модифицированная внутренняя конструкция, угол контакта α = 30 градусов, без отверстия для заполнения. |
| 7222BGM | B = 40 градусов угол контакта. G = Однорядный радиально-упорный шарикоподшипник для универсального парного монтажа. Два подшипника, установленные по 0-образной или Х-образной схеме, будут иметь определенный осевой зазор в домонтажном состоянии. |
| 7222CDF | Комплект подшипников расположенных лицом к лицу, дуплексная Х-образная пара. |
| 7222CPA | С = Необслуживаемые концы стержней, внутренняя резьба. |
| 7222 ADT | T = Механически обработанный сепаратор из текстолита, центрируемый по телам качения. |
| 7222 ADF | Комплект подшипников расположенных лицом к лицу, дуплексная Х-образная пара. |
| 7222BDFT | B = 40 градусов угол контакта. DF = Два однорядных радиальных шарикоподшипника, однорядных радиально-упорных шарикоподшипника или однорядных конических роликоподшипника, согласованные для монтажа по Х-образной схеме. |
| 7222 CDT | С = Необслуживаемые концы стержней, внутренняя резьба. |
| 7222 ADB | A = Модифицированная внутренняя конструкция. DB = два однорядных радиальных шарикоподшипника, однорядные радиально-упорные шарикоподшипники или однорядные конические роликовые подшипники, подходящие для монтажа в расположении друг к другу. |
| 7222 CDB | С = Необслуживаемые концы стержней, внутренняя резьба. |
| 7222 BEP | Радиально-упорный шарикоподшипник с угол контакта - 40. Оптимизированная внутренняя конструкция. Сепаратор армирован стекловолокном с шаровым центром. |
| 7222 A-UX | A = внутренняя модификация конструкции. |
| 7222 B-UO | B = однокомпонентное ребристое внутреннее кольцо. |
| 7222 C-UD | С = Необслуживаемые концы стержней, внутренняя резьба. |
| 7222 A-UD | A = внутренняя модификация конструкции. |
| 7222 C-UX | С = Необслуживаемые концы стержней, внутренняя резьба. |
| 7222CTRSU | С = Необслуживаемые концы стержней, внутренняя резьба. |
| 7222 B-UD | D = профиль наружного кольца, усовершенствованный, с увеличенной зоной несущей нагрузки и оптимизированными краевыми переходами. |
| 7222 C-UO | С = Необслуживаемые концы стержней, внутренняя резьба. |
| 7222 B.JP | B = однокомпонентное ребристое внутреннее кольцо. |
| 7222 B.MP | B = 40 градусов угол контакта. M = обработанный латунный сепаратор, расположенныйна элементах качения. |
| 7222 A-UO | A = внутренняя модификация конструкции. |
| 7222 B-UX | X = Внешние размеры, соответствующие международным стандартам. |
| 7222 BECCM | Радиальный сферический роликоподшипник исполнения С с улучшенным ведением роликов и, благодаря этому, сниженным потерям на трение. |
| 7222 ATBP4 | ТВ = текстолитовый сепаратор, центрируемый по внутреннему кольцу. |
| 7222 CTBP4 | ТВ = текстолитовый сепаратор, центрируемый по внутреннему кольцу. |
| 7222-BE-MP | Радиально-упорный шарикоподшипник с углом контакта 40. Оптимизированная внутренняя конструкция. Обработанный латунный сепаратор центрируемый по шарику. |
| 7222 BECBP | ЕС = эксцентриковый фиксатор воротника с утопленным внутренним кольцом на одной стороне. |
| 7222 BECBY | ЕС = эксцентриковый фиксатор воротника с утопленным внутренним кольцом на одной стороне. |
| 7222WN MBR | MB = Обработанный латунный сепаратор с внутренним кольцом. |
| 7222A5TRSU | Угол контакта 25 градусов. |
| 7222 BEGAF | A = внутренняя модификация конструкции. |
| 7222 BECBM | B = 40 градусов угол контакта. M = обработанный латунный сепаратор, расположенныйна элементах качения. |
| 7222 B.TVP | TVP = сегментный сепаратор, изготовленный из армированного стекловолокном полиамида PA66 направленная по роликам. |
| 7222 CD/P4A | CD = 15 градусов угол контакта. P4 = Точность размеров и вращения соответствуют классу точности 4 ISO. |
| 7222HG1UJ74 | J = Сепаратор стальной штампованный незакалённый. Сорт стали 7. |
| 7222CG1UJ74 | J = Сепаратор стальной штампованный незакалённый. Сорт стали 7. |
Габаритные размеры
Конструкция и исполнение
Однорядный конический роликовый подшипник 30222 (CRAFT, CYSD, FAG, FBJ, ISB)
Однорядный конический роликовый подшипник 30222 J (FAG)
Однорядный конический роликовый подшипник 30222 J2 (FAG, SKF)
Однорядный конический роликовый подшипник 30222 A (CX, FAG, SNR, ZVL)
Подшипник роликовый радиально-упорный 30222F (Fersa)
Однорядный конический роликовый подшипник 30222U (NTN)