Главная > Подшипники> Шариковые> Радиально-упорные>QJ 208 PHAS

QJ 208 PHAS — ШарикоПодшипник с четырёхточечным контактом, импортное производство по ISO стандарту, размер 80x40x18 номер основного исполнения 208.
Производитель: SKF.
Шарикоподшипник с четырехточечным контактом.
Шайбы AS упорного игольчатого подшипника, соответствующие для AXK и K811, к DIN 5405-3 / ISO 303
Цена от:159 р.
Цена на подшипник зависит от:
| Обозначение | Модификация |
|---|---|
| 208 | Основное конструктивное исполнение. |
| N208 | Однорядный цилиндрический роликоподшипник. Внутреннее кольцо подшипника имеет два борта, наружное — без бортов. |
| Q208 | |
| EX208 | |
| 5-208 | |
| FD208 | |
| QJ208 | Шарикоподшипник с четырехточечным контактом. |
| N208E | Однорядный цилиндрический роликоподшипник. Внутреннее кольцо подшипника имеет два борта, наружное — без бортов. Е = Увеличенная грузоподъемность. |
| UC208 | |
| NU208 | Однорядный цилиндрический роликоподшипник. Наружное кольцо подшипника имеет два борта, а внутреннее кольцо бортов не имеет. |
| NH208 | |
| CS208 | |
| NA208 | Игольчатый роликоподшипник с размерами по ISO 15. |
| UK208 | |
| RB208 | |
| SA208 | |
| US208 | |
| SB208 | |
| ER208 | |
| ES208 | |
| NU208K | Однорядный цилиндрический роликоподшипник. Наружное кольцо подшипника имеет два борта, а внутреннее кольцо бортов не имеет. К = Коническая посадка, конусность 1:12. |
| NU208R | Однорядный цилиндрический роликоподшипник. Наружное кольцо подшипника имеет два борта, а внутреннее кольцо бортов не имеет. R = Наружное кольцо с фланцем . |
| W208PP | P = Литой сепаратор из стеклонаполненного полиамида 6,6, центрируемый по телам качения. |
| NUP208 | Однорядный цилиндрический роликоподшипник. Наружное кольцо имеет два борта, внутреннее — один борт и одно свободное фланцевое кольцо. Основные размеры по DIN 5412-1, относится к подтипу фиксированные подшипники, разъемные, с сепаратором. |
| SUC208 | Вкладыш из нержавеющей стали для термопластичного подшипникового узла, внутреннее кольцо расширено с обеих сторон, крепится на вал с помощью винтов, уплотнения с обеих сторон. |
| BL 208 | |
| NF 208 | Внутреннем кольце с двойным фланцем, внешнее с одним. |
| NF208E | Внутреннем кольце с двойным фланцем, внешнее с одним. Е = Увеличенная грузоподъемность. |
| CEX208 | Наружное цилиндрическое кольцо имеет канавку под стопор для фиксации по оси, есть смазочное отверстие, не для применения в корпусах со сферическим посадочным местом подшипника. |
| NJ 208 | Однорядный цилиндрический роликоподшипник. Наружное кольцо имеет два борта, наружное — один борт. |
| CES208 | Цилиндрическое наружное кольцо с канавкой под стопорне кольцо для осевой фиксации, без возможности повторного смазывания, не предназначено для использования в стандартных корпусах со сферическим посадочным местом. |
| MUC208 | Подшипник из нержавеющей стали для подшипникового узла из термопласта, внутреннее кольцо вытянуто с обеих сторон, крепится на вал с помощью установочных винтов, уплотнения с обеих сторон. |
| BNT208 | |
| CUC208 | Цилиндрическая наружняя обойма с канавкой под стопорное кольцо для осевой фиксации, отверстие для смазки не предназначено для использования в стандартных корпусах со сферическим посадочным местом подшипника. |
| RUS208 | |
| CUS208 | Цилиндрическое наружное кольцо с канавкой под стопор для осевой фиксации, без возможности повторной смазки, не для использования в стандартных корпусах со сферическим посадочным отверстием. |
| QJF208 | |
| NJ208R | Однорядный цилиндрический роликоподшипник. Наружное кольцо имеет два борта, наружное — один борт. R = Наружное кольцо с фланцем . |
| SA208F | Механически обработанный сепаратор из стали или чугуна, центрируемый по телам качения. |
| NP 208 | |
| EX208G2 | G2 = установка с нормальным преднатягом. |
| W208KLL | K = LL = (Сегментное уплотнение, код 2RU) = Лабиринтные уплотнения с обеих сторон (уплотнение L-типа - все части уплотнения L-типа покрыты цинком с всех сторон для улучшения защиты от коррозии - без трения уплотнения ). |
| NU208EG | Однорядный цилиндрический роликоподшипник. Наружное кольцо подшипника имеет два борта, а внутреннее кольцо бортов не имеет. G = Однорядный радиально-упорный шарикоподшипник для универсального парного монтажа. Два подшипника, установленные по 0-образной или Х-образной схеме, будут иметь определенный осевой зазор в домонтажном состоянии. |
| ASS208N | N = Канавка под стопорное кольцо в наружном кольце |
| NU208EM | Однорядный цилиндрический роликоподшипник. Наружное кольцо подшипника имеет два борта, а внутреннее кольцо бортов не имеет. E = Увеличенная грузоподъемность. М = Механически обработанный латунный сепаратор, центрируемый по роликам. |
| AS208D1 | D1 = (Смазка сегмента, код W33) = Смазочная канавка и три отверстия в наружном кольце подшипника. Начиная с = D320 Суффикс D1 не используется. |
| NUP208R | Однорядный цилиндрический роликоподшипник. Наружное кольцо имеет два борта, внутреннее — один борт и одно свободное фланцевое кольцо. Основные размеры по DIN 5412-1, относится к подтипу фиксированные подшипники, разъемные, с сепаратором. R = Наружное кольцо с фланцем . |
| NH208 E | Е = Увеличенная грузоподъемность. |
| YAT 208 | |
| BXRE208 | Е = Увеличенная грузоподъемность. |
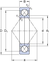
Габаритные размеры
Размеры и геометрические характеристики
Нагрузка и ресурс
Коэффициенты для расчета
Присоединительные размеры
Однорядный гибридный радиальный шарикоподшипник 6208-2RZTN9/HC5C3WT (SKF)
Подшипник однорядный шариковый радиальный 6208 ETN9 (SKF)
Подшипник однорядный шариковый радиальный 6208-2RS1 (SKF)
Подшипник однорядный шариковый радиальный 6208-2Z/VA228 (SKF)
Подшипник шариковый из нержавеющей стали W 6208-2Z (SKF)
радиальный шарикоподшипник из нержавеющей стали W 6208-2RZ (SKF)