Главная > Подшипники> Роликовые > Радиальные>NUP215-E-M6

NUP215-E-M6 — Однорядный цилиндрический роликовый подшипник, импортное производство по ISO стандарту номер основного исполнения 215.
Производитель: NKE.
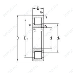
Однорядный цилиндрический роликоподшипник. Наружное кольцо имеет два борта, внутреннее — один борт и одно свободное фланцевое кольцо. Основные размеры по DIN 5412-1, относится к подтипу фиксированные подшипники, разъемные, с сепаратором.
E = Увеличенная грузоподъемность. М = Механически обработанный латунный сепаратор, центрируемый по роликам.
Цена от:1 398 р.
Цена на подшипник зависит от:
| Обозначение | Модификация |
|---|---|
| N215 | Однорядный цилиндрический роликоподшипник. Внутреннее кольцо подшипника имеет два борта, наружное — без бортов. |
| Q215 | |
| N215E | Однорядный цилиндрический роликоподшипник. Внутреннее кольцо подшипника имеет два борта, наружное — без бортов. Е = Увеличенная грузоподъемность. |
| NJ215 | Однорядный цилиндрический роликоподшипник. Наружное кольцо имеет два борта, наружное — один борт. |
| NU215 | Однорядный цилиндрический роликоподшипник. Наружное кольцо подшипника имеет два борта, а внутреннее кольцо бортов не имеет. |
| EX215 | |
| NH215 | |
| QJ215 | Шарикоподшипник с четырехточечным контактом. |
| NA215 | Игольчатый роликоподшипник с размерами по ISO 15. |
| UC215 | |
| UK215 | |
| NU215R | Однорядный цилиндрический роликоподшипник. Наружное кольцо подшипника имеет два борта, а внутреннее кольцо бортов не имеет. R = Наружное кольцо с фланцем . |
| NF 215 | Внутреннем кольце с двойным фланцем, внешнее с одним. |
| BL 215 | |
| NUP215 | Однорядный цилиндрический роликоподшипник. Наружное кольцо имеет два борта, внутреннее — один борт и одно свободное фланцевое кольцо. Основные размеры по DIN 5412-1, относится к подтипу фиксированные подшипники, разъемные, с сепаратором. |
| NJ215R | Однорядный цилиндрический роликоподшипник. Наружное кольцо имеет два борта, наружное — один борт. R = Наружное кольцо с фланцем . |
| NP 215 | |
| UK215+H | H = высокая, узкая каретка для двухрядного шарикоподшипника и направляющей в сборе. |
| NUP215R | Однорядный цилиндрический роликоподшипник. Наружное кольцо имеет два борта, внутреннее — один борт и одно свободное фланцевое кольцо. Основные размеры по DIN 5412-1, относится к подтипу фиксированные подшипники, разъемные, с сепаратором. R = Наружное кольцо с фланцем . |
| NF215 E | Внутреннем кольце с двойным фланцем, внешнее с одним. Е = Увеличенная грузоподъемность. |
| NH215 E | Е = Увеличенная грузоподъемность. |
| EX215G2 | G2 = установка с нормальным преднатягом. |
| UC215G2 | G2 = установка с нормальным преднатягом. |
| UC215L3 | L = массивный сепаратор из лёгкого сплава. |
| UC215D1 | D1 = (Смазка сегмента, код W33) = Смазочная канавка и три отверстия в наружном кольце подшипника. Начиная с = D320 Суффикс D1 не используется. |
| NP215 E | Е = Увеличенная грузоподъемность. |
| UK215L3 | L = массивный сепаратор из лёгкого сплава. |
| UK215D1 | D1 = (Смазка сегмента, код W33) = Смазочная канавка и три отверстия в наружном кольце подшипника. Начиная с = D320 Суффикс D1 не используется. |
| NU 215 E | Однорядный цилиндрический роликоподшипник. Наружное кольцо подшипника имеет два борта, а внутреннее кольцо бортов не имеет. Е = Увеличенная грузоподъемность. |
| UK215G2H | G2 = установка с нормальным преднатягом. |
| N215EG15 | Однорядный цилиндрический роликоподшипник. Внутреннее кольцо подшипника имеет два борта, наружное — без бортов. E = Увеличенная грузоподъемность. G15 = Формованная литьевая клетка из армированного стекловолокном полиамида 6,6, с вращающимся элементом по центру. |
| BL 215 Z | Металлический экран с одной стороны. |
| NUP215EM | Однорядный цилиндрический роликоподшипник. Наружное кольцо имеет два борта, внутреннее — один борт и одно свободное фланцевое кольцо. Основные размеры по DIN 5412-1, относится к подтипу фиксированные подшипники, разъемные, с сепаратором. E = Увеличенная грузоподъемность. М = Механически обработанный латунный сепаратор, центрируемый по роликам. |
| N215 ECP | Однорядный цилиндрический роликоподшипник. Внутреннее кольцо подшипника имеет два борта, наружное — без бортов. ЕС = эксцентриковый фиксатор воротника с утопленным внутренним кольцом на одной стороне. |
| NJ 215 E | Однорядный цилиндрический роликоподшипник. Наружное кольцо имеет два борта, наружное — один борт. Е = Увеличенная грузоподъемность. |
| EX215-47 | |
| EX215-48 | |
| NA215-48 | Игольчатый роликоподшипник с размерами по ISO 15. |
| UC215-48 | |
| UC215-47 | |
| NJ215 EM | Однорядный цилиндрический роликоподшипник. Наружное кольцо имеет два борта, наружное — один борт. E = Увеличенная грузоподъемность. М = Механически обработанный латунный сепаратор, центрируемый по роликам. |
| UCS215D1 | D1 = (Смазка сегмента, код W33) = Смазочная канавка и три отверстия в наружном кольце подшипника. Начиная с = D320 Суффикс D1 не используется. |
| UEL215D1 | D1 = (Смазка сегмента, код W33) = Смазочная канавка и три отверстия в наружном кольце подшипника. Начиная с = D320 Суффикс D1 не используется. |
| QJ215 MA | Шарикоподшипник с четырехточечным контактом. MA = Механически обработанный латунный сепаратор, центрируемый по наружному кольцу. |
| QJ215 TVP | Шарикоподшипник с четырехточечным контактом. TVP = сегментный сепаратор, изготовленный из армированного стекловолокном полиамида PA66 направленная по роликам. |
| NUP 215 M | Однорядный цилиндрический роликоподшипник. Наружное кольцо имеет два борта, внутреннее — один борт и одно свободное фланцевое кольцо. Основные размеры по DIN 5412-1, относится к подтипу фиксированные подшипники, разъемные, с сепаратором. M = массивный латунный сепаратор. |
| BL215 ZNR | Стопорное кольцо и проточка под него в наружном кольце подшипника. |
| NU215EG15 | Однорядный цилиндрический роликоподшипник. Наружное кольцо подшипника имеет два борта, а внутреннее кольцо бортов не имеет. E = Увеличенная грузоподъемность. G15 = Формованная литьевая клетка из армированного стекловолокном полиамида 6,6, с вращающимся элементом по центру. |
| N 215 ECM | Однорядный цилиндрический роликоподшипник. Внутреннее кольцо подшипника имеет два борта, наружное — без бортов. EC = Оптимизированная внутренняя конструкция, включающая больше и / или более крупные ролики и с модифицированным контактом ролика / концевого фланца. M = Механически обработанный латунный сепаратор, центрируемый по роликам. |
| NUP 215 E | Однорядный цилиндрический роликоподшипник. Наружное кольцо имеет два борта, внутреннее — один борт и одно свободное фланцевое кольцо. Основные размеры по DIN 5412-1, относится к подтипу фиксированные подшипники, разъемные, с сепаратором. Е = Увеличенная грузоподъемность. |
Габаритные размеры
Нагрузка и ресурс
Радиальный шарикоподшипник M6215ZZ (KOYO)
Цилиндрический роликоподшипник NJ2215 ET (NSK)
Цилиндрический роликоподшипник NJ2215-E-MA6+HJ2215-E (NKE)
Цилиндрический роликоподшипник NJ2215-E-M6+HJ2215-E (NKE)
Цилиндрический роликоподшипник NJ2215-E-TVP2 + HJ2215-E (FAG)
Цилиндрический роликоподшипник NJ2215R (KOYO)