Главная > Подшипники> Роликовые > Радиальные>NJ213-E-TVP3+HJ213-E

NJ213-E-TVP3+HJ213-E — Цилиндрический роликоподшипник, импортное производство по ISO стандарту номер основного исполнения 213.
Производитель: NKE.
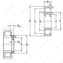
Однорядный цилиндрический роликоподшипник. Наружное кольцо имеет два борта, наружное — один борт.
E = Увеличенная грузоподъемность. TVP = (сегментная сепаратор, код P) = сплошная оконная сепаратор из армированного стекловолокном полиамида PA66. Катание на роликах.
Цена от:1 412 р.
Цена на подшипник зависит от:
| Обозначение | Модификация |
|---|---|
| Q213 | |
| N213 | Однорядный цилиндрический роликоподшипник. Внутреннее кольцо подшипника имеет два борта, наружное — без бортов. |
| UK213 | |
| B 213 | |
| QJ213 | Шарикоподшипник с четырехточечным контактом. |
| EX213 | |
| NH213 | |
| NJ213 | Однорядный цилиндрический роликоподшипник. Наружное кольцо имеет два борта, наружное — один борт. |
| NU213 | Однорядный цилиндрический роликоподшипник. Наружное кольцо подшипника имеет два борта, а внутреннее кольцо бортов не имеет. |
| NA213 | Игольчатый роликоподшипник с размерами по ISO 15. |
| UC213 | |
| NP 213 | |
| QJF213 | |
| NU213R | Однорядный цилиндрический роликоподшипник. Наружное кольцо подшипника имеет два борта, а внутреннее кольцо бортов не имеет. R = Наружное кольцо с фланцем . |
| NUP213 | Однорядный цилиндрический роликоподшипник. Наружное кольцо имеет два борта, внутреннее — один борт и одно свободное фланцевое кольцо. Основные размеры по DIN 5412-1, относится к подтипу фиксированные подшипники, разъемные, с сепаратором. |
| BL 213 | |
| N213 E | Однорядный цилиндрический роликоподшипник. Внутреннее кольцо подшипника имеет два борта, наружное — без бортов. Е = Увеличенная грузоподъемность. |
| NF 213 | Внутреннем кольце с двойным фланцем, внешнее с одним. |
| NF213E | Внутреннем кольце с двойным фланцем, внешнее с одним. Е = Увеличенная грузоподъемность. |
| RNH213 | |
| NJ213R | Однорядный цилиндрический роликоподшипник. Наружное кольцо имеет два борта, наружное — один борт. R = Наружное кольцо с фланцем . |
| UC213L3 | L = массивный сепаратор из лёгкого сплава. |
| NJ213EM | Однорядный цилиндрический роликоподшипник. Наружное кольцо имеет два борта, наружное — один борт. E = Увеличенная грузоподъемность. М = Механически обработанный латунный сепаратор, центрируемый по роликам. |
| UK213D1 | D1 = (Смазка сегмента, код W33) = Смазочная канавка и три отверстия в наружном кольце подшипника. Начиная с = D320 Суффикс D1 не используется. |
| NP213 E | Е = Увеличенная грузоподъемность. |
| UK213+H | H = высокая, узкая каретка для двухрядного шарикоподшипника и направляющей в сборе. |
| NU213EM | Однорядный цилиндрический роликоподшипник. Наружное кольцо подшипника имеет два борта, а внутреннее кольцо бортов не имеет. E = Увеличенная грузоподъемность. М = Механически обработанный латунный сепаратор, центрируемый по роликам. |
| UK213L3 | L = массивный сепаратор из лёгкого сплава. |
| NUP213R | Однорядный цилиндрический роликоподшипник. Наружное кольцо имеет два борта, внутреннее — один борт и одно свободное фланцевое кольцо. Основные размеры по DIN 5412-1, относится к подтипу фиксированные подшипники, разъемные, с сепаратором. R = Наружное кольцо с фланцем . |
| NH213 E | Е = Увеличенная грузоподъемность. |
| EX213G2 | 3G = G = Втулки подшипника с возможностью смазки. |
| UC213D1 | D1 = (Смазка сегмента, код W33) = Смазочная канавка и три отверстия в наружном кольце подшипника. Начиная с = D320 Суффикс D1 не используется. |
| UC213G2 | 3G = G = Втулки подшипника с возможностью смазки. |
| UCS213D1 | D1 = (Смазка сегмента, код W33) = Смазочная канавка и три отверстия в наружном кольце подшипника. Начиная с = D320 Суффикс D1 не используется. |
| UEL213D1 | D1 = (Смазка сегмента, код W33) = Смазочная канавка и три отверстия в наружном кольце подшипника. Начиная с = D320 Суффикс D1 не используется. |
| NU 213 E | Однорядный цилиндрический роликоподшипник. Наружное кольцо подшипника имеет два борта, а внутреннее кольцо бортов не имеет. Е = Увеличенная грузоподъемность. |
| UK213G2H | 3G = G = Втулки подшипника с возможностью смазки. |
| QJ213 MA | Шарикоподшипник с четырехточечным контактом. MA = Механически обработанный латунный сепаратор, центрируемый по наружному кольцу. |
| NUP213EM | Однорядный цилиндрический роликоподшипник. Наружное кольцо имеет два борта, внутреннее — один борт и одно свободное фланцевое кольцо. Основные размеры по DIN 5412-1, относится к подтипу фиксированные подшипники, разъемные, с сепаратором. E = Увеличенная грузоподъемность. М = Механически обработанный латунный сепаратор, центрируемый по роликам. |
| N213EG15 | Однорядный цилиндрический роликоподшипник. Внутреннее кольцо подшипника имеет два борта, наружное — без бортов. E = Увеличенная грузоподъемность. G15 = Формованная литьевая клетка из армированного стекловолокном полиамида 6,6, с вращающимся элементом по центру. |
| BL 213 Z | Металлический экран с одной стороны. |
| CS213LLU | LLU = Резиновые уплотнения на каждой стороне подшипника. |
| EX213-40 | |
| NJ 213 E | Однорядный цилиндрический роликоподшипник. Наружное кольцо имеет два борта, наружное — один борт. Е = Увеличенная грузоподъемность. |
| NA213-40 | Игольчатый роликоподшипник с размерами по ISO 15. |
| UC213-40 | |
| N213 ECP | Однорядный цилиндрический роликоподшипник. Внутреннее кольцо подшипника имеет два борта, наружное — без бортов. ЕС = эксцентриковый фиксатор воротника с утопленным внутренним кольцом на одной стороне. |
| UC213-41 | |
| NJ213 ECJ | Однорядный цилиндрический роликоподшипник. Наружное кольцо имеет два борта, наружное — один борт. EC = Оптимизированная внутренняя конструкция, включающая больше и / или более крупные ролики и с модифицированным контактом ролика / концевого фланца. J = Прессованная стальная клетка, по центру ролика, не закаленная. |
| NJ213 ECP | Однорядный цилиндрический роликоподшипник. Наружное кольцо имеет два борта, наружное — один борт. ЕС = эксцентриковый фиксатор воротника с утопленным внутренним кольцом на одной стороне. |
Габаритные размеры
Нагрузка и ресурс
Радиальный шарикоподшипник M6213ZZ (KOYO)
Подшипник однорядный шариковый радиальный M6213 (KOYO)
Однорядный цилиндрический роликовый подшипник NJ2213 EM (AST)
Цилиндрический роликоподшипник NJ2213-E-M6 (NKE)
Цилиндрический роликоподшипник NJ2213-E-M6+HJ2213-E (NKE)
Цилиндрический роликоподшипник NJ2213-E-MA6+HJ2213-E (NKE)