Главная > Цилиндрические>NJ205 E.TVP2

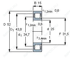
NJ205 E.TVP2 — Однорядный цилиндрический роликовый подшипник, импортное производство по ISO стандарту, размер 25x52x15 номер основного исполнения 205.
Производитель: FAG.
Однорядный цилиндрический роликоподшипник. Наружное кольцо имеет два борта, наружное — один борт.
E = Увеличенная грузоподъемность. TVP = (сегментная сепаратор, код P) = сплошная оконная сепаратор из армированного стекловолокном полиамида PA66. Катание на роликах.
Цена от:593 р.
Цена на подшипник зависит от:
| Обозначение | Модификация |
|---|---|
| Q205 | |
| N205 | Однорядный цилиндрический роликоподшипник. Внутреннее кольцо подшипника имеет два борта, наружное — без бортов. |
| SB205 | |
| US205 | |
| ES205 | |
| EX205 | |
| UB205 | |
| NJ205 | |
| UC205 | |
| NU205 | Однорядный цилиндрический роликоподшипник. Наружное кольцо подшипника имеет два борта, а внутреннее кольцо бортов не имеет. |
| FD205 | |
| CS205 | |
| N205E | Однорядный цилиндрический роликоподшипник. Внутреннее кольцо подшипника имеет два борта, наружное — без бортов. Е = Увеличенная грузоподъемность. |
| NA205 | Игольчатый роликоподшипник с размерами по ISO 15. |
| B 205 | |
| NH205 | |
| RB205 | |
| UK205 | |
| SA205 | |
| ER205 | |
| NP 205 | |
| W205PP | P = Литой сепаратор из стеклонаполненного полиамида 6,6, центрируемый по телам качения. |
| NU205E | Однорядный цилиндрический роликоподшипник. Наружное кольцо подшипника имеет два борта, а внутреннее кольцо бортов не имеет. Е = Увеличенная грузоподъемность. |
| BL 205 | |
| SUC205 | Вкладыш из нержавеющей стали для термопластичного подшипникового узла, внутреннее кольцо расширено с обеих сторон, крепится на вал с помощью винтов, уплотнения с обеих сторон. |
| NU205R | Однорядный цилиндрический роликоподшипник. Наружное кольцо подшипника имеет два борта, а внутреннее кольцо бортов не имеет. R = Наружное кольцо с фланцем . |
| BNT205 | |
| CEX205 | Наружное цилиндрическое кольцо имеет канавку под стопор для фиксации по оси, есть смазочное отверстие, не для применения в корпусах со сферическим посадочным местом подшипника. |
| QJ 205 | Шарикоподшипник с четырехточечным контактом. |
| CES205 | Цилиндрическое наружное кольцо с канавкой под стопорне кольцо для осевой фиксации, без возможности повторного смазывания, не предназначено для использования в стандартных корпусах со сферическим посадочным местом. |
| NF 205 | Внутреннем кольце с двойным фланцем, внешнее с одним. |
| CUC205 | Цилиндрическая наружняя обойма с канавкой под стопорное кольцо для осевой фиксации, отверстие для смазки не предназначено для использования в стандартных корпусах со сферическим посадочным местом подшипника. |
| MUC205 | Подшипник из нержавеющей стали для подшипникового узла из термопласта, внутреннее кольцо вытянуто с обеих сторон, крепится на вал с помощью установочных винтов, уплотнения с обеих сторон. |
| CUS205 | Цилиндрическое наружное кольцо с канавкой под стопор для осевой фиксации, без возможности повторной смазки, не для использования в стандартных корпусах со сферическим посадочным отверстием. |
| RUS205 | |
| SA205F | Механически обработанный сепаратор из стали или чугуна, центрируемый по телам качения. |
| NUP205 | Однорядный цилиндрический роликоподшипник. Наружное кольцо имеет два борта, внутреннее — один борт и одно свободное фланцевое кольцо. Основные размеры по DIN 5412-1, относится к подтипу фиксированные подшипники, разъемные, с сепаратором. |
| NJ205R | Однорядный цилиндрический роликоподшипник. Наружное кольцо имеет два борта, наружное — один борт. R = Наружное кольцо с фланцем . |
| NJ205EM | Однорядный цилиндрический роликоподшипник. Наружное кольцо имеет два борта, наружное — один борт. E = Увеличенная грузоподъемность. М = Механически обработанный латунный сепаратор, центрируемый по роликам. |
| AS205D1 | D1 = (Смазка сегмента, код W33) = Смазочная канавка и три отверстия в наружном кольце подшипника. Начиная с = D320 Суффикс D1 не используется. |
| ASS205N | N = Канавка под стопорное кольцо в наружном кольце |
| NP205 E | Е = Увеличенная грузоподъемность. |
| W205KLL | K = LL = (Сегментное уплотнение, код 2RU) = Лабиринтные уплотнения с обеих сторон (уплотнение L-типа - все части уплотнения L-типа покрыты цинком с всех сторон для улучшения защиты от коррозии - без трения уплотнения ). |
| W205PPG | G = Однорядный радиально-упорный шарикоподшипник для универсального парного монтажа. Два подшипника, установленные по 0-образной или Х-образной схеме, будут иметь определенный осевой зазор в домонтажном состоянии. |
| US205G2 | G2 = установка с нормальным преднатягом. |
| NU205EG | Однорядный цилиндрический роликоподшипник. Наружное кольцо подшипника имеет два борта, а внутреннее кольцо бортов не имеет. G = Однорядный радиально-упорный шарикоподшипник для универсального парного монтажа. Два подшипника, установленные по 0-образной или Х-образной схеме, будут иметь определенный осевой зазор в домонтажном состоянии. |
| ES205G2 | G2 = установка с нормальным преднатягом. |
| BXRE205 | Е = Увеличенная грузоподъемность. |
| NU205EM | Однорядный цилиндрический роликоподшипник. Наружное кольцо подшипника имеет два борта, а внутреннее кольцо бортов не имеет. E = Увеличенная грузоподъемность. М = Механически обработанный латунный сепаратор, центрируемый по роликам. |
| EX205G2 | G2 = установка с нормальным преднатягом. |
Габаритные размеры
Конструкция и исполнение
Подшипник роликовый сферический 20205 (FAG, ISO, SIGMA)
Подшипник шариковый радиальный сферический двухрядный с цилиндрическим отверстием внутреннего кольца 1205
Подшипник роликовый радиальный с короткими цилиндрическими роликами без бортов на наружном кольце 2205 (ГПЗ-4)
Подшипник шариковый радиальный однорядный с двухсторонним уплотнением 180205
Подшипник шариковый радиальный однорядный с односторонним уплотнением 160205