Главная > Подшипники> Шариковые> Упорные>BSA 208 CG-2RZ

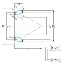
BSA 208 CG-2RZ — Осевой радиально-упорный шарикоподшипник, импортное производство по ISO стандарту, размер 40x80x18 номер основного исполнения 208.
Производитель: SKF.
2RZ = Шариковый подшипник, с уплотнением низкого трения на обеих сторонах. Уплотнение состоит из шайбы тонколистовой стали с вулканизированной резиной.
Цена от:159 р.
Цена на подшипник зависит от:
| Обозначение | Модификация |
|---|---|
| 208 | Основное конструктивное исполнение. |
| N208 | Однорядный цилиндрический роликоподшипник. Внутреннее кольцо подшипника имеет два борта, наружное — без бортов. |
| Q208 | |
| SA208 | |
| US208 | |
| SB208 | |
| ER208 | |
| ES208 | |
| QJ208 | Шарикоподшипник с четырехточечным контактом. |
| EX208 | |
| N208E | Однорядный цилиндрический роликоподшипник. Внутреннее кольцо подшипника имеет два борта, наружное — без бортов. Е = Увеличенная грузоподъемность. |
| 5-208 | |
| FD208 | |
| NH208 | |
| UC208 | |
| NU208 | Однорядный цилиндрический роликоподшипник. Наружное кольцо подшипника имеет два борта, а внутреннее кольцо бортов не имеет. |
| CS208 | |
| NA208 | Игольчатый роликоподшипник с размерами по ISO 15. |
| UK208 | |
| RB208 | |
| CUS208 | Цилиндрическое наружное кольцо с канавкой под стопор для осевой фиксации, без возможности повторной смазки, не для использования в стандартных корпусах со сферическим посадочным отверстием. |
| NP 208 | |
| SA208F | Механически обработанный сепаратор из стали или чугуна, центрируемый по телам качения. |
| NU208K | Однорядный цилиндрический роликоподшипник. Наружное кольцо подшипника имеет два борта, а внутреннее кольцо бортов не имеет. К = Коническая посадка, конусность 1:12. |
| NU208R | Однорядный цилиндрический роликоподшипник. Наружное кольцо подшипника имеет два борта, а внутреннее кольцо бортов не имеет. R = Наружное кольцо с фланцем . |
| NUP208 | Однорядный цилиндрический роликоподшипник. Наружное кольцо имеет два борта, внутреннее — один борт и одно свободное фланцевое кольцо. Основные размеры по DIN 5412-1, относится к подтипу фиксированные подшипники, разъемные, с сепаратором. |
| NF 208 | Внутреннем кольце с двойным фланцем, внешнее с одним. |
| W208PP | P = Литой сепаратор из стеклонаполненного полиамида 6,6, центрируемый по телам качения. |
| NF208E | Внутреннем кольце с двойным фланцем, внешнее с одним. Е = Увеличенная грузоподъемность. |
| SUC208 | Вкладыш из нержавеющей стали для термопластичного подшипникового узла, внутреннее кольцо расширено с обеих сторон, крепится на вал с помощью винтов, уплотнения с обеих сторон. |
| BL 208 | |
| NJ 208 | Однорядный цилиндрический роликоподшипник. Наружное кольцо имеет два борта, наружное — один борт. |
| BNT208 | |
| CEX208 | Наружное цилиндрическое кольцо имеет канавку под стопор для фиксации по оси, есть смазочное отверстие, не для применения в корпусах со сферическим посадочным местом подшипника. |
| CES208 | Цилиндрическое наружное кольцо с канавкой под стопорне кольцо для осевой фиксации, без возможности повторного смазывания, не предназначено для использования в стандартных корпусах со сферическим посадочным местом. |
| MUC208 | Подшипник из нержавеющей стали для подшипникового узла из термопласта, внутреннее кольцо вытянуто с обеих сторон, крепится на вал с помощью установочных винтов, уплотнения с обеих сторон. |
| RUS208 | |
| CUC208 | Цилиндрическая наружняя обойма с канавкой под стопорное кольцо для осевой фиксации, отверстие для смазки не предназначено для использования в стандартных корпусах со сферическим посадочным местом подшипника. |
| QJF208 | |
| NJ208R | Однорядный цилиндрический роликоподшипник. Наружное кольцо имеет два борта, наружное — один борт. R = Наружное кольцо с фланцем . |
| UK208+H | H = высокая, узкая каретка для двухрядного шарикоподшипника и направляющей в сборе. |
| NJ208EM | Однорядный цилиндрический роликоподшипник. Наружное кольцо имеет два борта, наружное — один борт. E = Увеличенная грузоподъемность. М = Механически обработанный латунный сепаратор, центрируемый по роликам. |
| NP208 E | Е = Увеличенная грузоподъемность. |
| UK208L3 | L = массивный сепаратор из лёгкого сплава. |
| US208G2 | G2 = установка с нормальным преднатягом. |
| NU208 E | Однорядный цилиндрический роликоподшипник. Наружное кольцо подшипника имеет два борта, а внутреннее кольцо бортов не имеет. Е = Увеличенная грузоподъемность. |
| ES208G2 | G2 = установка с нормальным преднатягом. |
| NU208EG | Однорядный цилиндрический роликоподшипник. Наружное кольцо подшипника имеет два борта, а внутреннее кольцо бортов не имеет. G = Однорядный радиально-упорный шарикоподшипник для универсального парного монтажа. Два подшипника, установленные по 0-образной или Х-образной схеме, будут иметь определенный осевой зазор в домонтажном состоянии. |
| NU208EM | Однорядный цилиндрический роликоподшипник. Наружное кольцо подшипника имеет два борта, а внутреннее кольцо бортов не имеет. E = Увеличенная грузоподъемность. М = Механически обработанный латунный сепаратор, центрируемый по роликам. |
| EX208G2 | G2 = установка с нормальным преднатягом. |
| Техника | Модель | Агрегат |
|---|---|---|
| Комбайн | КОП-1.4 | Блок вальцов битерных |
| Комбайн | КОП-1.4 | Блок вальцов отрывочных |
| Косилка | КПС-5Г | Вал кривошипа/корпус |
| Трактор | МТЗ-50Л | Вал отбора мощности боковой/опора передняя |
| Трактор | МТЗ-50ПЛ | Вал отбора мощности боковой/опора передняя |
| Трактор | МТЗ-50 | Вал отбора мощности боковой/опора передняя |
| Трактор | МТЗ-52Л | Вал отбора мощности боковой/опора передняя |
| Трактор | МТЗ-52 | Вал отбора мощности боковой/опора передняя |
| Трактор | МТЗ-80Л | Вал отбора мощности боковой/опора передняя |
| Трактор | МТЗ-80 | Вал отбора мощности боковой/опора передняя |
| Трактор | МТЗ-82Л | Вал отбора мощности боковой/опора передняя |
| Трактор | МТЗ-82 | Вал отбора мощности боковой/опора передняя |
| Трактор | МТЗ-50Л | Вал отбора мощности задний/барабан шестерни солнечной. опоры передняя и задняя |
| Трактор | МТЗ-50ПЛ | Вал отбора мощности задний/барабан шестерни солнечной. опоры передняя и задняя |
| Трактор | МТЗ-50 | Вал отбора мощности задний/барабан шестерни солнечной. опоры передняя и задняя |
| Трактор | МТЗ-52Л | Вал отбора мощности задний/барабан шестерни солнечной. опоры передняя и задняя |
| Трактор | МТЗ-52 | Вал отбора мощности задний/барабан шестерни солнечной. опоры передняя и задняя |
| Трактор | МТЗ-50Л | Вал отбора мощности задний/водило. опора задняя |
| Трактор | МТЗ-50ПЛ | Вал отбора мощности задний/водило. опора задняя |
| Трактор | МТЗ-50 | Вал отбора мощности задний/водило. опора задняя |
| Трактор | МТЗ-52Л | Вал отбора мощности задний/водило. опора задняя |
| Трактор | МТЗ-52 | Вал отбора мощности задний/водило. опора задняя |
| Трактор | МТЗ-80Л | Вал отбора мощности задний/водило. опора задняя |
| Трактор | МТЗ-80 | Вал отбора мощности задний/водило. опора задняя |
| Трактор | МТЗ-82Л | Вал отбора мощности задний/водило. опора задняя |
| Трактор | МТЗ-82 | Вал отбора мощности задний/водило. опора задняя |
| Трактор | ХТЗ-16131 (кроме двигателя) | Вал отбора мощности/вал промежуточный |
| Трактор | Т-151К с двигателем СМД-62А-63А | Вал отбора мощности/опора промежуточная |
| Трактор | Т-151К с двигателем СМД-62-63 | Вал отбора мощности/опора промежуточная |
| Трактор | Т-75 | Вал отбора мощности/шестерня редуктора |
| Комбайн | КОП-1.4 | Вал промежуточный |
| Копатель кормовых корнеплодов грохотный | ККГ-1.4 | Вал промежуточный/контрпривод |
| Трактор | ТТ-4М-01 | Двигатель пусковой/редуктор |
| Трактор | ТТ-4М | Двигатель пусковой/редуктор |
| Трактор | Т-4А | Двигатель пусковой/редуктор |
| Трактор | Т-40А | Двигатель/вал механизма выключения. опора задняя |
| Трактор | Т-75 | Двигатель/вал механизма выключения. опора задняя |
| Трактор | МТЗ-2 | Двигатель/привод вентилятора. опора задняя |
| Трактор | МТЗ-5К | Двигатель/привод вентилятора. опора задняя |
| Трактор | МТЗ-5ЛС | Двигатель/привод вентилятора. опора задняя |
| Трактор | МТЗ-5Л | Двигатель/привод вентилятора. опора задняя |
| Трактор | МТЗ-5МС | Двигатель/привод вентилятора. опора задняя |
| Трактор | МТЗ-5М | Двигатель/привод вентилятора. опора задняя |
| Трактор | МТЗ-5 | Двигатель/привод вентилятора. опора задняя |
| Трактор | МТЗ-50ПЛ | Двигатель/привод вентилятора. опора задняя |
| Трактор | Т-75МВ с двигателем А-41 | Двигатель/регулятор двигателя пускового |
| Трактор | ДТ-75МВ с двигателем А-41 | Двигатель/редуктор двигателя пускового |
| Трактор | ДТ-75МВ | Двигатель/редуктор двигателя пускового |
| Трактор | Т-75 | Двигатель/шкив вентилятора. опора задняя |
| Комбайн | КПИ-2.4 | Жатка для уборки силосных культур/редуктор |
| Трактор | МТЗ-50Л | Задняя опора первичного вала коробки передач |
| Трактор | МТЗ-50ПЛ | Задняя опора первичного вала коробки передач |
| Трактор | МТЗ-50 | Задняя опора первичного вала коробки передач |
| Трактор | МТЗ-52Л | Задняя опора первичного вала коробки передач |
| Трактор | МТЗ-52 | Задняя опора первичного вала коробки передач |
| Трактор | МТЗ-80Л | Задняя опора первичного вала коробки передач |
| Трактор | МТЗ-80 | Задняя опора первичного вала коробки передач |
| Трактор | МТЗ-82Л | Задняя опора первичного вала коробки передач |
| Трактор | МТЗ-82 | Задняя опора первичного вала коробки передач |
| Загрузчик автомобильный универсальный | ЗАУ-3 | Коробка отбора мощности |
| Загрузчик автомобильный универсальный | УЗСА-40 | Коробка отбора мощности |
| Трактор | МТЗ-50Л | Коробка передач/вал первой передачи и заднего хода. опора задняя |
| Трактор | МТЗ-50ПЛ | Коробка передач/вал первой передачи и заднего хода. опора задняя |
| Трактор | МТЗ-50 | Коробка передач/вал первой передачи и заднего хода. опора задняя |
| Трактор | МТЗ-52Л | Коробка передач/вал первой передачи и заднего хода. опора задняя |
| Трактор | МТЗ-52 | Коробка передач/вал первой передачи и заднего хода. опора задняя |
| Трактор | МТЗ-80Л | Коробка передач/вал первой передачи. опора задняя |
| Трактор | МТЗ-80 | Коробка передач/вал первой передачи. опора задняя |
| Трактор | МТЗ-82Л | Коробка передач/вал первой передачи. опора задняя |
| Трактор | МТЗ-82 | Коробка передач/вал первой передачи. опора задняя |
| Комбайн | КСК-100А-А1 | Коробка передач/валы. шестерни |
| Трактор | МТЗ-2 | Коробка передач/шестерня промежуточная |
| Трактор | МТЗ-5К | Коробка передач/шестерня промежуточная |
| Трактор | МТЗ-5ЛС | Коробка передач/шестерня промежуточная |
| Трактор | МТЗ-5Л | Коробка передач/шестерня промежуточная |
| Трактор | МТЗ-5МС | Коробка передач/шестерня промежуточная |
| Трактор | МТЗ-5М | Коробка передач/шестерня промежуточная |
| Трактор | МТЗ-5 | Коробка передач/шестерня промежуточная |
| Трактор | К-701 | Коробка переключения передач |
| Трактор | ЮМЗ-6АЛ | Коробка переключения передач |
| Трактор | ЮМЗ-6АМ | Коробка переключения передач |
| Трактор | ЮМЗ-6КМ | Коробка переключения передач |
| ГАЗ | 66-01 | Коробка раздаточная/вал вторичный. опора задняя |
| ГАЗ | 66-02 | Коробка раздаточная/вал вторичный. опора задняя |
| ГАЗ | 66-04 | Коробка раздаточная/вал вторичный. опора задняя |
| ГАЗ | 66-05 | Коробка раздаточная/вал вторичный. опора задняя |
| САЗ | 3502 | Коробка раздаточная/вал вторичный. опора задняя |
| САЗ | 3507 | Коробка раздаточная/вал вторичный. опора задняя |
| Трактор | Т-16 самоходное шасси | Корпус главной передачи |
| Трактор | Т-16 | Корпус главной передачи |
| Трактор | МТЗ-52Л | Мост передний ведущий/редукторы |
| Трактор | МТЗ-52 | Мост передний ведущий/редукторы |
| Трактор | МТЗ-82Л | Мост передний/редуктор передачи конечной |
| Опрыскиватель прицепной штанговый | ОПШ-15 | Насос |
| Трактор | Т-150 | Насос НМШ-50/вал шестерни |
| Трактор | МТЗ-80Л | Насос НШ 32-3/привод |
| Трактор | МТЗ-80 | Насос НШ 32-3/привод |
| Трактор | МТЗ-82Л | Насос НШ 32-3/привод |
| Трактор | МТЗ-82 | Насос НШ 32-3/привод |
| Трактор | Т-150К | Опора промежуточная |
| Комбайн | КОП-1.4 | Привод цепей падающих |
| Комбайн | КПИ-2.4 | Распределительная коробка измельчителя |
| Комбайн | КСК-100А-А1 | Редуктор/валы. шестерни |
| Трактор | МТЗ-2 | Ходоуменьшитель |
| Трактор | МТЗ-5К | Ходоуменьшитель |
| Трактор | МТЗ-5 | Ходоуменьшитель |
| Станкостроение |
Габаритные размеры
Размеры и геометрические характеристики
Нагрузка и ресурс
Защита
Присоединительные размеры
Конструкция и исполнение
Подшипник роликовый радиально-упорный 32208 (ГПЗ-4)
Подшипник роликовый сферический 20208 (FAG, ISO, SIGMA)
Подшипник шариковый радиальный сферический двухрядный с цилиндрическим отверстием внутреннего кольца 1208
Подшипник роликовый радиальный с короткими цилиндрическими роликами с однобортовым наружным кольцом 12208
Подшипник шариковый радиальный однорядный с двумя защитными шайбами 80208