Главная > Подшипники> Шариковые> Радиально-упорные>7010 ACE/HCP4AL

7010 ACE/HCP4AL — Прецизионный радиально-упорный шарикоподшипник, импортное производство по ISO стандарту, размер 80x50x16 номер основного исполнения 7010.
Производитель: SKF.
P4 = Точность размеров и вращения соответствуют классу точности 4 ISO.
Цена от:3 195 р.
Цена на подшипник зависит от:
| Обозначение | Модификация |
|---|---|
| 7010 | Основное конструктивное исполнение. |
| B7010 | |
| 7010C | С = Необслуживаемые концы стержней, внутренняя резьба. |
| 7010DF | Комплект подшипников расположенных лицом к лицу, дуплексная Х-образная пара. |
| 7010 B | B = однокомпонентное ребристое внутреннее кольцо. |
| 7010 A | A = внутренняя модификация конструкции. |
| 7010AC | AC = Угол контакта 25 градусов. |
| 7010DT | T = Механически обработанный сепаратор из текстолита, центрируемый по телам качения. |
| 7010DB | D = профиль наружного кольца, усовершенствованный, с увеличенной зоной несущей нагрузки и оптимизированными краевыми переходами. |
| 7010CPA | С = Необслуживаемые концы стержней, внутренняя резьба. |
| 7010 BDT | BD = Модифицированная внутренняя конструкция, угол контакта α = 30 градусов, без отверстия для заполнения. |
| 7010 CDT | С = Необслуживаемые концы стержней, внутренняя резьба. |
| 7010 CDB | С = Необслуживаемые концы стержней, внутренняя резьба. |
| 7010 BDF | B = 40 градусов угол контакта. DF = Два однорядных радиальных шарикоподшипника, однорядных радиально-упорных шарикоподшипника или однорядных конических роликоподшипника, согласованные для монтажа по Х-образной схеме. |
| 7010 ADB | A = Модифицированная внутренняя конструкция. DB = два однорядных радиальных шарикоподшипника, однорядные радиально-упорные шарикоподшипники или однорядные конические роликовые подшипники, подходящие для монтажа в расположении друг к другу. |
| 7010 CDF | Комплект подшипников расположенных лицом к лицу, дуплексная Х-образная пара. |
| 7010 ADT | T = Механически обработанный сепаратор из текстолита, центрируемый по телам качения. |
| 7010 ADF | Комплект подшипников расположенных лицом к лицу, дуплексная Х-образная пара. |
| 7010 BDB | B = 40 градусов угол контакта. DB = два однорядных радиальных шарикоподшипника, однорядные радиально-упорные шарикоподшипники или однорядные конические роликовые подшипники, подходящие для монтажа в расположении друг за другом. |
| 7010 C-UD | С = Необслуживаемые концы стержней, внутренняя резьба. |
| 7010 C-UX | С = Необслуживаемые концы стержней, внутренняя резьба. |
| 7010 B-UD | D = профиль наружного кольца, усовершенствованный, с увеличенной зоной несущей нагрузки и оптимизированными краевыми переходами. |
| 7010 B-UO | B = однокомпонентное ребристое внутреннее кольцо. |
| 7010CTRSU | С = Необслуживаемые концы стержней, внутренняя резьба. |
| 7010 B-UX | X = Внешние размеры, соответствующие международным стандартам. |
| 7010 A-UO | A = внутренняя модификация конструкции. |
| 7010 C-UO | С = Необслуживаемые концы стержней, внутренняя резьба. |
| 7010 A-UX | A = внутренняя модификация конструкции. |
| 7010 A-UD | A = внутренняя модификация конструкции. |
| 7010CVUJ74 | J = Сепаратор стальной штампованный незакалённый. Сорт стали 7. |
| 7010HVUJ74 | J = Сепаратор стальной штампованный незакалённый. Сорт стали 7. |
| 7010A5TRSU | Угол контакта 25 градусов. |
| 7010 ATBP4 | ТВ = текстолитовый сепаратор, центрируемый по внутреннему кольцу. |
| 7010 CTBP4 | ТВ = текстолитовый сепаратор, центрируемый по внутреннему кольцу. |
| S7010 FW/HC | С = Необслуживаемые концы стержней, внутренняя резьба. |
| 7010HVDUJ74 | DU = (RS1-SKF) = Уплотнительное контактное уплотнение из акрилонитрил-бутадиеновой резины (NBR) из листовой стали на одной стороне подшипника. |
| 7010UG/GNP4 | GN = нормальная предварительная нагрузка. P = Литой сепаратор из стеклонаполненного полиамида 6,6, центрируемый по телам качения. |
| 7010 CB/P4A | P4 = Точность размеров и вращения соответствуют классу точности 4 ISO. |
| 7010 CD/P4A | CD = 15 градусов угол контакта. P4 = Точность размеров и вращения соответствуют классу точности 4 ISO. |
| 7010CG/GNP4 | GN = нормальная предварительная нагрузка. P = Литой сепаратор из стеклонаполненного полиамида 6,6, центрируемый по телам качения. |
| 3NC 7010 FT | T = Механически обработанный сепаратор из текстолита, центрируемый по телам качения. |
| 7010 CE/P4A | P4 = Точность размеров и вращения соответствуют классу точности 4 ISO. |
| 7010CDFC2P5 | P5 = Подшипники 5-го класса точности DIN |
| 7010CVDUJ74 | DU = (RS1-SKF) = Уплотнительное контактное уплотнение из акрилонитрил-бутадиеновой резины (NBR) из листовой стали на одной стороне подшипника. |
| S7010 CD/P4A | CD = 15 градусов угол контакта. P4 = Точность размеров и вращения соответствуют классу точности 4 ISO. |
| 7010UG/GMP42 | М = Механически обработанный латунный сепаратор, центрируемый по телам качения. P4 = Точность размеров и вращения соответствуют классу точности 4 ISO. |
| 7010 CD/P4AH | CD = 15 градусов угол контакта. P4 = Точность размеров и вращения соответствуют классу точности 4 ISO. |
| 7010 CB/P4AL | P4 = Точность размеров и вращения соответствуют классу точности 4 ISO. |
| 7010 ACE/P4A | AC = Угол контакта 25 градусов. |
| 7010CDB/GNP5 | GN = нормальная предварительная нагрузка. P = Литой сепаратор из стеклонаполненного полиамида 6,6, центрируемый по телам качения. |
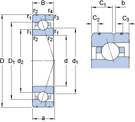
Габаритные размеры
Размеры и геометрические характеристики
Нагрузка и ресурс
Коэффициенты для расчета
Присоединительные размеры
Конструкция и исполнение
Прочие характеристики
Однорядный цилиндрический роликовый подшипник NU1010 ECP (SKF)
радиальный шарикоподшипник из нержавеющей стали W 6010 (SKF)
радиальный шарикоподшипник из нержавеющей стали W 6010-2Z (SKF)
Подшипник шариковый из нержавеющей стали W 6010-2RS1 (SKF)
радиальный шарикоподшипник из нержавеющей стали W 6010-2RZ (SKF)