Главная > Цилиндрические>NUP2309 E.TVP3

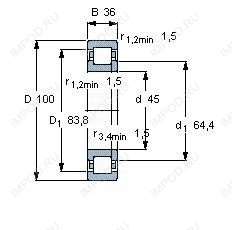
NUP2309 E.TVP3 — Однорядный цилиндрический роликовый подшипник, импортное производство по ISO стандарту, размер 45x100x36 номер основного исполнения 2309.
Производится брендами: FAG, NKE.
Однорядный цилиндрический роликоподшипник. Наружное кольцо имеет два борта, внутреннее — один борт и одно свободное фланцевое кольцо. Основные размеры по DIN 5412-1, относится к подтипу фиксированные подшипники, разъемные, с сепаратором.
E = Увеличенная грузоподъемность. TVP = (сегментная сепаратор, код P) = сплошная оконная сепаратор из армированного стекловолокном полиамида PA66. Катание на роликах.
Цена от:2 002 р.
Цена на подшипник зависит от:
| Обозначение | Модификация |
|---|---|
| 2309 | Основное конструктивное исполнение. |
| 2309S | S = смазочный паз и три отверстия в наружном кольце подшипника. |
| NJ2309 | Однорядный цилиндрический роликоподшипник. Наружное кольцо имеет два борта, наружное — один борт. |
| NU2309 | Однорядный цилиндрический роликоподшипник. Наружное кольцо подшипника имеет два борта, а внутреннее кольцо бортов не имеет. |
| N 2309 | Однорядный цилиндрический роликоподшипник. Внутреннее кольцо подшипника имеет два борта, наружное — без бортов. |
| N2309E | Однорядный цилиндрический роликоподшипник. Внутреннее кольцо подшипника имеет два борта, наружное — без бортов. Е = Увеличенная грузоподъемность. |
| NF2309 | Внутреннем кольце с двойным фланцем, внешнее с одним. |
| NH2309 | |
| 2309-K | К = Коническая посадка, конусность 1:12. |
| 2309SK | S = смазочная канавка и три отверстия в наружном кольце подшипника. K = коническое отверстие, конус 1:12. |
| NUP2309 | Однорядный цилиндрический роликоподшипник. Наружное кольцо имеет два борта, внутреннее — один борт и одно свободное фланцевое кольцо. Основные размеры по DIN 5412-1, относится к подтипу фиксированные подшипники, разъемные, с сепаратором. |
| 2309G15 | G15 = Формованная литьевая клетка из армированного стекловолокном полиамида 6,6, с вращающимся элементом по центру. |
| NJ2309R | Однорядный цилиндрический роликоподшипник. Наружное кольцо имеет два борта, наружное — один борт. R = Наружное кольцо с фланцем . |
| NU2309R | Однорядный цилиндрический роликоподшипник. Наружное кольцо подшипника имеет два борта, а внутреннее кольцо бортов не имеет. R = Наружное кольцо с фланцем . |
| 2309-2RS | Резиновые уплотнения с каждой стороны подшипника. |
| NUP2309R | Однорядный цилиндрический роликоподшипник. Наружное кольцо имеет два борта, внутреннее — один борт и одно свободное фланцевое кольцо. Основные размеры по DIN 5412-1, относится к подтипу фиксированные подшипники, разъемные, с сепаратором. R = Наружное кольцо с фланцем . |
| 2309KG15 | G15 = Формованная литьевая клетка из армированного стекловолокном полиамида 6,6, с вращающимся элементом по центру. |
| NH2309 E | Е = Увеличенная грузоподъемность. |
| 2309 TVH | TV = Твердая клетка из армированного стекловолокном полиамида, шариковая езда. |
| 2309 TN9 | TN = Полиамидная клетка. |
| 2309ETN9 | E = Оптимизированный внутренний дизайн. TN9 = литая защелкивающаяся клетка из полиамида 6,6, армированного стекловолокном, с шариковой центрировкой. |
| 2309EKTN9 | E = Увеличенная грузоподъемность. K = коническое отверстие, конус 1:12. TN9 = литая защелкивающаяся клетка из полиамида 6,6, армированного стекловолокном, с шариковой центрировкой. |
| NJ 2309 E | Однорядный цилиндрический роликоподшипник. Наружное кольцо имеет два борта, наружное — один борт. Е = Увеличенная грузоподъемность. |
| NJ2309-VH | Однорядный цилиндрический роликоподшипник. Наружное кольцо имеет два борта, наружное — один борт. V = Увеличенная грузоподъемность, внутренняя модификация конструкции. |
| NJ2309 ET | Однорядный цилиндрический роликоподшипник. Наружное кольцо имеет два борта, наружное — один борт. E = Увеличенная грузоподъемность. T = Клетка из армированного стекловолокном полиамида. |
| 2309 2RSK | Резиновые уплотнения с каждой стороны подшипника. |
| NJ2309 EM | Однорядный цилиндрический роликоподшипник. Наружное кольцо имеет два борта, наружное — один борт. E = Увеличенная грузоподъемность. М = Механически обработанный латунный сепаратор, центрируемый по роликам. |
| 2309 KTN9 | K = коническое отверстие, конус 1:12. T = Литая защелкивающаяся сепаратор из армированного стекловолокном полиамида. |
| NJF2309 V | V = Увеличенная грузоподъемность, внутренняя модификация конструкции. |
| NU 2309 E | Однорядный цилиндрический роликоподшипник. Наружное кольцо подшипника имеет два борта, а внутреннее кольцо бортов не имеет. Е = Увеличенная грузоподъемность. |
| NU2309 ET | Однорядный цилиндрический роликоподшипник. Наружное кольцо подшипника имеет два борта, а внутреннее кольцо бортов не имеет. E = Увеличенная грузоподъемность. T = Клетка из армированного стекловолокном полиамида. |
| NU2309 EM | Однорядный цилиндрический роликоподшипник. Наружное кольцо подшипника имеет два борта, а внутреннее кольцо бортов не имеет. E = Увеличенная грузоподъемность. М = Механически обработанный латунный сепаратор, центрируемый по роликам. |
| 2309EEG15 | E = Увеличенная грузоподъемность. G15 = Формованная литьевая клетка из армированного стекловолокном полиамида 6,6, с вращающимся элементом по центру. |
| NUP 2309 E | Однорядный цилиндрический роликоподшипник. Наружное кольцо имеет два борта, внутреннее — один борт и одно свободное фланцевое кольцо. Основные размеры по DIN 5412-1, относится к подтипу фиксированные подшипники, разъемные, с сепаратором. Е = Увеличенная грузоподъемность. |
| NUP2309 ET | Однорядный цилиндрический роликоподшипник. Наружное кольцо имеет два борта, внутреннее — один борт и одно свободное фланцевое кольцо. Основные размеры по DIN 5412-1, относится к подтипу фиксированные подшипники, разъемные, с сепаратором. E = Увеличенная грузоподъемность. T = Клетка из армированного стекловолокном полиамида. |
| NUP2309 EM | Однорядный цилиндрический роликоподшипник. Наружное кольцо имеет два борта, внутреннее — один борт и одно свободное фланцевое кольцо. Основные размеры по DIN 5412-1, относится к подтипу фиксированные подшипники, разъемные, с сепаратором. E = Увеличенная грузоподъемность. М = Механически обработанный латунный сепаратор, центрируемый по роликам. |
| NJ2309EG15 | Однорядный цилиндрический роликоподшипник. Наружное кольцо имеет два борта, наружное — один борт. E = Увеличенная грузоподъемность. G15 = Формованная литьевая клетка из армированного стекловолокном полиамида 6,6, с вращающимся элементом по центру. |
| NJ2309 EMA | Однорядный цилиндрический роликоподшипник. Наружное кольцо имеет два борта, наружное — один борт. E = d ≤65 мм,два стальных сепаратора оконного типа, внутреннее кольцо без фланца и направляющая по центру внутреннего кольца. MA = массивный латунный сепаратор, центрирование по наружному кольцу. |
| NJ2309E/97 | Однорядный цилиндрический роликоподшипник. Наружное кольцо имеет два борта, наружное — один борт. Е = Увеличенная грузоподъемность. |
| NU2309EG15 | Однорядный цилиндрический роликоподшипник. Наружное кольцо подшипника имеет два борта, а внутреннее кольцо бортов не имеет. E = Увеличенная грузоподъемность. G15 = Формованная литьевая клетка из армированного стекловолокном полиамида 6,6, с вращающимся элементом по центру. |
| NUP2309 ECP | Однорядный цилиндрический роликоподшипник. Наружное кольцо имеет два борта, внутреннее — один борт и одно свободное фланцевое кольцо. Основные размеры по DIN 5412-1, относится к подтипу фиксированные подшипники, разъемные, с сепаратором. ЕС = эксцентриковый фиксатор воротника с утопленным внутренним кольцом на одной стороне. |
| UK209+H2309 | H = высокая, узкая каретка для двухрядного шарикоподшипника и направляющей в сборе. |
| UK309+H2309 | H = высокая, узкая каретка для двухрядного шарикоподшипника и направляющей в сборе. |
| UKX09+H2309 | H = высокая, узкая каретка для двухрядного шарикоподшипника и направляющей в сборе. |
| 2309-2RSTN9 | 2RS = резиновые уплотнения с каждой стороны подшипника. Т = TVH = сепаратор из полиамида . |
| NJG 2309 VH | V = Увеличенная грузоподъемность, внутренняя модификация конструкции. |
| NJ2309-E-MPA | Однорядный цилиндрический роликоподшипник. Наружное кольцо имеет два борта, наружное — один борт. MPA = Механически обработанный латунный сепаратор. |
| 2309 2RS.TVH | 2RS = резиновые уплотнения с каждой стороны подшипника. Т = TVH = сепаратор из полиамида . |
| 2309 ETN9.C3 | E = набор усиленных шаров. TN9 = литая защелкивающаяся клетка из упрочненного стекловолокном полиамида 66, сфокусированная на шарике. C3 = Радиальный внутренний зазор больше, чем обычно. |
| 2309-K+H2309 | K = коническое отверстие, конус 1:12. H = высокая, узкая каретка для двухрядного шарикоподшипника и направляющей в сборе. |
Габаритные размеры
Размеры и геометрические характеристики
Нагрузка и ресурс
Защита
Присоединительные размеры
Конструкция и исполнение
Подшипник роликовый сферический 22309 (FBJ, IBC, ISB)
Подшипник роликовый радиальный 62309
Подшипник шариковый радиальный сферический двухрядный с цилиндрическим отверстием внутреннего кольца 1609
Подшипник роликовый сферический 22309 E.C3 (IBC)
Подшипник роликовый сферический 22309 E1.C3 (IBC)