Главная > Цилиндрические>NUP2306 E.TVP3.C3

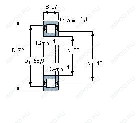
NUP2306 E.TVP3.C3 — Однорядный цилиндрический роликовый подшипник, импортное производство по ISO стандарту, размер 30x72x27 номер основного исполнения 2306.
Производитель: FAG.
Однорядный цилиндрический роликоподшипник. Наружное кольцо имеет два борта, внутреннее — один борт и одно свободное фланцевое кольцо. Основные размеры по DIN 5412-1, относится к подтипу фиксированные подшипники, разъемные, с сепаратором.
E = Увеличенная грузоподъемность. TVP = (сегментная сепаратор, код P) = сплошная оконная сепаратор из армированного стекловолокном полиамида PA66. Катание на роликах.
Цена от:1 480 р.
Цена на подшипник зависит от:
| Обозначение | Модификация |
|---|---|
| 2306 | Основное конструктивное исполнение. |
| 2306S | S = смазочный паз и три отверстия в наружном кольце подшипника. |
| 2306 K | К = Коническая посадка, конусность 1:12. |
| NJ2306 | Однорядный цилиндрический роликоподшипник. Наружное кольцо имеет два борта, наружное — один борт. |
| NU2306 | Однорядный цилиндрический роликоподшипник. Наружное кольцо подшипника имеет два борта, а внутреннее кольцо бортов не имеет. |
| 2306SK | S = смазочная канавка и три отверстия в наружном кольце подшипника. K = коническое отверстие, конус 1:12. |
| N 2306 | Однорядный цилиндрический роликоподшипник. Внутреннее кольцо подшипника имеет два борта, наружное — без бортов. |
| N2306E | Однорядный цилиндрический роликоподшипник. Внутреннее кольцо подшипника имеет два борта, наружное — без бортов. Е = Увеличенная грузоподъемность. |
| NF2306 | Внутреннем кольце с двойным фланцем, внешнее с одним. |
| NH2306 | |
| NJ2306R | Однорядный цилиндрический роликоподшипник. Наружное кольцо имеет два борта, наружное — один борт. R = Наружное кольцо с фланцем . |
| NU2306R | Однорядный цилиндрический роликоподшипник. Наружное кольцо подшипника имеет два борта, а внутреннее кольцо бортов не имеет. R = Наружное кольцо с фланцем . |
| NUP2306 | Однорядный цилиндрический роликоподшипник. Наружное кольцо имеет два борта, внутреннее — один борт и одно свободное фланцевое кольцо. Основные размеры по DIN 5412-1, относится к подтипу фиксированные подшипники, разъемные, с сепаратором. |
| NU2306F | Однорядный цилиндрический роликоподшипник. Наружное кольцо подшипника имеет два борта, а внутреннее кольцо бортов не имеет. Механически обработанный сепаратор из стали или чугуна, центрируемый по телам качения. |
| NH2306 E | Е = Увеличенная грузоподъемность. |
| 2306 TVH | TV = Твердая клетка из армированного стекловолокном полиамида, шариковая езда. |
| 2306-2RS | Резиновые уплотнения с каждой стороны подшипника. |
| NUP2306R | Однорядный цилиндрический роликоподшипник. Наружное кольцо имеет два борта, внутреннее — один борт и одно свободное фланцевое кольцо. Основные размеры по DIN 5412-1, относится к подтипу фиксированные подшипники, разъемные, с сепаратором. R = Наружное кольцо с фланцем . |
| NJ 2306 E | Однорядный цилиндрический роликоподшипник. Наружное кольцо имеет два борта, наружное — один борт. Е = Увеличенная грузоподъемность. |
| NJ2306 EM | Однорядный цилиндрический роликоподшипник. Наружное кольцо имеет два борта, наружное — один борт. E = Увеличенная грузоподъемность. М = Механически обработанный латунный сепаратор, центрируемый по роликам. |
| NJ2306 ET | Однорядный цилиндрический роликоподшипник. Наружное кольцо имеет два борта, наружное — один борт. E = Увеличенная грузоподъемность. T = Клетка из армированного стекловолокном полиамида. |
| NJ2306-VH | Однорядный цилиндрический роликоподшипник. Наружное кольцо имеет два борта, наружное — один борт. V = Увеличенная грузоподъемность, внутренняя модификация конструкции. |
| NJF2306 V | V = Увеличенная грузоподъемность, внутренняя модификация конструкции. |
| NU 2306 E | Однорядный цилиндрический роликоподшипник. Наружное кольцо подшипника имеет два борта, а внутреннее кольцо бортов не имеет. Е = Увеличенная грузоподъемность. |
| NU2306 ET | Однорядный цилиндрический роликоподшипник. Наружное кольцо подшипника имеет два борта, а внутреннее кольцо бортов не имеет. E = Увеличенная грузоподъемность. T = Клетка из армированного стекловолокном полиамида. |
| 2306EEG15 | E = Увеличенная грузоподъемность. G15 = Формованная литьевая клетка из армированного стекловолокном полиамида 6,6, с вращающимся элементом по центру. |
| 2306 2RSK | Резиновые уплотнения с каждой стороны подшипника. |
| NJ2306EG15 | Однорядный цилиндрический роликоподшипник. Наружное кольцо имеет два борта, наружное — один борт. E = Увеличенная грузоподъемность. G15 = Формованная литьевая клетка из армированного стекловолокном полиамида 6,6, с вращающимся элементом по центру. |
| NJ2306 EMA | Однорядный цилиндрический роликоподшипник. Наружное кольцо имеет два борта, наружное — один борт. E = d ≤65 мм,два стальных сепаратора оконного типа, внутреннее кольцо без фланца и направляющая по центру внутреннего кольца. MA = массивный латунный сепаратор, центрирование по наружному кольцу. |
| 2306 TV.C3 | TV = Твердая клетка из армированного стекловолокном полиамида, шариковая езда. C3 = Радиальный внутренний зазор больше, чем обычно. |
| NU2306F/C3 | Однорядный цилиндрический роликоподшипник. Наружное кольцо подшипника имеет два борта, а внутреннее кольцо бортов не имеет. C3 = Радиальный внутренний зазор больше нормального. |
| NU2306EG15 | Однорядный цилиндрический роликоподшипник. Наружное кольцо подшипника имеет два борта, а внутреннее кольцо бортов не имеет. E = Увеличенная грузоподъемность. G15 = Формованная литьевая клетка из армированного стекловолокном полиамида 6,6, с вращающимся элементом по центру. |
| NUP 2306 E | Однорядный цилиндрический роликоподшипник. Наружное кольцо имеет два борта, внутреннее — один борт и одно свободное фланцевое кольцо. Основные размеры по DIN 5412-1, относится к подтипу фиксированные подшипники, разъемные, с сепаратором. Е = Увеличенная грузоподъемность. |
| NUP2306 ET | Однорядный цилиндрический роликоподшипник. Наружное кольцо имеет два борта, внутреннее — один борт и одно свободное фланцевое кольцо. Основные размеры по DIN 5412-1, относится к подтипу фиксированные подшипники, разъемные, с сепаратором. E = Увеличенная грузоподъемность. T = Клетка из армированного стекловолокном полиамида. |
| NJ2306 ECP | Однорядный цилиндрический роликоподшипник. Наружное кольцо имеет два борта, наружное — один борт. ЕС = эксцентриковый фиксатор воротника с утопленным внутренним кольцом на одной стороне. |
| NJ2306E.TVP | Однорядный цилиндрический роликоподшипник. Наружное кольцо имеет два борта, наружное — один борт. E = Увеличенная грузоподъемность. TVP = (сегментная сепаратор, код P) = сплошная оконная сепаратор из армированного стекловолокном полиамида PA66. Катание на роликах. |
| 2306 TVH.C3 | C3 = Радиальный внутренний зазор больше нормального. |
| 1606 (2306) | |
| UK206+H2306 | H = высокая, узкая каретка для двухрядного шарикоподшипника и направляющей в сборе. |
| UK306+H2306 | H = высокая, узкая каретка для двухрядного шарикоподшипника и направляющей в сборе. |
| UKX06+H2306 | H = высокая, узкая каретка для двухрядного шарикоподшипника и направляющей в сборе. |
| 2306K+H2306 | K = коническое отверстие, конус 1:12. H = высокая, узкая каретка для двухрядного шарикоподшипника и направляющей в сборе. |
| NU2306FM/C3 | Однорядный цилиндрический роликоподшипник. Наружное кольцо подшипника имеет два борта, а внутреннее кольцо бортов не имеет. M = Цельный латунный сепаратор, с шариковой направляющей. C3 = Радиальный внутренний зазор подшипника больше, чем обычно. |
| 2306-2RSTN9 | 2RS = резиновые уплотнения с каждой стороны подшипника. Т = TVH = сепаратор из полиамида . |
| NJ2306-E-MPA | Однорядный цилиндрический роликоподшипник. Наружное кольцо имеет два борта, наружное — один борт. MPA = Механически обработанный латунный сепаратор. |
| NU2306-E-MPA | Однорядный цилиндрический роликоподшипник. Наружное кольцо подшипника имеет два борта, а внутреннее кольцо бортов не имеет. MPA = Механически обработанный латунный сепаратор. |
| 2306-2RS-TVH | 2RS = резиновые уплотнения с каждой стороны подшипника. Т = TVH = сепаратор из полиамида . |
| NUP2306E.TVP | Однорядный цилиндрический роликоподшипник. Наружное кольцо имеет два борта, внутреннее — один борт и одно свободное фланцевое кольцо. Основные размеры по DIN 5412-1, относится к подтипу фиксированные подшипники, разъемные, с сепаратором. E = Увеличенная грузоподъемность. TVP = (сегментная сепаратор, код P) = сплошная оконная сепаратор из армированного стекловолокном полиамида PA66. Катание на роликах. |
| NU2306 E.TVP3 | Однорядный цилиндрический роликоподшипник. Наружное кольцо подшипника имеет два борта, а внутреннее кольцо бортов не имеет. E = Увеличенная грузоподъемность. TVP = (сегментная сепаратор, код P) = сплошная оконная сепаратор из армированного стекловолокном полиамида PA66. Катание на роликах. |
| NU2306 ECP.C3 | Однорядный цилиндрический роликоподшипник. Наружное кольцо подшипника имеет два борта, а внутреннее кольцо бортов не имеет. EC = Оптимизированная внутренняя конструкция, включающая больше и / или более крупные ролики и с модифицированным роликовым / концевым фланцевым контактом. P = Формованная литьем сепаратор из армированного стекловолокном полиамида 6,6, по центру ролика. C3 = Радиальный внутренний зазор больше, чем обычно. |
| Техника | Модель | Агрегат | |
|---|---|---|---|
| Skoda | 100 1969-1977 | Подвеска и Рулевое | Ступица задних колес VKBA 709 |
| Skoda | 100 1970-1977 | Подвеска и Рулевое | Ступица задних колес VKBA 709 |
| Skoda | 100 L 1969-1977 | Подвеска и Рулевое | Ступица задних колес VKBA 709 |
| Skoda | 105 1976-1990 | Подвеска и Рулевое | Ступица задних колес VKBA 709 |
| Skoda | 105 L 1977-1989 | Подвеска и Рулевое | Ступица задних колес VKBA 709 |
| Skoda | 105 S 1977-1989 | Подвеска и Рулевое | Ступица задних колес VKBA 709 |
| Skoda | 110 1969-1982 | Подвеска и Рулевое | Ступица задних колес VKBA 709 |
| Skoda | 110 L 1969-1977 | Подвеска и Рулевое | Ступица задних колес VKBA 709 |
| Skoda | 110 LS 1969-1977 | Подвеска и Рулевое | Ступица задних колес VKBA 709 |
| Skoda | 120 1976-1990 | Подвеска и Рулевое | Ступица задних колес VKBA 709 |
| Skoda | 120 GLS 1977-1989 | Подвеска и Рулевое | Ступица задних колес VKBA 709 |
| Skoda | 120 L 1977-1989 | Подвеска и Рулевое | Ступица задних колес VKBA 709 |
| Skoda | 120 LS 1977-1989 | Подвеска и Рулевое | Ступица задних колес VKBA 709 |
| Skoda | 130 1985-1991 | Подвеска и Рулевое | Ступица задних колес VKBA 709 |
Габаритные размеры
Конструкция и исполнение
Подшипник роликовый радиальный 62306
Подшипник шариковый радиальный 4-306 (ГПЗ-3)
Подшипник однорядный шариковый радиальный 62306 2RSR (FAG)
Подшипник шариковый радиальный однорядный с односторонним уплотнением 160606
Подшипник шариковый радиальный однорядный с двухсторонним уплотнением 180606
Подшипник шариковый радиальный 180606 АС17