Главная > Цилиндрические>NJ207 E.TVR2

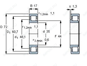
NJ207 E.TVR2 — импортное производство по ISO стандарту, размер 35x72x17 номер основного исполнения 207.
Производитель: FAG.
Однорядный цилиндрический роликоподшипник. Наружное кольцо имеет два борта, наружное — один борт.
E = Увеличенная грузоподъемность. T = Клетка из армированного стекловолокном полиамида.
Цена от:2 043 р.
Цена на подшипник зависит от:
| Обозначение | Модификация |
|---|---|
| Q207 | |
| N207 | Однорядный цилиндрический роликоподшипник. Внутреннее кольцо подшипника имеет два борта, наружное — без бортов. |
| SA207 | |
| EX207 | |
| US207 | |
| SB207 | |
| FD207 | |
| NJ207 | Однорядный цилиндрический роликоподшипник. Наружное кольцо имеет два борта, наружное — один борт. |
| NU207 | Однорядный цилиндрический роликоподшипник. Наружное кольцо подшипника имеет два борта, а внутреннее кольцо бортов не имеет. |
| NH207 | |
| B 207 | |
| CS207 | |
| UC207 | |
| NA207 | Игольчатый роликоподшипник с размерами по ISO 15. |
| RB207 | |
| QJ207 | Шарикоподшипник с четырехточечным контактом. |
| ER207 | |
| ES207 | |
| UK207 | |
| YET207 | |
| NU207K | Однорядный цилиндрический роликоподшипник. Наружное кольцо подшипника имеет два борта, а внутреннее кольцо бортов не имеет. К = Коническая посадка, конусность 1:12. |
| NU207R | Однорядный цилиндрический роликоподшипник. Наружное кольцо подшипника имеет два борта, а внутреннее кольцо бортов не имеет. R = Наружное кольцо с фланцем . |
| N207 E | Однорядный цилиндрический роликоподшипник. Внутреннее кольцо подшипника имеет два борта, наружное — без бортов. Е = Увеличенная грузоподъемность. |
| BNT207 | |
| BL 207 | |
| NF 207 | Внутреннем кольце с двойным фланцем, внешнее с одним. |
| NF207E | Внутреннем кольце с двойным фланцем, внешнее с одним. Е = Увеличенная грузоподъемность. |
| 6 -207 | |
| QJF207 | |
| MUC207 | Подшипник из нержавеющей стали для подшипникового узла из термопласта, внутреннее кольцо вытянуто с обеих сторон, крепится на вал с помощью установочных винтов, уплотнения с обеих сторон. |
| CEX207 | Наружное цилиндрическое кольцо имеет канавку под стопор для фиксации по оси, есть смазочное отверстие, не для применения в корпусах со сферическим посадочным местом подшипника. |
| SUC207 | Вкладыш из нержавеющей стали для термопластичного подшипникового узла, внутреннее кольцо расширено с обеих сторон, крепится на вал с помощью винтов, уплотнения с обеих сторон. |
| W207PP | P = Литой сепаратор из стеклонаполненного полиамида 6,6, центрируемый по телам качения. |
| CES207 | Цилиндрическое наружное кольцо с канавкой под стопорне кольцо для осевой фиксации, без возможности повторного смазывания, не предназначено для использования в стандартных корпусах со сферическим посадочным местом. |
| CUC207 | Цилиндрическая наружняя обойма с канавкой под стопорное кольцо для осевой фиксации, отверстие для смазки не предназначено для использования в стандартных корпусах со сферическим посадочным местом подшипника. |
| RUS207 | |
| NJ207R | Однорядный цилиндрический роликоподшипник. Наружное кольцо имеет два борта, наружное — один борт. R = Наружное кольцо с фланцем . |
| CUS207 | Цилиндрическое наружное кольцо с канавкой под стопор для осевой фиксации, без возможности повторной смазки, не для использования в стандартных корпусах со сферическим посадочным отверстием. |
| NUP207 | Однорядный цилиндрический роликоподшипник. Наружное кольцо имеет два борта, внутреннее — один борт и одно свободное фланцевое кольцо. Основные размеры по DIN 5412-1, относится к подтипу фиксированные подшипники, разъемные, с сепаратором. |
| NP 207 | |
| SA207F | Механически обработанный сепаратор из стали или чугуна, центрируемый по телам качения. |
| BXRE207 | Е = Увеличенная грузоподъемность. |
| UK207L3 | L = массивный сепаратор из лёгкого сплава. |
| ES207G2 | G2 = установка с нормальным преднатягом. |
| UK207+H | H = высокая, узкая каретка для двухрядного шарикоподшипника и направляющей в сборе. |
| ASS207N | N = Канавка под стопорное кольцо в наружном кольце |
| NU207EM | Однорядный цилиндрический роликоподшипник. Наружное кольцо подшипника имеет два борта, а внутреннее кольцо бортов не имеет. E = Увеличенная грузоподъемность. М = Механически обработанный латунный сепаратор, центрируемый по роликам. |
| NU207EK | Однорядный цилиндрический роликоподшипник. Наружное кольцо подшипника имеет два борта, а внутреннее кольцо бортов не имеет. К = Коническая посадка, конусность 1:12. |
| EX207G2 | G2 = установка с нормальным преднатягом. |
| AS207D1 | D1 = (Смазка сегмента, код W33) = Смазочная канавка и три отверстия в наружном кольце подшипника. Начиная с = D320 Суффикс D1 не используется. |
Габаритные размеры
Конструкция и исполнение
Подшипник роликовый сферический 20207 (FAG, ISO, SIGMA)
Подшипник шариковый радиальный сферический двухрядный с цилиндрическим отверстием внутреннего кольца 1207
Подшипник роликовый радиальный с короткими цилиндрическими роликами без бортов на наружном кольце 2207 (ГПЗ-10)
Подшипник шариковый радиальный однорядный с двухсторонним уплотнением 180207
Подшипник шариковый радиально-упорный однорядный с разъемным внутренним кольцом с трехточечным контактом 126207
Подшипник шариковый радиально-упорный однорядный неразъемный со скосом на наружном кольце 36207 (ГПЗ-23)