Главная > Цилиндрические>N315 ECP.C3

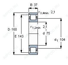
N315 ECP.C3 — Однорядный цилиндрический роликовый подшипник, импортное производство по ISO стандарту, размер 75x160x37 номер основного исполнения 315.
Производитель: FAG.
Однорядный цилиндрический роликоподшипник. Внутреннее кольцо подшипника имеет два борта, наружное — без бортов.
EC = Оптимизированная внутренняя конструкция, включающая больше и / или более крупные ролики и с модифицированным роликовым / концевым фланцевым контактом. P = Формованная литьем сепаратор из армированного стекловолокном полиамида 6,6, по центру ролика. C3 = Радиальный внутренний зазор больше, чем обычно.
Цена от:6 395 р.
Цена на подшипник зависит от:
| Обозначение | Модификация |
|---|---|
| N315 | Однорядный цилиндрический роликоподшипник. Внутреннее кольцо подшипника имеет два борта, наружное — без бортов. |
| Q315 | |
| UK315 | |
| QJ315 | Шарикоподшипник с четырехточечным контактом. |
| NJ315 | Однорядный цилиндрический роликоподшипник. Наружное кольцо имеет два борта, наружное — один борт. |
| EX315 | |
| NU315 | Однорядный цилиндрический роликоподшипник. Наружное кольцо подшипника имеет два борта, а внутреннее кольцо бортов не имеет. |
| NH315 | |
| UC315 | |
| NP 315 | |
| NU315T | Однорядный цилиндрический роликоподшипник. Наружное кольцо подшипника имеет два борта, а внутреннее кольцо бортов не имеет. T = Механически обработанный сепаратор из текстолита, центрируемый по телам качения. |
| NU315R | Однорядный цилиндрический роликоподшипник. Наружное кольцо подшипника имеет два борта, а внутреннее кольцо бортов не имеет. R = Наружное кольцо с фланцем . |
| W315PP | P = Литой сепаратор из стеклонаполненного полиамида 6,6, центрируемый по телам качения. |
| NUP315 | Однорядный цилиндрический роликоподшипник. Наружное кольцо имеет два борта, внутреннее — один борт и одно свободное фланцевое кольцо. Основные размеры по DIN 5412-1, относится к подтипу фиксированные подшипники, разъемные, с сепаратором. |
| N315 E | Однорядный цилиндрический роликоподшипник. Внутреннее кольцо подшипника имеет два борта, наружное — без бортов. Е = Увеличенная грузоподъемность. |
| BL 315 | |
| NF 315 | Внутреннем кольце с двойным фланцем, внешнее с одним. |
| NJ315R | Однорядный цилиндрический роликоподшипник. Наружное кольцо имеет два борта, наружное — один борт. R = Наружное кольцо с фланцем . |
| NP315 E | Е = Увеличенная грузоподъемность. |
| UK315+H | H = высокая, узкая каретка для двухрядного шарикоподшипника и направляющей в сборе. |
| UK315L3 | L = массивный сепаратор из лёгкого сплава. |
| UK315D1 | D1 = (Смазка сегмента, код W33) = Смазочная канавка и три отверстия в наружном кольце подшипника. Начиная с = D320 Суффикс D1 не используется. |
| W315PP2 | PP = Манжетные уплотнения на обеих сторонах подшипника. |
| NUP315R | Однорядный цилиндрический роликоподшипник. Наружное кольцо имеет два борта, внутреннее — один борт и одно свободное фланцевое кольцо. Основные размеры по DIN 5412-1, относится к подтипу фиксированные подшипники, разъемные, с сепаратором. R = Наружное кольцо с фланцем . |
| EX315G2 | G2 = установка с нормальным преднатягом. |
| NF315 E | Внутреннем кольце с двойным фланцем, внешнее с одним. Е = Увеличенная грузоподъемность. |
| NH315 E | Е = Увеличенная грузоподъемность. |
| NJ315EM | Однорядный цилиндрический роликоподшипник. Наружное кольцо имеет два борта, наружное — один борт. E = Увеличенная грузоподъемность. М = Механически обработанный латунный сепаратор, центрируемый по роликам. |
| UC315D1 | D1 = (Смазка сегмента, код W33) = Смазочная канавка и три отверстия в наружном кольце подшипника. Начиная с = D320 Суффикс D1 не используется. |
| UC315G2 | G2 = установка с нормальным преднатягом. |
| UC315L3 | L = массивный сепаратор из лёгкого сплава. |
| UEL315D1 | D1 = (Смазка сегмента, код W33) = Смазочная канавка и три отверстия в наружном кольце подшипника. Начиная с = D320 Суффикс D1 не используется. |
| NU 315 E | Однорядный цилиндрический роликоподшипник. Наружное кольцо подшипника имеет два борта, а внутреннее кольцо бортов не имеет. Е = Увеличенная грузоподъемность. |
| UK315G2H | G2 = установка с нормальным преднатягом. |
| NUP315EM | Однорядный цилиндрический роликоподшипник. Наружное кольцо имеет два борта, внутреннее — один борт и одно свободное фланцевое кольцо. Основные размеры по DIN 5412-1, относится к подтипу фиксированные подшипники, разъемные, с сепаратором. E = Увеличенная грузоподъемность. М = Механически обработанный латунный сепаратор, центрируемый по роликам. |
| N315 EMB | Однорядный цилиндрический роликоподшипник. Внутреннее кольцо подшипника имеет два борта, наружное — без бортов. E = Увеличенная грузоподъемность. М = Механически обработанный латунный сепаратор, центрируемый по роликам. |
| N315EG15 | Однорядный цилиндрический роликоподшипник. Внутреннее кольцо подшипника имеет два борта, наружное — без бортов. E = Увеличенная грузоподъемность. G15 = Формованная литьевая клетка из армированного стекловолокном полиамида 6,6, с вращающимся элементом по центру. |
| BL 315 Z | Металлический экран с одной стороны. |
| EX315-48 | |
| EX315-47 | |
| NJ 315 E | Однорядный цилиндрический роликоподшипник. Наружное кольцо имеет два борта, наружное — один борт. Е = Увеличенная грузоподъемность. |
| UC315-47 | |
| UC315-48 | |
| UCS315D1 | D1 = (Смазка сегмента, код W33) = Смазочная канавка и три отверстия в наружном кольце подшипника. Начиная с = D320 Суффикс D1 не используется. |
| BL315 ZNR | Стопорное кольцо и проточка под него в наружном кольце подшипника. |
| NJ315 ECJ | Однорядный цилиндрический роликоподшипник. Наружное кольцо имеет два борта, наружное — один борт. EC = Оптимизированная внутренняя конструкция, включающая больше и / или более крупные ролики и с модифицированным контактом ролика / концевого фланца. J = Прессованная стальная клетка, по центру ролика, не закаленная. |
| NUP 315 M | Однорядный цилиндрический роликоподшипник. Наружное кольцо имеет два борта, внутреннее — один борт и одно свободное фланцевое кольцо. Основные размеры по DIN 5412-1, относится к подтипу фиксированные подшипники, разъемные, с сепаратором. M = массивный латунный сепаратор. |
| NU 315 EM | Однорядный цилиндрический роликоподшипник. Наружное кольцо подшипника имеет два борта, а внутреннее кольцо бортов не имеет. E = Увеличенная грузоподъемность. М = Механически обработанный латунный сепаратор, центрируемый по роликам. |
| NU315EG15 | Однорядный цилиндрический роликоподшипник. Наружное кольцо подшипника имеет два борта, а внутреннее кольцо бортов не имеет. E = Увеличенная грузоподъемность. G15 = Формованная литьевая клетка из армированного стекловолокном полиамида 6,6, с вращающимся элементом по центру. |
| NUP 315 E | Однорядный цилиндрический роликоподшипник. Наружное кольцо имеет два борта, внутреннее — один борт и одно свободное фланцевое кольцо. Основные размеры по DIN 5412-1, относится к подтипу фиксированные подшипники, разъемные, с сепаратором. Е = Увеличенная грузоподъемность. |
Габаритные размеры
Конструкция и исполнение
Подшипник роликовый радиально-упорный 32315
Подшипник роликовый радиальный самоцентрирующийся 20315 (FAG, ISO)
Подшипник роликовый сферический 21315 (ISB, NTN, SKF)
Подшипник шариковый радиальный сферический двухрядный с цилиндрическим отверстием внутреннего кольца 1315 (ГПЗ-8)
Подшипник шариковый однорядный радиально-упорный 7315 B.JP (FAG)
Подшипник шариковый однорядный радиально-упорный 7315 B.JP.UA (FAG)