Главная > Подшипники>N 1019

N 1019 — Цилиндрический роликоподшипник, импортное производство по ISO стандарту, размер 95x145x24 номер основного исполнения N1019.
Производится брендами: FBJ, KOYO, NACHI, NTN.
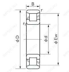
Однорядный цилиндрический роликоподшипник. Внутреннее кольцо подшипника имеет два борта, наружное — без бортов.
Цена от:10 324 р.
Цена на подшипник зависит от:
| Обозначение | Модификация |
|---|---|
| N1019K | Однорядный цилиндрический роликоподшипник. Внутреннее кольцо подшипника имеет два борта, наружное — без бортов. К = Коническая посадка, конусность 1:12. |
| N1019BMR1 | Однорядный цилиндрический роликоподшипник. Внутреннее кольцо подшипника имеет два борта, наружное — без бортов. B = 40 градусов угол контакта. M = обработанный латунный сепаратор, расположенныйна элементах качения. |
| N1019BMR1KR | Однорядный цилиндрический роликоподшипник. Внутреннее кольцо подшипника имеет два борта, наружное — без бортов. B = 40 градусов угол контакта. M = обработанный латунный сепаратор, расположенныйна элементах качения. |
| N1019-K-M1-SP | Однорядный цилиндрический роликоподшипник. Внутреннее кольцо подшипника имеет два борта, наружное — без бортов. M1 = Цельный латунный сепаратор, двухкомпонентная, с роликовыми направляющими. SP = Спецификация, класс допуска SP, радиальный зазор C1. |
| N 1019 KTN9/SP | Однорядный цилиндрический роликоподшипник. Внутреннее кольцо подшипника имеет два борта, наружное — без бортов. TN9 = литая под давлением клетка из армированного стекловолокном полиамида 6,6. SP = Специальный класс точности для подшипников станков: точность размеров приблизительно до P5, точность хода приблизительно до P4. |
| N 1019 KTNHA/SP | Однорядный цилиндрический роликоподшипник. Внутреннее кольцо подшипника имеет два борта, наружное — без бортов. TNH = Пластиковый фиксатор, тип защелки. |
| N 1019 KTN9/HC5SP | Однорядный цилиндрический роликоподшипник. Внутреннее кольцо подшипника имеет два борта, наружное — без бортов. C5 = Радиальный внутренний зазор больше C4. |
| N 1019 KTNHA/HC5SP | Однорядный цилиндрический роликоподшипник. Внутреннее кольцо подшипника имеет два борта, наружное — без бортов. TNH = Пластиковый фиксатор, тип защелки. |
Габаритные размеры
Размеры и геометрические характеристики
Нагрузка и ресурс
Защита
Коэффициенты для расчета
Присоединительные размеры
Конструкция и исполнение
Однорядный цилиндрический роликовый подшипник NU1019 (CX, CYSD, FBJ, ISB, ISO)
Подшипник однорядный шариковый радиальный 6019 (AST, CRAFT, CX, CYSD, FAG)
Подшипник шариковый однорядный радиально-упорный 7019 (CYSD, KOYO, NACHI, NTN, SKF)
Подшипник шариковый радиальный однорядный 119