
609HZZ — импортное производство по ISO стандарту, размер 9x24x7 номер основного исполнения 609.
Производитель: AST.
ZZ = Два металлических экрана.
Цена от:22 р.
Цена на подшипник зависит от:
| Обозначение | Модификация |
|---|---|
| 609 | Основное конструктивное исполнение. |
| S609 | |
| 609J | J = Сепаратор стальной штампованный незакалённый. |
| 609H | H = высокая, узкая каретка для двухрядного шарикоподшипника и направляющей в сборе. |
| F609 | |
| NC609 | |
| 609EE | Е = Увеличенная грузоподъемность. |
| 609ZZ | ZZ = Два металлических экрана. |
| 609DD | DD = резиновые уплотнения на каждой стороне подшипника. |
| SF609 | |
| 609SS | S = смазочный паз и три отверстия в наружном кольце подшипника. |
| F609H | H = высокая, узкая каретка для двухрядного шарикоподшипника и направляющей в сборе. |
| 609-Z | Металлический экран с одной стороны. |
| 609JX2 | X = Внешние размеры, соответствующие международным стандартам. |
| 609LLU | LLU = Резиновые уплотнения на каждой стороне подшипника. |
| 609 VV | V = Увеличенная грузоподъемность, внутренняя модификация конструкции. |
| SS 609 | |
| F609ZZ | ZZ = Два металлических экрана. |
| 609 2Z | 2Z = Металлические шайбы с каждой стороны подшипника. |
| 609-RS | R = Наружное кольцо с фланцем . |
| P609-SB | S (Сегментное уплотнение, код 2L) = кулачковый толкатель, Camrol, герметичная версия. B = шестигранное отверстие ,заменяет шлиц отвертки в конце фланца штока. |
| P609-GB | G = Однорядный радиально-упорный шарикоподшипник для универсального парного монтажа. Два подшипника, установленные по 0-образной или Х-образной схеме, будут иметь определенный осевой зазор в домонтажном состоянии. |
| 609-2RU | Манжетное бесконтактное уплотнение с обеих сторон. |
| S609-2Z | 2Z = Металлические шайбы с каждой стороны подшипника. |
| 609JLLB | LLB = Уплотнение из синтетического каучука бесконтактного типа. |
| 609JX2Z | 2Z = Металлические шайбы с каждой стороны подшипника. |
| 609-RSH | R = Наружное кольцо с фланцем . |
| 609-RSL | R = Наружное кольцо с фланцем . |
| 609 RSR | R = Наружное кольцо с фланцем . |
| 609 2RS | Резиновые уплотнения с каждой стороны подшипника. |
| F609HZZ | ZZ = Два металлических экрана. |
| 609-2RD | R = Наружное кольцо с фланцем . |
| F609-2Z | 2Z = Металлические шайбы с каждой стороны подшипника. |
| S609-2RS | Резиновые уплотнения с каждой стороны подшипника. |
| 609H-2RS | Резиновые уплотнения с каждой стороны подшипника. |
| SF609-2Z | 2Z = Металлические шайбы с каждой стороны подшипника. |
| 609-2RSR | 2RSR = Резиновые уплотнения с каждой стороны подшипника. |
| 609-2RSH | Резиновые уплотнения с каждой стороны подшипника. |
| 609-2RSL | Резиновые уплотнения с каждой стороны подшипника. |
| F609-2RS | Резиновые уплотнения с каждой стороны подшипника. |
| 609JX2LUZ | LU = RS1 (SKF) = шариковый подшипник с трущим уплотнением с одной стороны. Уплотнение обычно состоит из шайбы из листовой стали и прорезиненной ткани. |
| 609JX2LLU | LLU = Резиновые уплотнения на каждой стороне подшипника. |
| SF609-2RS | Резиновые уплотнения с каждой стороны подшипника. |
| SS 609-ZZ | ZZ = Два металлических экрана. |
| 609-ZZ C3 | C3 = Радиальный внутренний зазор больше нормального. |
| E2.609-2Z | Energy Efficient bearings. 2Z = Металлические шайбы с каждой стороны подшипника. |
| F609H-2RS | Резиновые уплотнения с каждой стороны подшипника. |
| 609-2RS C3 | 2RS = Резиновые пыле-влагозащитные уплотнения с каждой стороны подшипника. C3 = Внутренний Зазор Больше Обычного. |
| 609/HR11QN | Q = тихий ход работы подшипника. |
| 609/HR11TN | TN = Полиамидная клетка. |
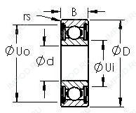
Габаритные размеры
Размеры и геометрические характеристики
Нагрузка и ресурс
Присоединительные размеры
Конструкция и исполнение
Прочие характеристики
Подшипник шариковый радиальный однорядный с односторонним уплотнением 160019
Подшипник шариковый радиальный однорядный с двухсторонним уплотнением 180019 (609 2RS)
Подшипник шариковый радиальный однорядный с двухсторонним уплотнением 180019
Подшипник шариковый радиальный однорядный 19
Подшипник шариковый радиальный 6-19 (ГПЗ-4)
Подшипник шариковый радиальный однорядный с двумя защитными шайбами 6-80019