Главная > Подшипники>NUP2260

NUP2260 — Цилиндрический роликоподшипник, импортное производство по ISO стандарту, размер 300x540x140 номер основного исполнения 2260.
Производится брендами: CX, ISO, NTN.
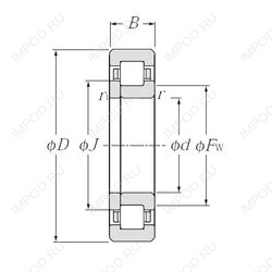
Однорядный цилиндрический роликоподшипник. Наружное кольцо имеет два борта, внутреннее — один борт и одно свободное фланцевое кольцо. Основные размеры по DIN 5412-1, относится к подтипу фиксированные подшипники, разъемные, с сепаратором.
Цена по запросу
Цена на подшипник зависит от:
| Обозначение | Модификация |
|---|---|
| N2260 | Однорядный цилиндрический роликоподшипник. Внутреннее кольцо подшипника имеет два борта, наружное — без бортов. |
| NH2260 | |
| NJ2260 | Однорядный цилиндрический роликоподшипник. Наружное кольцо имеет два борта, наружное — один борт. |
| NU 2260 | Однорядный цилиндрический роликоподшипник. Наружное кольцо подшипника имеет два борта, а внутреннее кольцо бортов не имеет. |
| NU2260-E-M6 | Однорядный цилиндрический роликоподшипник. Наружное кольцо подшипника имеет два борта, а внутреннее кольцо бортов не имеет. E = Увеличенная грузоподъемность. М = Механически обработанный латунный сепаратор, центрируемый по роликам. |
| NU2260-E-MA6 | Однорядный цилиндрический роликоподшипник. Наружное кольцо подшипника имеет два борта, а внутреннее кольцо бортов не имеет. E = d ≤65 мм,два стальных сепаратора оконного типа, внутреннее кольцо без фланца и направляющая по центру внутреннего кольца. MA = массивный латунный сепаратор, центрирование по наружному кольцу. |
| NU2260-EX-M1 | Однорядный цилиндрический роликоподшипник. Наружное кольцо подшипника имеет два борта, а внутреннее кольцо бортов не имеет. X = Внешние размеры, соответствующие международным стандартам. |
| NU2260-EX-TB-M1 | Однорядный цилиндрический роликоподшипник. Наружное кольцо подшипника имеет два борта, а внутреннее кольцо бортов не имеет. B = 40 градусов угол контакта. M = обработанный латунный сепаратор, расположенныйна элементах качения. |
Габаритные размеры
Размеры и геометрические характеристики
Нагрузка и ресурс
Защита
Конструкция и исполнение
Подшипник роликовый сферический 22260 (ISB, SKF)
Подшипник роликовый сферический 22260 CC.C3W33 (SKF)
Подшипник роликовый сферический 22260 K.MB (FAG, SKF)
Подшипник роликовый сферический 22260 MB (FAG, SKF)
Подшипник роликовый сферический 22260 MB.C3 (SKF)
Подшипник роликовый радиальный с короткими цилиндрическими роликами без бортов на наружном кольце 2560