Главная > Цилиндрические>N222 ECP.C3

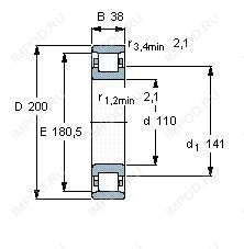
N222 ECP.C3 — Однорядный цилиндрический роликовый подшипник, импортное производство по ISO стандарту, размер 110x200x38 номер основного исполнения 222.
Производитель: FAG.
Однорядный цилиндрический роликоподшипник. Внутреннее кольцо подшипника имеет два борта, наружное — без бортов.
EC = Оптимизированная внутренняя конструкция, включающая больше и / или более крупные ролики и с модифицированным роликовым / концевым фланцевым контактом. P = Формованная литьем сепаратор из армированного стекловолокном полиамида 6,6, по центру ролика. C3 = Радиальный внутренний зазор больше, чем обычно.
Цена от:12 016 р.
Цена на подшипник зависит от:
| Обозначение | Модификация |
|---|---|
| N222 | Однорядный цилиндрический роликоподшипник. Внутреннее кольцо подшипника имеет два борта, наружное — без бортов. |
| Q222 | |
| N222E | Однорядный цилиндрический роликоподшипник. Внутреннее кольцо подшипника имеет два борта, наружное — без бортов. Е = Увеличенная грузоподъемность. |
| NJ222 | Однорядный цилиндрический роликоподшипник. Наружное кольцо имеет два борта, наружное — один борт. |
| NU222 | Однорядный цилиндрический роликоподшипник. Наружное кольцо подшипника имеет два борта, а внутреннее кольцо бортов не имеет. |
| NH222 | |
| QJ222 | Шарикоподшипник с четырехточечным контактом. |
| NU222R | Однорядный цилиндрический роликоподшипник. Наружное кольцо подшипника имеет два борта, а внутреннее кольцо бортов не имеет. R = Наружное кольцо с фланцем . |
| BL 222 | |
| N222EM | Однорядный цилиндрический роликоподшипник. Внутреннее кольцо подшипника имеет два борта, наружное — без бортов. E = Увеличенная грузоподъемность. М = Механически обработанный латунный сепаратор, центрируемый по роликам. |
| NF 222 | Внутреннем кольце с двойным фланцем, внешнее с одним. |
| NUP222 | Однорядный цилиндрический роликоподшипник. Наружное кольцо имеет два борта, внутреннее — один борт и одно свободное фланцевое кольцо. Основные размеры по DIN 5412-1, относится к подтипу фиксированные подшипники, разъемные, с сепаратором. |
| NJ222R | Однорядный цилиндрический роликоподшипник. Наружное кольцо имеет два борта, наружное — один борт. R = Наружное кольцо с фланцем . |
| NP 222 | |
| QJ222M | Шарикоподшипник с четырехточечным контактом. M = массивный латунный сепаратор. |
| NF222 E | Внутреннем кольце с двойным фланцем, внешнее с одним. Е = Увеличенная грузоподъемность. |
| NUP222R | Однорядный цилиндрический роликоподшипник. Наружное кольцо имеет два борта, внутреннее — один борт и одно свободное фланцевое кольцо. Основные размеры по DIN 5412-1, относится к подтипу фиксированные подшипники, разъемные, с сепаратором. R = Наружное кольцо с фланцем . |
| NH222 E | Е = Увеличенная грузоподъемность. |
| NP222 E | Е = Увеличенная грузоподъемность. |
| NUP222EM | Однорядный цилиндрический роликоподшипник. Наружное кольцо имеет два борта, внутреннее — один борт и одно свободное фланцевое кольцо. Основные размеры по DIN 5412-1, относится к подтипу фиксированные подшипники, разъемные, с сепаратором. E = Увеличенная грузоподъемность. М = Механически обработанный латунный сепаратор, центрируемый по роликам. |
| NJ 222 E | Однорядный цилиндрический роликоподшипник. Наружное кольцо имеет два борта, наружное — один борт. Е = Увеличенная грузоподъемность. |
| N222 ECP | Однорядный цилиндрический роликоподшипник. Внутреннее кольцо подшипника имеет два борта, наружное — без бортов. ЕС = эксцентриковый фиксатор воротника с утопленным внутренним кольцом на одной стороне. |
| N222 EM1 | Однорядный цилиндрический роликоподшипник. Внутреннее кольцо подшипника имеет два борта, наружное — без бортов. E = Увеличенная грузоподъемность. М = Механически обработанный латунный сепаратор, центрируемый по роликам. |
| 222S.400 | S = смазочный паз и три отверстия в наружном кольце подшипника. |
| 222S.315 | S3 = Кольца подшипника стабилизированы для рабочих температур до + 300 С |
| NJ222 EM | Однорядный цилиндрический роликоподшипник. Наружное кольцо имеет два борта, наружное — один борт. E = Увеличенная грузоподъемность. М = Механически обработанный латунный сепаратор, центрируемый по роликам. |
| NU 222 E | Однорядный цилиндрический роликоподшипник. Наружное кольцо подшипника имеет два борта, а внутреннее кольцо бортов не имеет. Е = Увеличенная грузоподъемность. |
| NU222EG15 | Однорядный цилиндрический роликоподшипник. Наружное кольцо подшипника имеет два борта, а внутреннее кольцо бортов не имеет. E = Увеличенная грузоподъемность. G15 = Формованная литьевая клетка из армированного стекловолокном полиамида 6,6, с вращающимся элементом по центру. |
| NUP 222 E | Однорядный цилиндрический роликоподшипник. Наружное кольцо имеет два борта, внутреннее — один борт и одно свободное фланцевое кольцо. Основные размеры по DIN 5412-1, относится к подтипу фиксированные подшипники, разъемные, с сепаратором. Е = Увеличенная грузоподъемность. |
| N222-E-M6 | Однорядный цилиндрический роликоподшипник. Внутреннее кольцо подшипника имеет два борта, наружное — без бортов. E = Увеличенная грузоподъемность. М = Механически обработанный латунный сепаратор, центрируемый по роликам. |
| NJ222 EMA | Однорядный цилиндрический роликоподшипник. Наружное кольцо имеет два борта, наружное — один борт. E = d ≤65 мм,два стальных сепаратора оконного типа, внутреннее кольцо без фланца и направляющая по центру внутреннего кольца. MA = массивный латунный сепаратор, центрирование по наружному кольцу. |
| NJ222 ECJ | Однорядный цилиндрический роликоподшипник. Наружное кольцо имеет два борта, наружное — один борт. EC = Оптимизированная внутренняя конструкция, включающая больше и / или более крупные ролики и с модифицированным контактом ролика / концевого фланца. J = Прессованная стальная клетка, по центру ролика, не закаленная. |
| N 222 ECM | Однорядный цилиндрический роликоподшипник. Внутреннее кольцо подшипника имеет два борта, наружное — без бортов. EC = Оптимизированная внутренняя конструкция, включающая больше и / или более крупные ролики и с модифицированным контактом ролика / концевого фланца. M = Механически обработанный латунный сепаратор, центрируемый по роликам. |
| NJ222 ECM | Однорядный цилиндрический роликоподшипник. Наружное кольцо имеет два борта, наружное — один борт. EC = Оптимизированная внутренняя конструкция, включающая больше и / или более крупные ролики и с модифицированным контактом ролика / концевого фланца. M = Механически обработанный латунный сепаратор, центрируемый по роликам. |
| NJ222EG15 | Однорядный цилиндрический роликоподшипник. Наружное кольцо имеет два борта, наружное — один борт. E = Увеличенная грузоподъемность. G15 = Формованная литьевая клетка из армированного стекловолокном полиамида 6,6, с вращающимся элементом по центру. |
| NU222 ECM | Однорядный цилиндрический роликоподшипник. Наружное кольцо подшипника имеет два борта, а внутреннее кольцо бортов не имеет. EC = Оптимизированная внутренняя конструкция, включающая больше и / или более крупные ролики и с модифицированным контактом ролика / концевого фланца. M = Механически обработанный латунный сепаратор, центрируемый по роликам. |
| NU 222 EM | Однорядный цилиндрический роликоподшипник. Наружное кольцо подшипника имеет два борта, а внутреннее кольцо бортов не имеет. E = Увеличенная грузоподъемность. М = Механически обработанный латунный сепаратор, центрируемый по роликам. |
| QJ 222 N2 | Шарикоподшипник с четырехточечным контактом. N2 = Два установочных паза (выемки) на расстоянии 180 градусов в одной боковой поверхности наружного кольца или шайбе корпуса. |
| NU222 ECP | Однорядный цилиндрический роликоподшипник. Наружное кольцо подшипника имеет два борта, а внутреннее кольцо бортов не имеет. ЕС = эксцентриковый фиксатор воротника с утопленным внутренним кольцом на одной стороне. |
| NUP 222 M | Однорядный цилиндрический роликоподшипник. Наружное кольцо имеет два борта, внутреннее — один борт и одно свободное фланцевое кольцо. Основные размеры по DIN 5412-1, относится к подтипу фиксированные подшипники, разъемные, с сепаратором. M = массивный латунный сепаратор. |
| NUP222 ECP | Однорядный цилиндрический роликоподшипник. Наружное кольцо имеет два борта, внутреннее — один борт и одно свободное фланцевое кольцо. Основные размеры по DIN 5412-1, относится к подтипу фиксированные подшипники, разъемные, с сепаратором. ЕС = эксцентриковый фиксатор воротника с утопленным внутренним кольцом на одной стороне. |
| QJ 222 TVP | Шарикоподшипник с четырехточечным контактом. TVP = сегментный сепаратор, изготовленный из армированного стекловолокном полиамида PA66 направленная по роликам. |
| NJ222 E.M1 | Однорядный цилиндрический роликоподшипник. Наружное кольцо имеет два борта, наружное — один борт. E = Увеличенная грузоподъемность. М = Механически обработанный латунный сепаратор, центрируемый по роликам. |
| NJ222-E-M6 | Однорядный цилиндрический роликоподшипник. Наружное кольцо имеет два борта, наружное — один борт. E = Увеличенная грузоподъемность. М = Механически обработанный латунный сепаратор, центрируемый по роликам. |
| NU222 E.M1 | Однорядный цилиндрический роликоподшипник. Наружное кольцо подшипника имеет два борта, а внутреннее кольцо бортов не имеет. E = Увеличенная грузоподъемность. М = Механически обработанный латунный сепаратор, центрируемый по роликам. |
| NJ 222 ECP | Однорядный цилиндрический роликоподшипник. Наружное кольцо имеет два борта, наружное — один борт. ЕС = эксцентриковый фиксатор воротника с утопленным внутренним кольцом на одной стороне. |
| NU 222 ECJ | Однорядный цилиндрический роликоподшипник. Наружное кольцо подшипника имеет два борта, а внутреннее кольцо бортов не имеет. EC = Оптимизированная внутренняя конструкция, включающая больше и / или более крупные ролики и с модифицированным контактом ролика / концевого фланца. J = Прессованная стальная клетка, по центру ролика, не закаленная. |
| QJ222 N2MA | Шарикоподшипник с четырехточечным контактом. MA = Механически обработанный латунный сепаратор, центрируемый по наружному кольцу. |
| QJ222X50C3 | Шарикоподшипник с четырехточечным контактом. C3 = Радиальный внутренний зазор больше нормального. |
| NU222-E-M6 | Однорядный цилиндрический роликоподшипник. Наружное кольцо подшипника имеет два борта, а внутреннее кольцо бортов не имеет. E = Увеличенная грузоподъемность. М = Механически обработанный латунный сепаратор, центрируемый по роликам. |
Габаритные размеры
Конструкция и исполнение
Подшипник роликовый сферический 20222 (FAG, ISO)
Подшипник шариковый двухрядный самоустанавливающийся 1222 (AST, CX, FAG, ISB, ISO)
Подшипник шариковый радиальный сферический двухрядный с коническим отверстием внутреннего кольца 111222 (ГПЗ-1)
Подшипник шариковый однорядный радиально-упорный B7222 C.T.P4S.UL (FAG)
Подшипник шариковый однорядный радиально-упорный B7222 E.T.P4S.UL (FAG)