Главная > Подшипники> Шариковые> Упорные>FBSA 206/DB

FBSA 206/DB — Прецизионный упорно-радиальный шарикоподшипник для винтовых передач, узел-картридж с фланцевым корпусом, импортное производство по ISO стандарту, размер 30x120x52 номер основного исполнения 206.
Производитель: SKF.
D = профиль наружного кольца, усовершенствованный, с увеличенной зоной несущей нагрузки и оптимизированными краевыми переходами.
Цена от:127 р.
Цена на подшипник зависит от:
| Обозначение | Модификация |
|---|---|
| N206 | Однорядный цилиндрический роликоподшипник. Внутреннее кольцо подшипника имеет два борта, наружное — без бортов. |
| Q206 | |
| ES206 | |
| QJ206 | Шарикоподшипник с четырехточечным контактом. |
| SA206 | |
| NJ206 | Однорядный цилиндрический роликоподшипник. Наружное кольцо имеет два борта, наружное — один борт. |
| NU206 | Однорядный цилиндрический роликоподшипник. Наружное кольцо подшипника имеет два борта, а внутреннее кольцо бортов не имеет. |
| 5-206 | |
| EX206 | |
| FD206 | |
| SB206 | |
| B 206 | |
| CS206 | |
| UC206 | |
| UK206 | |
| N206E | Однорядный цилиндрический роликоподшипник. Внутреннее кольцо подшипника имеет два борта, наружное — без бортов. Е = Увеличенная грузоподъемность. |
| NA206 | Игольчатый роликоподшипник с размерами по ISO 15. |
| NH206 | |
| ER206 | |
| RB206 | |
| US206 | |
| NUP206 | Однорядный цилиндрический роликоподшипник. Наружное кольцо имеет два борта, внутреннее — один борт и одно свободное фланцевое кольцо. Основные размеры по DIN 5412-1, относится к подтипу фиксированные подшипники, разъемные, с сепаратором. |
| W206PP | P = Литой сепаратор из стеклонаполненного полиамида 6,6, центрируемый по телам качения. |
| BL 206 | |
| SA206F | Механически обработанный сепаратор из стали или чугуна, центрируемый по телам качения. |
| CES206 | Цилиндрическое наружное кольцо с канавкой под стопорне кольцо для осевой фиксации, без возможности повторного смазывания, не предназначено для использования в стандартных корпусах со сферическим посадочным местом. |
| NJ206R | Однорядный цилиндрический роликоподшипник. Наружное кольцо имеет два борта, наружное — один борт. R = Наружное кольцо с фланцем . |
| NJK206 | |
| CEX206 | Наружное цилиндрическое кольцо имеет канавку под стопор для фиксации по оси, есть смазочное отверстие, не для применения в корпусах со сферическим посадочным местом подшипника. |
| NP 206 | |
| SUC206 | Вкладыш из нержавеющей стали для термопластичного подшипникового узла, внутреннее кольцо расширено с обеих сторон, крепится на вал с помощью винтов, уплотнения с обеих сторон. |
| MUC206 | Подшипник из нержавеющей стали для подшипникового узла из термопласта, внутреннее кольцо вытянуто с обеих сторон, крепится на вал с помощью установочных винтов, уплотнения с обеих сторон. |
| CUC206 | Цилиндрическая наружняя обойма с канавкой под стопорное кольцо для осевой фиксации, отверстие для смазки не предназначено для использования в стандартных корпусах со сферическим посадочным местом подшипника. |
| CUS206 | Цилиндрическое наружное кольцо с канавкой под стопор для осевой фиксации, без возможности повторной смазки, не для использования в стандартных корпусах со сферическим посадочным отверстием. |
| N206FM | Однорядный цилиндрический роликоподшипник. Внутреннее кольцо подшипника имеет два борта, наружное — без бортов. F = Механически обработанный сепаратор из стали или чугуна, центрируемый по телам качения. M = Механически обработанный латунный сепаратор, центрируемый по телам качения. |
| NU206R | Однорядный цилиндрический роликоподшипник. Наружное кольцо подшипника имеет два борта, а внутреннее кольцо бортов не имеет. R = Наружное кольцо с фланцем . |
| NF 206 | Внутреннем кольце с двойным фланцем, внешнее с одним. |
| NF206E | Внутреннем кольце с двойным фланцем, внешнее с одним. Е = Увеличенная грузоподъемность. |
| BNT206 | |
| ASS206N | N = Канавка под стопорное кольцо в наружном кольце |
| NJ206EG | Однорядный цилиндрический роликоподшипник. Наружное кольцо имеет два борта, наружное — один борт. G = Однорядный радиально-упорный шарикоподшипник для универсального парного монтажа. Два подшипника, установленные по 0-образной или Х-образной схеме, будут иметь определенный осевой зазор в домонтажном состоянии. |
| W206PPG | G = Однорядный радиально-упорный шарикоподшипник для универсального парного монтажа. Два подшипника, установленные по 0-образной или Х-образной схеме, будут иметь определенный осевой зазор в домонтажном состоянии. |
| NJ206EM | Однорядный цилиндрический роликоподшипник. Наружное кольцо имеет два борта, наружное — один борт. E = Увеличенная грузоподъемность. М = Механически обработанный латунный сепаратор, центрируемый по роликам. |
| AS206D1 | D1 = (Смазка сегмента, код W33) = Смазочная канавка и три отверстия в наружном кольце подшипника. Начиная с = D320 Суффикс D1 не используется. |
| EX206G2 | G2 = установка с нормальным преднатягом. |
| W206KLL | K = LL = (Сегментное уплотнение, код 2RU) = Лабиринтные уплотнения с обеих сторон (уплотнение L-типа - все части уплотнения L-типа покрыты цинком с всех сторон для улучшения защиты от коррозии - без трения уплотнения ). |
| YAT 206 | |
| YET 206 | |
| ES206G2 | G2 = установка с нормальным преднатягом. |
| NP206 E | Е = Увеличенная грузоподъемность. |
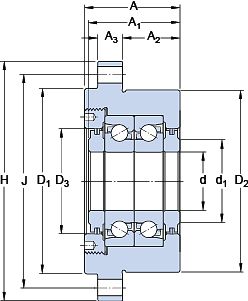
Габаритные размеры
Размеры и геометрические характеристики
Нагрузка и ресурс
Прочие характеристики