Главная > Подшипники> Шариковые> Упорные>BSA 203 CG

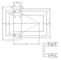
BSA 203 CG — Осевой радиально-упорный шарикоподшипник, импортное производство по ISO стандарту, размер 17x40x12 номер основного исполнения 203.
Производитель: SKF.
G = Однорядный радиально-упорный шарикоподшипник для универсального парного монтажа. Два подшипника, установленные по 0-образной или Х-образной схеме, будут иметь определенный осевой зазор в домонтажном состоянии.
Цена от:495 р.
Цена на подшипник зависит от:
| Обозначение | Модификация |
|---|---|
| N203 | |
| Q203 | |
| FD203 | |
| NA203 | Игольчатый роликоподшипник с размерами по ISO 15. |
| RB203 | |
| NH203 | |
| NJ203 | |
| NU203 | |
| SA203 | |
| SB203 | |
| B 203 | |
| UC203 | |
| US203 | |
| CS203 | |
| ER203 | |
| ES203 | |
| EX203 | |
| N203 E | Однорядный цилиндрический роликоподшипник. Внутреннее кольцо подшипника имеет два борта, наружное — без бортов. Е = Увеличенная грузоподъемность. |
| NF 203 | Внутреннем кольце с двойным фланцем, внешнее с одним. |
| SA203F | Механически обработанный сепаратор из стали или чугуна, центрируемый по телам качения. |
| BNT203 | |
| NJ203E | Однорядный цилиндрический роликоподшипник. Наружное кольцо имеет два борта, наружное — один борт. Е = Увеличенная грузоподъемность. |
| SUC203 | Вкладыш из нержавеющей стали для термопластичного подшипникового узла, внутреннее кольцо расширено с обеих сторон, крепится на вал с помощью винтов, уплотнения с обеих сторон. |
| QJ 203 | Шарикоподшипник с четырехточечным контактом. |
| NP 203 | |
| NUP203 | Однорядный цилиндрический роликоподшипник. Наружное кольцо имеет два борта, внутреннее — один борт и одно свободное фланцевое кольцо. Основные размеры по DIN 5412-1, относится к подтипу фиксированные подшипники, разъемные, с сепаратором. |
| W203PP | P = Литой сепаратор из стеклонаполненного полиамида 6,6, центрируемый по телам качения. |
| RUS203 | |
| EX203G2 | 3G = G = Втулки подшипника с возможностью смазки. |
| KH203AE | A = внутренняя модификация конструкции. |
| NF203 E | Внутреннем кольце с двойным фланцем, внешнее с одним. Е = Увеличенная грузоподъемность. |
| BXRE203 | Е = Увеличенная грузоподъемность. |
| NH203 E | Е = Увеличенная грузоподъемность. |
| YAT 203 | |
| YET 203 | |
| NP203 E | Е = Увеличенная грузоподъемность. |
| UC203L2 | L = массивный сепаратор из лёгкого сплава. |
| NU203 E | Однорядный цилиндрический роликоподшипник. Наружное кольцо подшипника имеет два борта, а внутреннее кольцо бортов не имеет. Е = Увеличенная грузоподъемность. |
| UC203G2 | 3G = G = Втулки подшипника с возможностью смазки. |
| UC203D1 | D1 = (Смазка сегмента, код W33) = Смазочная канавка и три отверстия в наружном кольце подшипника. Начиная с = D320 Суффикс D1 не используется. |
| AS203D1 | D1 = (Смазка сегмента, код W33) = Смазочная канавка и три отверстия в наружном кольце подшипника. Начиная с = D320 Суффикс D1 не используется. |
| US203G2 | 3G = G = Втулки подшипника с возможностью смазки. |
| ASS203N | N = Канавка под стопорное кольцо в наружном кольце |
| W203PPG | G = Однорядный радиально-упорный шарикоподшипник для универсального парного монтажа. Два подшипника, установленные по 0-образной или Х-образной схеме, будут иметь определенный осевой зазор в домонтажном состоянии. |
| ES203G2 | 3G = G = Втулки подшипника с возможностью смазки. |
| EX203-11 | |
| N203 ECP | Однорядный цилиндрический роликоподшипник. Внутреннее кольцо подшипника имеет два борта, наружное — без бортов. ЕС = эксцентриковый фиксатор воротника с утопленным внутренним кольцом на одной стороне. |
| SSN203LL | LL (Сегментное уплотнение, код 2RU) = Лабиринтные уплотнения на обеих сторонах (Уплотнение L = типа = все части уплотнения L = типа покрыты цинком на всех сторонах для улучшения защиты от коррозии = без трения уплотнения). |
| UC203-11 | |
| AEL203D1 | D1 = (Смазка сегмента, код W33) = Смазочная канавка и три отверстия в наружном кольце подшипника. Начиная с = D320 Суффикс D1 не используется. |
Габаритные размеры
Размеры и геометрические характеристики
Нагрузка и ресурс
Защита
Присоединительные размеры
Конструкция и исполнение
Подшипник шариковый радиальный сферический двухрядный с цилиндрическим отверстием внутреннего кольца 5-1203 (ГПЗ-2)
Подшипник шариковый радиальный сферический двухрядный с цилиндрическим отверстием внутреннего кольца 1203
Подшипник шариковый радиальный однорядный с двухсторонним уплотнением 180203
Подшипник шариковый радиальный однорядный с односторонним уплотнением 160203
Подшипник шариковый радиальный однорядный с канавкой на наружном кольце 50203