Главная > Однорядные >6210 MA.C3

6210 MA.C3 — Подшипник однорядный шариковый радиальный, импортное производство по ISO стандарту, размер 50x90x20 номер основного исполнения 6210.
Производитель: FAG.
MA = Механически обработанный латунный сепаратор наружным кольцом. C3 = Радиальный внутренний зазор подшипника больше, чем обычно.
Цена от:2 015 р.
Цена на подшипник зависит от:
| Обозначение | Модификация |
|---|---|
| 6210 | Основное конструктивное исполнение. |
| 6210E | Е = Увеличенная грузоподъемность. |
| 6210R | R = Наружное кольцо с фланцем . |
| M6210 | |
| S6210 | |
| 6210BI | B = однокомпонентное ребристое внутреннее кольцо. |
| 6210UU | Резиновое уплотнение на каждой стороне подшипника. |
| 6210-Z | Металлический экран с одной стороны. |
| 6210C3 | C3 = Радиальный внутренний зазор больше нормального. |
| 6210VV | V = Увеличенная грузоподъемность, внутренняя модификация конструкции. |
| 6210DD | DD = резиновые уплотнения на каждой стороне подшипника. |
| 6210LB | LB - массивный сепаратор из лёгкого сплава, центрирование по внутреннему кольцу. |
| 6210ZE | Е = Увеличенная грузоподъемность. |
| 6210LU | LU = RS1 (SKF) = шариковый подшипник с трущим уплотнением с одной стороны. Уплотнение обычно состоит из шайбы из листовой стали и прорезиненной ткани. |
| 6210 M | M = массивный латунный сепаратор. |
| W 6210 | |
| 6210EE | Е = Увеличенная грузоподъемность. |
| 6210-N | N = Канавка под стопорное кольцо в наружном кольце |
| 6210-NR | Стопорное кольцо и проточка под него в наружном кольце подшипника. |
| 6210 ZZ | ZZ = Два металлических экрана. |
| 6210NRZ | Стопорное кольцо и проточка под него в наружном кольце подшипника. |
| 6210LLB | LLB = Уплотнение из синтетического каучука бесконтактного типа. |
| 6210L11 | L = массивный сепаратор из лёгкого сплава. |
| EC-6210 | |
| 6210DDU | DDU = резиновые уплотнения на каждой стороне подшипника. |
| 6210NKE | К = Коническая посадка, конусность 1:12. |
| 6210LLU | LLU = Резиновые уплотнения на каждой стороне подшипника. |
| 6210ZZE | ZZ = Два металлических экрана. |
| M6210ZZ | ZZ = Два металлических экрана. |
| 6210NSE | S = смазочный паз и три отверстия в наружном кольце подшипника. |
| SS 6210 | |
| 6210LLH | LL = Лабиринтные уплотнения с обеих сторон (уплотнение L-типа - все части уплотнения L-типа покрыты цинком с всех сторон для улучшения защиты от коррозии - без трения уплотнения ). H = Штампованный защелкивающийся стальной сепаратор, закаленный. |
| 6210 2Z | 2Z = Металлические шайбы с каждой стороны подшипника. |
| 6210-RS | R = Наружное кольцо с фланцем . |
| 6210SEE | S = смазочный паз и три отверстия в наружном кольце подшипника. |
| 6210-RZ | R = Наружное кольцо с фланцем . |
| 6210LLUN | LLU = Резиновые уплотнения на каждой стороне подшипника. |
| W6210-ZZ | ZZ = Два металлических экрана. |
| 6210HVZZ | ZZ = Два металлических экрана. |
| 6210-2RD | R = Наружное кольцо с фланцем . |
| 6210-Z-N | Металлический экран с одной стороны. |
| 6210LUNR | LU = RS1 (SKF) = шариковый подшипник с трущим уплотнением с одной стороны. Уплотнение обычно состоит из шайбы из листовой стали и прорезиненной ткани. |
| 6210-2RZ | 2RZ = Шариковый подшипник, с уплотнением низкого трения на обеих сторонах. Уплотнение состоит из шайбы тонколистовой стали с вулканизированной резиной. |
| 6210F600 | Механически обработанный сепаратор из стали или чугуна, центрируемый по телам качения. |
| 6210F604 | F604 = (Сегментное уплотнение, код 2Z + сегментный нагреватель, код 4) = высокая температура, двухстороннее уплотнение, специальная смазка, для применения до 350 градусов C. |
| 6210NREE | Стопорное кольцо и проточка под него в наружном кольце подшипника. |
| 6210-RS1 | S1 = Кольца подшипника стабилизированы для рабочих температур до + 200 С. |
| 6210ZENR | Стопорное кольцо и проточка под него в наружном кольце подшипника. |
| S6210-2Z | 2Z = Металлические шайбы с каждой стороны подшипника. |
| 6210-RS2 | S2 = Кольца подшипника стабилизированы для рабочих температур до + 250 С. |
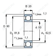
Габаритные размеры
Конструкция и исполнение
Однорядный цилиндрический роликовый подшипник NJ210 (CRAFT, FAG, FBJ, ISB, ISO)
Однорядный цилиндрический роликовый подшипник NU210 (CRAFT, FAG, FBJ, ISB, ISO)
Подшипник шариковый радиальный 6-210
Подшипник шариковый радиальный 4-210 (ГПЗ-1)
Подшипник роликовый сферический 20210 (FAG, ISO, SIGMA)