Главная > Подшипники> Шариковые> Радиальные>50408

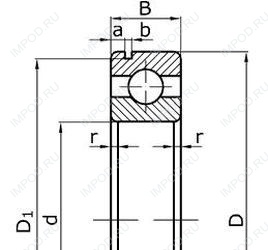
50408 — Подшипник шариковый радиальный однорядный с канавкой на наружном кольце, отечественное производство по ГОСТ стандарту, размер 40x110x27 основное исполнение.
Цена по запросу
Цена на подшипник зависит от:
| Техника | Модель | Агрегат |
|---|---|---|
| Комбайн | Нива | Вал коробки передач |
| Комбайн | КЗС-3 | Коробка диапазонов/вал вторичный |
| Комбайн | Енисей-1200 | Коробка переключения передач |
| Комбайн | Колос | Коробка переключения передач |
| Комбайн | Нива | Коробка переключения передач |
| Трактор | ЮМЗ-6АЛ | Коробка переключения передач |
| Трактор | ЮМЗ-6АМ | Коробка переключения передач |
| Трактор | ЮМЗ-6КМ | Коробка переключения передач |
| Косилка | КПС-5Г | Корпус передач |
| Комбайн | КСК-100А-А1 | Мост ведущий/коробка передач. валы и шестерни |
| Трактор | МТЗ-2 | Передняя опора вторичного вала коробки передач |
| Трактор | МТЗ-5К | Передняя опора вторичного вала коробки передач |
| Трактор | МТЗ-5ЛС | Передняя опора вторичного вала коробки передач |
| Трактор | МТЗ-5Л | Передняя опора вторичного вала коробки передач |
| Трактор | МТЗ-5МС | Передняя опора вторичного вала коробки передач |
| Трактор | МТЗ-5М | Передняя опора вторичного вала коробки передач |
| Трактор | МТЗ-5 | Передняя опора вторичного вала коробки передач |
| Трактор | Т-150К | Ходоуменьшитель/вал |
| Трактор | Т-151К с двигателем СМД-62А-63А | Ходоуменьшитель/вал |
| Трактор | Т-151К с двигателем СМД-62-63 | Ходоуменьшитель/вал |
| Трактор | ХТЗ-120 | Ходоуменьшитель/вал |
| Трактор | ХТЗ-121 | Ходоуменьшитель/вал |
| Трактор | ХТЗ-16131 (кроме двигателя) | Ходоуменьшитель/вал |
Габаритные размеры
Размеры и геометрические характеристики
Подшипник однорядный шариковый радиальный 6408 ISO (CRAFT, CX, FAG, FBJ, Fersa)
Подшипник шариковый однорядный радиально-упорный 7408 (FAG, KOYO, NTN)
Подшипник однорядный шариковый радиальный 6-408
Однорядный цилиндрический роликовый подшипник NJ408 (CRAFT, CX, CYSD, FAG, FBJ)
Подшипник шариковый однорядный радиально-упорный 7408 B.MP (FAG)
Подшипник шариковый однорядный радиально-упорный 7408 B.MP.UA (FAG)