Главная > Подшипники> Шариковые> Радиальные>50408 АК

50408 АК — Подшипник шариковый радиальный однорядный с канавкой на наружном кольце, отечественное производство по ГОСТ стандарту, размер 40x110x27 номер основного исполнения 50408.
А = Увеличенная грузоподемность подшипника. К = Конструктивное изменение зависящее от типа подшипника.
Цена по запросу
Цена на подшипник зависит от:
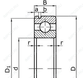
Габаритные размеры
Размеры и геометрические характеристики
Подшипник однорядный шариковый радиальный 6408 ISO (CRAFT, CX, FAG, FBJ, Fersa)
Подшипник шариковый однорядный радиально-упорный 7408 (FAG, KOYO, NTN)
Подшипник однорядный шариковый радиальный 6-408
Однорядный цилиндрический роликовый подшипник NJ408 (CRAFT, CX, CYSD, FAG, FBJ)
Подшипник шариковый однорядный радиально-упорный 7408 B.MP (FAG)
Подшипник шариковый однорядный радиально-упорный 7408 B.MP.UA (FAG)