Главная > Подшипники> Шариковые> Радиальные сферические>50315 А

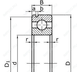
50315 А — Подшипник шариковый радиальный однорядный с канавкой на наружном кольце, отечественное производство по ГОСТ стандарту, размер 75x160x37 номер основного исполнения 50315.
А = Подшипник повышенной грузоподьемности. ГОСТ
Цена по запросу
Цена на подшипник зависит от:
| Обозначение | Модификация |
|---|---|
| 50315 | Основное конструктивное исполнение. |
| 70-50315 А | А = Подшипник повышенной грузоподьемности. ГОСТ |
| 2В0-50315 А | А = Подшипник повышенной грузоподьемности. ГОСТ |
| Техника | Модель | Агрегат |
|---|---|---|
| КрАЗ | 260А | Коробка переключения передач |
| КрАЗ | 260В | Коробка переключения передач |
| КрАЗ | 260Г | Коробка переключения передач |
| КрАЗ | 260Д | Коробка переключения передач |
| КрАЗ | 260С | Коробка переключения передач |
| КрАЗ | 260 | Коробка переключения передач |
| МАЗ | 5322 | Коробка переключения передач |
| МАЗ | 5336 | Коробка переключения передач |
| МАЗ | 54321 | Коробка переключения передач |
| МАЗ | 5433 | Коробка переключения передач |
| МАЗ | 5434 | Коробка переключения передач |
| МАЗ | 54342 | Коробка переключения передач |
| МАЗ | 5454 | Коробка переключения передач |
| МАЗ | 5551 | Коробка переключения передач |
| МАЗ | 55512 | Коробка переключения передач |
| МАЗ | 55532 | Коробка переключения передач |
| МАЗ | 6303 | Коробка переключения передач |
| МАЗ | 6422 | Коробка переключения передач |
| МАЗ | 64221 | Коробка переключения передач |
| МАЗ | 64224 | Коробка переключения передач |
| МАЗ | 64227 | Коробка переключения передач |
| МоАЗ | 546П-Д357П | Коробка переключения передач |
Габаритные размеры
Размеры и геометрические характеристики
Подшипник шариковый радиальный 6-315 (ГПЗ-8)
Однорядный цилиндрический роликовый подшипник NJ315 (CRAFT, FAG, FBJ, ISB, ISO)
Однорядный цилиндрический роликовый подшипник NU315 (CRAFT, FAG, FBJ, ISB, ISO)
Подшипник роликовый радиально-упорный 32315
Подшипник роликовый радиальный самоцентрирующийся 20315 (FAG, ISO)
Подшипник роликовый сферический 21315 (ISB, NTN, SKF)