Главная > Подшипники> Шариковые> Радиальные сферические>2В0-50315 А

2В0-50315 А — Подшипник шариковый радиальный однорядный с канавкой на наружном кольце, отечественное производство по ГОСТ стандарту, размер 75x160x37 номер основного исполнения 50315.
Производитель: ГПЗ-8.
А = Подшипник повышенной грузоподьемности. ГОСТ
Цена по запросу
Цена на подшипник зависит от:
| Обозначение | Модификация |
|---|---|
| 50315 | Основное конструктивное исполнение. |
| 50315 А | А = Подшипник повышенной грузоподьемности. ГОСТ |
| 70-50315 А | А = Подшипник повышенной грузоподьемности. ГОСТ |
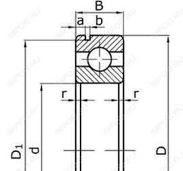
Габаритные размеры
Размеры и геометрические характеристики
Подшипник шариковый радиальный 6-315 (ГПЗ-8)
Однорядный цилиндрический роликовый подшипник NJ315 (CRAFT, FAG, FBJ, ISB, ISO)
Однорядный цилиндрический роликовый подшипник NU315 (CRAFT, FAG, FBJ, ISB, ISO)
Подшипник роликовый радиально-упорный 32315
Подшипник роликовый радиальный самоцентрирующийся 20315 (FAG, ISO)
Подшипник роликовый сферический 21315 (ISB, NTN, SKF)