Главная > Подшипники> Шариковые> Упорные>ZKLF60145-2Z

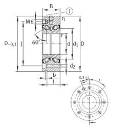
ZKLF60145-2Z — Шариковый радиально-упорный подшипник двойного направления, импортное производство по ISO стандарту, размер 60x145x45 номер основного исполнения .
Производитель: INA.
2Z = Металлические шайбы с каждой стороны подшипника.
Цена по запросу
Цена на подшипник зависит от:
Габаритные размеры
Размеры и геометрические характеристики
Нагрузка и ресурс
Защита
Присоединительные размеры
Конструкция и исполнение
Другие размеры
Шариковый радиально-упорный подшипник двойного направления BEAM 60/145/Z 7P60 (SNFA)
Прецизионный двойной упорно-радиальный шарикоподшипник для винтовых передач BEAM 060145-2RZ (SKF)
Шариковый радиально-упорный подшипник двойного направления BEAM 60/145/C 7P60 (SNFA)
Шариковый радиально-упорный подшипник двойного направления BEAM 060145-2RS (SKF)