Главная > Подшипники> Шариковые> Упорные>BEAM 060145-2RZ

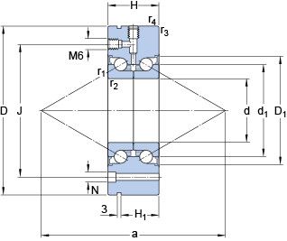
BEAM 060145-2RZ — Прецизионный двойной упорно-радиальный шарикоподшипник для винтовых передач, импортное производство по ISO стандарту, размер 60x145x45 номер основного исполнения .
Производитель: SKF.
2RZ = Шариковый подшипник, с уплотнением низкого трения на обеих сторонах. Уплотнение состоит из шайбы тонколистовой стали с вулканизированной резиной.
Цена по запросу
Цена на подшипник зависит от:
Габаритные размеры
Размеры и геометрические характеристики
Нагрузка и ресурс
Присоединительные размеры
Конструкция и исполнение
Прочие характеристики
Шариковый радиально-упорный подшипник двойного направления BEAM 60/145/Z 7P60 (SNFA)
Шариковый радиально-упорный подшипник двойного направления BEAM 60/145/C 7P60 (SNFA)
Шариковый радиально-упорный подшипник двойного направления BEAM 060145-2RS (SKF)
Шариковый радиально-упорный подшипник двойного направления ZKLF60145-2Z (INA)