Главная > Подшипники> Шариковые> Упорные>BEAM 060145-2RS

BEAM 060145-2RS — Шариковый радиально-упорный подшипник двойного направления, импортное производство по ISO стандарту, размер 60x145x45 номер основного исполнения .
Производитель: SKF.
Резиновые уплотнения с каждой стороны подшипника.
Цена по запросу
Цена на подшипник зависит от:
Габаритные размеры
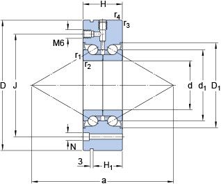
Размеры и геометрические характеристики
Нагрузка и ресурс
Присоединительные размеры
Конструкция и исполнение
Прочие характеристики
Шариковый радиально-упорный подшипник двойного направления BEAM 60/145/Z 7P60 (SNFA)
Прецизионный двойной упорно-радиальный шарикоподшипник для винтовых передач BEAM 060145-2RZ (SKF)
Шариковый радиально-упорный подшипник двойного направления BEAM 60/145/C 7P60 (SNFA)
Шариковый радиально-упорный подшипник двойного направления ZKLF60145-2Z (INA)