Главная > Подшипники> Шариковые> Радиально-упорные>VEX 95 /NS 7CE1

VEX 95 /NS 7CE1 — Радиально-упорный шарикоподшипник, импортное производство по ISO стандарту, размер 95x145x24 номер основного исполнения .
Производитель: SNFA.
С = фенольная смола. E = Расположение внешнего сепаратора. 1 = CD (SKF) = 15 градусов угол контакта.
Цена по запросу
Цена на подшипник зависит от:
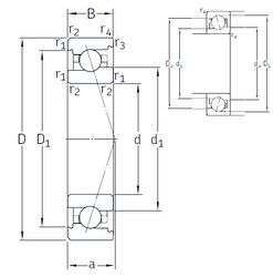
Габаритные размеры
Размеры и геометрические характеристики
Нагрузка и ресурс
Защита
Присоединительные размеры
Конструкция и исполнение
Однорядный цилиндрический роликовый подшипник NU1019 (CX, CYSD, FBJ, ISB, ISO)
Подшипник однорядный шариковый радиальный 6019 (AST, CRAFT, CX, CYSD, FAG)
Подшипник шариковый однорядный радиально-упорный 7019 (CYSD, KOYO, NACHI, NTN, SKF)
Подшипник шариковый радиальный однорядный 119