Главная > Подшипники> Шариковые> Радиальные>UCX06-20

UCX06-20 — Подшипник шариковый радиальный, импортное производство по ISO стандарту, размер 31x72x42 номер основного исполнения UCX06.
Производится брендами: FYH, KOYO.
Цена от:642 р.
Цена на подшипник зависит от:
| Обозначение | Модификация |
|---|---|
| UCX06 | Основное конструктивное исполнение. |
| UCX06L3 | L = массивный сепаратор из лёгкого сплава. |
| UCX06-19 | |
| UCX06-20L3 | L = массивный сепаратор из лёгкого сплава. |
| UCX06-19L3 | L = массивный сепаратор из лёгкого сплава. |
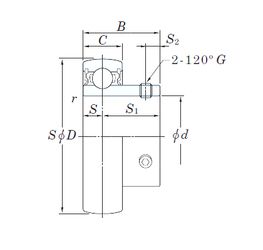
Габаритные размеры
Размеры и геометрические характеристики
Нагрузка и ресурс
Защита
Коэффициенты для расчета
Присоединительные размеры
Конструкция и исполнение
Другие размеры
Радиальный шарикоподшипник E2.YAR207-104-2F (SKF)
Подшипник шариковый радиальный ER207-20 (FYH, KOYO)
Подшипник для корпуса ER20 (TIMKEN)
Радиальный шарикоподшипник ER20DD (TIMKEN)
Подшипник для корпуса GY1104-KRR-B-AS2/V (INA)
Подшипник для корпуса GY1104KRRB SGT (TIMKEN)