Главная > Подшипники> Шариковые> Радиальные>GY1104KRRB SGT

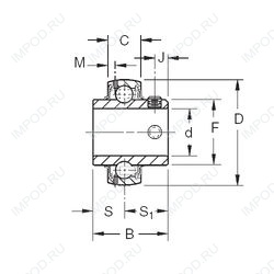
GY1104KRRB SGT — Подшипник для корпуса, импортное производство по ISO стандарту, размер 31x72x42 номер основного исполнения .
Производитель: TIMKEN.
KRR = Манжетные уплотнения на обеих сторонах (тип R уплотнение - имеет внутреннюю и внешнюю оцинкованную крышку. Между крышками на грунтовом плече установлена губка уплотнения NBR). B = подшипник со сферическим наружным кольцом. S = цилиндрическое наружное кольцо.
Цена по запросу
Цена на подшипник зависит от:
Габаритные размеры
Размеры и геометрические характеристики
Нагрузка и ресурс
Защита
Присоединительные размеры
Конструкция и исполнение
Другие размеры
Радиальный шарикоподшипник E2.YAR207-104-2F (SKF)
Подшипник шариковый радиальный ER207-20 (FYH, KOYO)
Подшипник для корпуса ER20 (TIMKEN)
Радиальный шарикоподшипник ER20DD (TIMKEN)
Подшипник для корпуса GY1104-KRR-B-AS2/V (INA)
Подшипник для корпуса UC207-20 (FAG, FYH, KOYO)