Главная > Подшипники> Шариковые> Радиальные>GY1104-KRR-B-AS2/V

GY1104-KRR-B-AS2/V — Подшипник для корпуса, импортное производство по ISO стандарту, размер 31x72x42 номер основного исполнения .
Производитель: INA.
KRR = Манжетные уплотнения на обеих сторонах (тип R - имеет цинковую внутреннюю и внешнюю крышку. Между крышками на поверхности основания находится губка уплотнения NBR). B = подшипник со сферическим наружным кольцом.
Цена по запросу
Цена на подшипник зависит от:
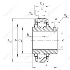
Габаритные размеры
Размеры и геометрические характеристики
Нагрузка и ресурс
Защита
Конструкция и исполнение
Прочие характеристики
Радиальный шарикоподшипник E2.YAR207-104-2F (SKF)
Подшипник шариковый радиальный ER207-20 (FYH, KOYO)
Подшипник для корпуса ER20 (TIMKEN)
Радиальный шарикоподшипник ER20DD (TIMKEN)
Подшипник для корпуса GY1104KRRB SGT (TIMKEN)
Подшипник для корпуса UC207-20 (FAG, FYH, KOYO)