Главная > Подшипники> Роликовые > Радиально-упорные>T2EE040

T2EE040 — Однорядный конический роликовый подшипник, импортное производство по ISO стандарту, размер 40x85x33 основное исполнение.
Производится брендами: CX, FAG, ISO, KOYO, NKE.
Конический роликоподшипник некоторых метрических размеров по стандарту ISO 355-1977
Е = Увеличенная грузоподъемность.
Цена по запросу
Цена на подшипник зависит от:
| Обозначение | Модификация |
|---|---|
| T2EE040/QVB134 | Конический роликоподшипник некоторых метрических размеров по стандарту ISO 355-1977 Q = тихий ход работы подшипника. |
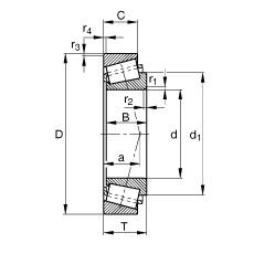
Габаритные размеры
Размеры и геометрические характеристики
Нагрузка и ресурс
Защита
Коэффициенты для расчета
Присоединительные размеры
Конструкция и исполнение
Подшипник шариковый радиальный 380808 АУ (ГПЗ-23)
Конический роликоподшипник 4T-T2EE040 (NTN)
Подшипник роликовый радиально-упорный JF4049/10 (CX, ISO)
Однорядный конический роликовый подшипник JF4049/JF4010 (Fersa, TIMKEN)