Главная > Подшипники> Роликовые > Радиально-упорные>T2EE040/QVB134

T2EE040/QVB134 — Однорядный конический роликовый подшипник, импортное производство по ISO стандарту, размер 40x85x33 номер основного исполнения T2EE040.
Производитель: SKF.
Конический роликоподшипник некоторых метрических размеров по стандарту ISO 355-1977
V = Увеличенная грузоподъемность, внутренняя модификация конструкции.
Цена от:2 767 р.
Цена на подшипник зависит от:
| Обозначение | Модификация |
|---|---|
| T2EE040 | Основное конструктивное исполнение. |
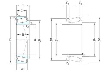
Габаритные размеры
Размеры и геометрические характеристики
Нагрузка и ресурс
Защита
Коэффициенты для расчета
Присоединительные размеры
Конструкция и исполнение
Подшипник шариковый радиальный 380808 АУ (ГПЗ-23)
Конический роликоподшипник 4T-T2EE040 (NTN)
Подшипник роликовый радиально-упорный JF4049/10 (CX, ISO)
Однорядный конический роликовый подшипник JF4049/JF4010 (Fersa, TIMKEN)