Главная > Подшипники> Шариковые> Радиально-упорные>QJ 1092 N2MA

QJ 1092 N2MA — Подшипник шариковый с четырехточечным контактом, импортное производство по ISO стандарту, размер 680x460x100 номер основного исполнения QJ1092.
Производитель: SKF.
Шарикоподшипник с четырехточечным контактом.
N2 = Два установочных паза (выемки) на расстоянии 180 градусов в одной боковой поверхности наружного кольца или шайбе корпуса.
Цена по запросу
Цена на подшипник зависит от:
| Обозначение | Модификация |
|---|---|
| QJ 1092 | Шарикоподшипник с четырехточечным контактом. |
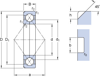
Габаритные размеры
Размеры и геометрические характеристики
Нагрузка и ресурс
Коэффициенты для расчета
Присоединительные размеры
Прочие характеристики
Однорядный цилиндрический роликоподшипник NU 1092 MA (SKF)
однорядный радиально-упорный шарикоподшипник 7092 BM (SKF)