Главная > Подшипники> Шариковые> Радиально-упорные>7092 BM

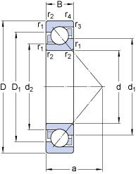
7092 BM — однорядный радиально-упорный шарикоподшипник, импортное производство по ISO стандарту, размер 680x460x100 номер основного исполнения 7092.
Производитель: SKF.
B = 40 градусов угол контакта. M = обработанный латунный сепаратор, расположенныйна элементах качения.
Цена по запросу
Цена на подшипник зависит от:
Габаритные размеры
Размеры и геометрические характеристики
Нагрузка и ресурс
Коэффициенты для расчета
Присоединительные размеры
Прочие характеристики
Однорядный цилиндрический роликоподшипник NU 1092 MA (SKF)
Подшипник шариковый с четырехточечным контактом QJ 1092 N2MA (SKF)