Главная > Подшипники> Шариковые> Радиально-упорные>7092 AM

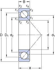
7092 AM — импортное производство по ISO стандарту, размер 680x460x100 номер основного исполнения 7092.
Производитель: SKF.
A = внутренняя модификация конструкции.
Цена по запросу
Цена на подшипник зависит от:
Габаритные размеры
Размеры и геометрические характеристики
Нагрузка и ресурс
Коэффициенты для расчета
Присоединительные размеры
Прочие характеристики
Однорядный цилиндрический роликоподшипник NU 1092 MA (SKF)
Подшипник шариковый с четырехточечным контактом QJ 1092 N2MA (SKF)