Главная > Подшипники> Шариковые> Радиально-упорные>QJ 1040 N2MA

QJ 1040 N2MA — Подшипник шариковый с четырехточечным контактом, импортное производство по ISO стандарту, размер 310x200x51 номер основного исполнения QJ1040.
Производитель: SKF.
Шарикоподшипник с четырехточечным контактом.
N2 = Два установочных паза (выемки) на расстоянии 180 градусов в одной боковой поверхности наружного кольца или шайбе корпуса.
Цена по запросу
Цена на подшипник зависит от:
| Обозначение | Модификация |
|---|---|
| QJ 1040 | Шарикоподшипник с четырехточечным контактом. |
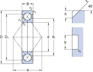
Габаритные размеры
Размеры и геометрические характеристики
Нагрузка и ресурс
Коэффициенты для расчета
Присоединительные размеры
Прочие характеристики
Однорядный цилиндрический роликовый подшипник NU1040 M (AST, SKF)
Прецизионный радиально-упорный шарикоподшипник 7040 CD/HCP4A (SKF)
Прецизионный радиально-упорный шарикоподшипник 7040 CD/P4A (SKF)
Прецизионный радиально-упорный шарикоподшипник 7040 ACD/HCP4A (SKF)
Прецизионный радиально-упорный шарикоподшипник 7040 ACD/P4AH1 (SKF)
однорядный радиально-упорный шарикоподшипник 7040 BGM (SKF)