Главная > Подшипники> Шариковые> Радиально-упорные>7040 BGM

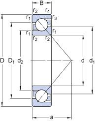
7040 BGM — однорядный радиально-упорный шарикоподшипник, импортное производство по ISO стандарту, размер 310x200x51 номер основного исполнения 7040.
Производитель: SKF.
B = 40 градусов угол контакта. G = Однорядный радиально-упорный шарикоподшипник для универсального парного монтажа. Два подшипника, установленные по 0-образной или Х-образной схеме, будут иметь определенный осевой зазор в домонтажном состоянии.
Цена от:33 267 р.
Цена на подшипник зависит от:
| Обозначение | Модификация |
|---|---|
| 7040 | Основное конструктивное исполнение. |
| 7040DF | Комплект подшипников расположенных лицом к лицу, дуплексная Х-образная пара. |
| 7040 B | B = однокомпонентное ребристое внутреннее кольцо. |
| 7040 A | A = внутренняя модификация конструкции. |
| 7040DT | T = Механически обработанный сепаратор из текстолита, центрируемый по телам качения. |
| 7040DB | D = профиль наружного кольца, усовершенствованный, с увеличенной зоной несущей нагрузки и оптимизированными краевыми переходами. |
| 7040 C | С = Необслуживаемые концы стержней, внутренняя резьба. |
| 7040CDT | С = Необслуживаемые концы стержней, внутренняя резьба. |
| 7040CDF | Комплект подшипников расположенных лицом к лицу, дуплексная Х-образная пара. |
| 7040CDB | С = Необслуживаемые концы стержней, внутренняя резьба. |
| 7040CPA | С = Необслуживаемые концы стержней, внутренняя резьба. |
| 7040 BDF | B = 40 градусов угол контакта. DF = Два однорядных радиальных шарикоподшипника, однорядных радиально-упорных шарикоподшипника или однорядных конических роликоподшипника, согласованные для монтажа по Х-образной схеме. |
| 7040 ADB | A = Модифицированная внутренняя конструкция. DB = два однорядных радиальных шарикоподшипника, однорядные радиально-упорные шарикоподшипники или однорядные конические роликовые подшипники, подходящие для монтажа в расположении друг к другу. |
| 7040 BDT | BD = Модифицированная внутренняя конструкция, угол контакта α = 30 градусов, без отверстия для заполнения. |
| 7040 ADT | T = Механически обработанный сепаратор из текстолита, центрируемый по телам качения. |
| 7040 BDB | B = 40 градусов угол контакта. DB = два однорядных радиальных шарикоподшипника, однорядные радиально-упорные шарикоподшипники или однорядные конические роликовые подшипники, подходящие для монтажа в расположении друг за другом. |
| 7040 ADF | Комплект подшипников расположенных лицом к лицу, дуплексная Х-образная пара. |
| 7040 A-UX | A = внутренняя модификация конструкции. |
| 7040 C-UO | С = Необслуживаемые концы стержней, внутренняя резьба. |
| 7040 C-UX | С = Необслуживаемые концы стержней, внутренняя резьба. |
| 7040 A-UD | A = внутренняя модификация конструкции. |
| 7040 A-UO | A = внутренняя модификация конструкции. |
| 7040CTRSU | С = Необслуживаемые концы стержней, внутренняя резьба. |
| 7040 B-UD | D = профиль наружного кольца, усовершенствованный, с увеличенной зоной несущей нагрузки и оптимизированными краевыми переходами. |
| 7040 B-UO | B = однокомпонентное ребристое внутреннее кольцо. |
| 7040 B-UX | X = Внешние размеры, соответствующие международным стандартам. |
| 7040 C-UD | С = Необслуживаемые концы стержней, внутренняя резьба. |
| 7040 ATBP4 | ТВ = текстолитовый сепаратор, центрируемый по внутреннему кольцу. |
| 7040A5TRSU | Угол контакта 25 градусов. |
| 7040 CTBP4 | ТВ = текстолитовый сепаратор, центрируемый по внутреннему кольцу. |
| 7040HVUJ74 | J = Сепаратор стальной штампованный незакалённый. Сорт стали 7. |
| 7040CVUJ74 | J = Сепаратор стальной штампованный незакалённый. Сорт стали 7. |
| H7040C/HQ1 | С = Необслуживаемые концы стержней, внутренняя резьба. |
| 7040CVDUJ74 | DU = (RS1-SKF) = Уплотнительное контактное уплотнение из акрилонитрил-бутадиеновой резины (NBR) из листовой стали на одной стороне подшипника. |
| 7040 CD/P4A | CD = 15 градусов угол контакта. P4 = Точность размеров и вращения соответствуют классу точности 4 ISO. |
| 7040HVDUJ74 | DU = (RS1-SKF) = Уплотнительное контактное уплотнение из акрилонитрил-бутадиеновой резины (NBR) из листовой стали на одной стороне подшипника. |
| 7040DB/GNP5 | GN = нормальная предварительная нагрузка. P = Литой сепаратор из стеклонаполненного полиамида 6,6, центрируемый по телам качения. |
| H7040AC/HQ1 | AC = Угол контакта 25 градусов. |
| 7040 ACD/P4A | ACD = Угол контакта 25 градусов. P4 = Точность конструкции P4, точность хода P4. |
| 7040 CD/P4AH1 | CD = 15 градусов угол контакта. P4 = Точность размеров и вращения соответствуют классу точности 4 ISO. |
| 7040 CD/HCP4A | P4 = Точность размеров и вращения соответствуют классу точности 4 ISO. |
| B7040-E-T-P4S | E = (AC-SKF) = 25 градусов угол контакта. T = (сегмент TB-Cage) = текстильная слоистая Фенольный смола, направленная по наружному кольцу. сепаратор подходит для длительной эксплуатации при температуре до 100 градусов C. P = Литой сепаратор из стеклонаполненного полиамида 6,6, центрируемый по телам качения. |
| B7040-C-T-P4S | T = Нейлоновая клетка, армированная стекловолокном (радиальные роликовые подшипники). P = Литой сепаратор из стеклонаполненного полиамида 6,6, центрируемый по телам качения. |
| 7040CT1B/GNP42 | GN = нормальная предварительная нагрузка. P = Литой сепаратор из стеклонаполненного полиамида 6,6, центрируемый по телам качения. |
| 7040 ACD/HCP4A | ACD = Угол контакта 25 градусов. |
| 7040 ACD/P4AH1 | ACD = Угол контакта 25 градусов. P4 = Точность конструкции P4, точность хода P4. |
| 7040 CD/HCP4AH1 | P4 = Точность размеров и вращения соответствуют классу точности 4 ISO. |
| 7040DB+16D/GNP4 | GN = нормальная предварительная нагрузка. P = Литой сепаратор из стеклонаполненного полиамида 6,6, центрируемый по телам качения. |
| HCB7040-E-T-P4S | E = (AC-SKF) = 25 градусов угол контакта. T = (сегмент TB-Cage) = текстильная слоистая Фенольный смола, направленная по наружному кольцу. сепаратор подходит для длительной эксплуатации при температуре до 100 градусов C. P = Литой сепаратор из стеклонаполненного полиамида 6,6, центрируемый по телам качения. |
| HCB7040-C-T-P4S | T = Нейлоновая клетка, армированная стекловолокном (радиальные роликовые подшипники). P = Литой сепаратор из стеклонаполненного полиамида 6,6, центрируемый по телам качения. |
Габаритные размеры
Размеры и геометрические характеристики
Нагрузка и ресурс
Коэффициенты для расчета
Присоединительные размеры
Прочие характеристики
Однорядный цилиндрический роликовый подшипник NU1040 M (AST, SKF)
Подшипник шариковый с четырехточечным контактом QJ 1040 N2MA (SKF)