Главная > Подшипники>NUP2318-E-MA6

NUP2318-E-MA6 — Цилиндрический роликоподшипник, импортное производство по ISO стандарту, размер 90x190x64 номер основного исполнения 2318.
Производитель: NKE.
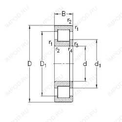
Однорядный цилиндрический роликоподшипник. Наружное кольцо имеет два борта, внутреннее — один борт и одно свободное фланцевое кольцо. Основные размеры по DIN 5412-1, относится к подтипу фиксированные подшипники, разъемные, с сепаратором.
E = d ≤65 мм,два стальных сепаратора оконного типа, внутреннее кольцо без фланца и направляющая по центру внутреннего кольца. MA = массивный латунный сепаратор, центрирование по наружному кольцу.
Цена от:11 504 р.
Цена на подшипник зависит от:
| Обозначение | Модификация |
|---|---|
| 2318 | Основное конструктивное исполнение. |
| 2318K | К = Коническая посадка, конусность 1:12. |
| 2318S | S = смазочный паз и три отверстия в наружном кольце подшипника. |
| 2318KM | K = коническое отверстие, конус 1:12. М = Механически обработанный латунный сепаратор, центрируемый по роликам. |
| 2318 M | M = массивный латунный сепаратор. |
| 2318SK | S = смазочная канавка и три отверстия в наружном кольце подшипника. K = коническое отверстие, конус 1:12. |
| C 2318 | Тороидальные подшипники CARB. |
| C2318K | Тороидальные подшипники CARB. К = Коническая посадка, конусность 1:12. |
| N 2318 | Однорядный цилиндрический роликоподшипник. Внутреннее кольцо подшипника имеет два борта, наружное — без бортов. |
| NH2318 | |
| NU2318 | Однорядный цилиндрический роликоподшипник. Наружное кольцо подшипника имеет два борта, а внутреннее кольцо бортов не имеет. |
| NJ2318 | Однорядный цилиндрический роликоподшипник. Наружное кольцо имеет два борта, наружное — один борт. |
| NJ2318R | Однорядный цилиндрический роликоподшипник. Наружное кольцо имеет два борта, наружное — один борт. R = Наружное кольцо с фланцем . |
| NU2318K | Однорядный цилиндрический роликоподшипник. Наружное кольцо подшипника имеет два борта, а внутреннее кольцо бортов не имеет. К = Коническая посадка, конусность 1:12. |
| NU2318R | Однорядный цилиндрический роликоподшипник. Наружное кольцо подшипника имеет два борта, а внутреннее кольцо бортов не имеет. R = Наружное кольцо с фланцем . |
| NUP 2318 | Однорядный цилиндрический роликоподшипник. Наружное кольцо имеет два борта, внутреннее — один борт и одно свободное фланцевое кольцо. Основные размеры по DIN 5412-1, относится к подтипу фиксированные подшипники, разъемные, с сепаратором. |
| NH2318 E | Е = Увеличенная грузоподъемность. |
| NUP2318R | Однорядный цилиндрический роликоподшипник. Наружное кольцо имеет два борта, внутреннее — один борт и одно свободное фланцевое кольцо. Основные размеры по DIN 5412-1, относится к подтипу фиксированные подшипники, разъемные, с сепаратором. R = Наружное кольцо с фланцем . |
| NJ2318-VH | Однорядный цилиндрический роликоподшипник. Наружное кольцо имеет два борта, наружное — один борт. V = Увеличенная грузоподъемность, внутренняя модификация конструкции. |
| 2318 M.C3 | M = Цельный латунный сепаратор, с шариковой направляющей. C3 = Радиальный внутренний зазор подшипника больше, чем обычно. |
| NJF2318 V | V = Увеличенная грузоподъемность, внутренняя модификация конструкции. |
| NU 2318 E | Однорядный цилиндрический роликоподшипник. Наружное кольцо подшипника имеет два борта, а внутреннее кольцо бортов не имеет. Е = Увеличенная грузоподъемность. |
| NU2318 ET | Однорядный цилиндрический роликоподшипник. Наружное кольцо подшипника имеет два борта, а внутреннее кольцо бортов не имеет. E = Увеличенная грузоподъемность. T = Клетка из армированного стекловолокном полиамида. |
| NJ 2318 E | Однорядный цилиндрический роликоподшипник. Наружное кольцо имеет два борта, наружное — один борт. Е = Увеличенная грузоподъемность. |
| NJ2318 EM | Однорядный цилиндрический роликоподшипник. Наружное кольцо имеет два борта, наружное — один борт. E = Увеличенная грузоподъемность. М = Механически обработанный латунный сепаратор, центрируемый по роликам. |
| NJ2318 MA | Однорядный цилиндрический роликоподшипник. Наружное кольцо имеет два борта, наружное — один борт. MA = Механически обработанный латунный сепаратор, центрируемый по наружному кольцу. |
| NJ2318 ET | Однорядный цилиндрический роликоподшипник. Наружное кольцо имеет два борта, наружное — один борт. E = Увеличенная грузоподъемность. T = Клетка из армированного стекловолокном полиамида. |
| NUP2318 M | Однорядный цилиндрический роликоподшипник. Наружное кольцо имеет два борта, внутреннее — один борт и одно свободное фланцевое кольцо. Основные размеры по DIN 5412-1, относится к подтипу фиксированные подшипники, разъемные, с сепаратором. M = массивный латунный сепаратор. |
| NUP2318 MA | Однорядный цилиндрический роликоподшипник. Наружное кольцо имеет два борта, внутреннее — один борт и одно свободное фланцевое кольцо. Основные размеры по DIN 5412-1, относится к подтипу фиксированные подшипники, разъемные, с сепаратором. MA = Механически обработанный латунный сепаратор, центрируемый по наружному кольцу. |
| NJ2318 EMA | Однорядный цилиндрический роликоподшипник. Наружное кольцо имеет два борта, наружное — один борт. E = d ≤65 мм,два стальных сепаратора оконного типа, внутреннее кольцо без фланца и направляющая по центру внутреннего кольца. MA = массивный латунный сепаратор, центрирование по наружному кольцу. |
| NU2318 ECJ | Однорядный цилиндрический роликоподшипник. Наружное кольцо подшипника имеет два борта, а внутреннее кольцо бортов не имеет. EC = Оптимизированная внутренняя конструкция, включающая больше и / или более крупные ролики и с модифицированным контактом ролика / концевого фланца. J = Прессованная стальная клетка, по центру ролика, не закаленная. |
| NU2318 ECP | Однорядный цилиндрический роликоподшипник. Наружное кольцо подшипника имеет два борта, а внутреннее кольцо бортов не имеет. ЕС = эксцентриковый фиксатор воротника с утопленным внутренним кольцом на одной стороне. |
| NJ2318 ECJ | Однорядный цилиндрический роликоподшипник. Наружное кольцо имеет два борта, наружное — один борт. EC = Оптимизированная внутренняя конструкция, включающая больше и / или более крупные ролики и с модифицированным контактом ролика / концевого фланца. J = Прессованная стальная клетка, по центру ролика, не закаленная. |
| NJ2318 ECP | Однорядный цилиндрический роликоподшипник. Наружное кольцо имеет два борта, наружное — один борт. ЕС = эксцентриковый фиксатор воротника с утопленным внутренним кольцом на одной стороне. |
| NU2318EG15 | Однорядный цилиндрический роликоподшипник. Наружное кольцо подшипника имеет два борта, а внутреннее кольцо бортов не имеет. E = Увеличенная грузоподъемность. G15 = Формованная литьевая клетка из армированного стекловолокном полиамида 6,6, с вращающимся элементом по центру. |
| NUP 2318 E | Однорядный цилиндрический роликоподшипник. Наружное кольцо имеет два борта, внутреннее — один борт и одно свободное фланцевое кольцо. Основные размеры по DIN 5412-1, относится к подтипу фиксированные подшипники, разъемные, с сепаратором. Е = Увеличенная грузоподъемность. |
| NUP2318 ET | Однорядный цилиндрический роликоподшипник. Наружное кольцо имеет два борта, внутреннее — один борт и одно свободное фланцевое кольцо. Основные размеры по DIN 5412-1, относится к подтипу фиксированные подшипники, разъемные, с сепаратором. E = Увеличенная грузоподъемность. T = Клетка из армированного стекловолокном полиамида. |
| NJ2318 E.M1 | Однорядный цилиндрический роликоподшипник. Наружное кольцо имеет два борта, наружное — один борт. E = Увеличенная грузоподъемность. М = Механически обработанный латунный сепаратор, центрируемый по роликам. |
| NJ2318-E-M6 | Однорядный цилиндрический роликоподшипник. Наружное кольцо имеет два борта, наружное — один борт. E = Увеличенная грузоподъемность. М = Механически обработанный латунный сепаратор, центрируемый по роликам. |
| NJ 2318 ECM | Однорядный цилиндрический роликоподшипник. Наружное кольцо имеет два борта, наружное — один борт. EC = Оптимизированная внутренняя конструкция, включающая больше и / или более крупные ролики и с модифицированным контактом ролика / концевого фланца. M = Механически обработанный латунный сепаратор, центрируемый по роликам. |
| NJG 2318 VH | V = Увеличенная грузоподъемность, внутренняя модификация конструкции. |
| 2318 K.M.C3 | M = Цельный латунный сепаратор, с шариковой направляющей. C3 = Радиальный внутренний зазор подшипника больше, чем обычно. |
| UK218+H2318 | H = высокая, узкая каретка для двухрядного шарикоподшипника и направляющей в сборе. |
| UK318+H2318 | H = высокая, узкая каретка для двухрядного шарикоподшипника и направляющей в сборе. |
| UKX18+H2318 | H = высокая, узкая каретка для двухрядного шарикоподшипника и направляющей в сборе. |
| NU2318-E-M6 | Однорядный цилиндрический роликоподшипник. Наружное кольцо подшипника имеет два борта, а внутреннее кольцо бортов не имеет. E = Увеличенная грузоподъемность. М = Механически обработанный латунный сепаратор, центрируемый по роликам. |
| NU2318 E.M1 | Однорядный цилиндрический роликоподшипник. Наружное кольцо подшипника имеет два борта, а внутреннее кольцо бортов не имеет. E = Увеличенная грузоподъемность. М = Механически обработанный латунный сепаратор, центрируемый по роликам. |
| NJ2318-E-MPA | Однорядный цилиндрический роликоподшипник. Наружное кольцо имеет два борта, наружное — один борт. MPA = Механически обработанный латунный сепаратор. |
| NU 2318 ECML | Однорядный цилиндрический роликоподшипник. Наружное кольцо подшипника имеет два борта, а внутреннее кольцо бортов не имеет. EC = Оптимизированная внутренняя конструкция, включающая больше и / или более крупные ролики и с модифицированным контактом ролика / концевого фланца. ML = монолитная латунная клетка оконного типа, центрированная по центру или наружному кольцу. |
| NUP 2318 ECP | Однорядный цилиндрический роликоподшипник. Наружное кольцо имеет два борта, внутреннее — один борт и одно свободное фланцевое кольцо. Основные размеры по DIN 5412-1, относится к подтипу фиксированные подшипники, разъемные, с сепаратором. ЕС = эксцентриковый фиксатор воротника с утопленным внутренним кольцом на одной стороне. |
Габаритные размеры
Размеры и геометрические характеристики
Нагрузка и ресурс
Защита
Присоединительные размеры
Конструкция и исполнение
Подшипник роликовый сферический 22318 (FAG, FBJ, ISB)
Подшипник роликовый радиальный сферический двухрядный с коническим отверстием внутреннего кольца, конусностью 1:12 153618 (ГПЗ-11)
Подшипник роликовый радиальный с короткими цилиндрическими роликами без бортов на внутреннем кольце 32618
Подшипник роликовый радиальный с короткими цилиндрическими роликами с однобортовым внутренним кольцом 42618
Подшипник роликовый радиальный 52618
Подшипник роликовый сферический 22318 CJ.W33 (FAG)