Главная > Подшипники> Роликовые > Радиальные>NUP214-E-MPA

NUP214-E-MPA — Цилиндрический роликоподшипник, импортное производство по ISO стандарту номер основного исполнения 214.
Производитель: NKE.
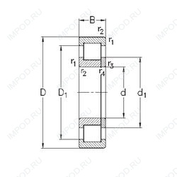
Однорядный цилиндрический роликоподшипник. Наружное кольцо имеет два борта, внутреннее — один борт и одно свободное фланцевое кольцо. Основные размеры по DIN 5412-1, относится к подтипу фиксированные подшипники, разъемные, с сепаратором.
MPA = Механически обработанный латунный сепаратор.
Цена от:2 015 р.
Цена на подшипник зависит от:
| Обозначение | Модификация |
|---|---|
| Q214 | |
| N214 | Однорядный цилиндрический роликоподшипник. Внутреннее кольцо подшипника имеет два борта, наружное — без бортов. |
| B 214 | |
| QJ214 | Шарикоподшипник с четырехточечным контактом. |
| EX214 | |
| NJ214 | Однорядный цилиндрический роликоподшипник. Наружное кольцо имеет два борта, наружное — один борт. |
| NU214 | Однорядный цилиндрический роликоподшипник. Наружное кольцо подшипника имеет два борта, а внутреннее кольцо бортов не имеет. |
| NH214 | |
| NA214 | Игольчатый роликоподшипник с размерами по ISO 15. |
| UC214 | |
| NP 214 | |
| NUP214 | Однорядный цилиндрический роликоподшипник. Наружное кольцо имеет два борта, внутреннее — один борт и одно свободное фланцевое кольцо. Основные размеры по DIN 5412-1, относится к подтипу фиксированные подшипники, разъемные, с сепаратором. |
| NU214T | Однорядный цилиндрический роликоподшипник. Наружное кольцо подшипника имеет два борта, а внутреннее кольцо бортов не имеет. T = Механически обработанный сепаратор из текстолита, центрируемый по телам качения. |
| W214PP | P = Литой сепаратор из стеклонаполненного полиамида 6,6, центрируемый по телам качения. |
| BL 214 | |
| NU214R | Однорядный цилиндрический роликоподшипник. Наружное кольцо подшипника имеет два борта, а внутреннее кольцо бортов не имеет. R = Наружное кольцо с фланцем . |
| N214 E | Однорядный цилиндрический роликоподшипник. Внутреннее кольцо подшипника имеет два борта, наружное — без бортов. Е = Увеличенная грузоподъемность. |
| NF 214 | Внутреннем кольце с двойным фланцем, внешнее с одним. |
| NJ214R | Однорядный цилиндрический роликоподшипник. Наружное кольцо имеет два борта, наружное — один борт. R = Наружное кольцо с фланцем . |
| UC214L3 | L = массивный сепаратор из лёгкого сплава. |
| NJ214EM | Однорядный цилиндрический роликоподшипник. Наружное кольцо имеет два борта, наружное — один борт. E = Увеличенная грузоподъемность. М = Механически обработанный латунный сепаратор, центрируемый по роликам. |
| UC214D1 | D1 = (Смазка сегмента, код W33) = Смазочная канавка и три отверстия в наружном кольце подшипника. Начиная с = D320 Суффикс D1 не используется. |
| QJ214MA | Шарикоподшипник с четырехточечным контактом. MA = Механически обработанный латунный сепаратор, центрируемый по наружному кольцу. |
| NP214 E | Е = Увеличенная грузоподъемность. |
| W214PP2 | PP = Манжетные уплотнения на обеих сторонах подшипника. |
| EX214G2 | G2 = установка с нормальным преднатягом. |
| N214 EM | Однорядный цилиндрический роликоподшипник. Внутреннее кольцо подшипника имеет два борта, наружное — без бортов. E = Увеличенная грузоподъемность. М = Механически обработанный латунный сепаратор, центрируемый по роликам. |
| NUP214R | Однорядный цилиндрический роликоподшипник. Наружное кольцо имеет два борта, внутреннее — один борт и одно свободное фланцевое кольцо. Основные размеры по DIN 5412-1, относится к подтипу фиксированные подшипники, разъемные, с сепаратором. R = Наружное кольцо с фланцем . |
| NF214 E | Внутреннем кольце с двойным фланцем, внешнее с одним. Е = Увеличенная грузоподъемность. |
| RUS214E | Е = Увеличенная грузоподъемность. |
| NH214 E | Е = Увеличенная грузоподъемность. |
| UC214G2 | G2 = установка с нормальным преднатягом. |
| UC214-44 | |
| UC214-43 | |
| UC214-42 | |
| UCS214D1 | D1 = (Смазка сегмента, код W33) = Смазочная канавка и три отверстия в наружном кольце подшипника. Начиная с = D320 Суффикс D1 не используется. |
| UEL214D1 | D1 = (Смазка сегмента, код W33) = Смазочная канавка и три отверстия в наружном кольце подшипника. Начиная с = D320 Суффикс D1 не используется. |
| NU 214 E | Однорядный цилиндрический роликоподшипник. Наружное кольцо подшипника имеет два борта, а внутреннее кольцо бортов не имеет. Е = Увеличенная грузоподъемность. |
| W214PPB2 | B = однокомпонентное ребристое внутреннее кольцо. |
| W214PPB9 | B = однокомпонентное ребристое внутреннее кольцо. |
| BL 214 Z | Металлический экран с одной стороны. |
| EX214-43 | |
| N214EG15 | Однорядный цилиндрический роликоподшипник. Внутреннее кольцо подшипника имеет два борта, наружное — без бортов. E = Увеличенная грузоподъемность. G15 = Формованная литьевая клетка из армированного стекловолокном полиамида 6,6, с вращающимся элементом по центру. |
| EX214-44 | |
| NUP214EM | Однорядный цилиндрический роликоподшипник. Наружное кольцо имеет два борта, внутреннее — один борт и одно свободное фланцевое кольцо. Основные размеры по DIN 5412-1, относится к подтипу фиксированные подшипники, разъемные, с сепаратором. E = Увеличенная грузоподъемность. М = Механически обработанный латунный сепаратор, центрируемый по роликам. |
| GW214PP2 | PP = Манжетные уплотнения на обеих сторонах подшипника. |
| NJ 214 E | Однорядный цилиндрический роликоподшипник. Наружное кольцо имеет два борта, наружное — один борт. Е = Увеличенная грузоподъемность. |
| NA214-44 | Игольчатый роликоподшипник с размерами по ISO 15. |
| NJ214 EMA | Однорядный цилиндрический роликоподшипник. Наружное кольцо имеет два борта, наружное — один борт. E = d ≤65 мм,два стальных сепаратора оконного типа, внутреннее кольцо без фланца и направляющая по центру внутреннего кольца. MA = массивный латунный сепаратор, центрирование по наружному кольцу. |
| NU214 ECJ | Однорядный цилиндрический роликоподшипник. Наружное кольцо подшипника имеет два борта, а внутреннее кольцо бортов не имеет. EC = Оптимизированная внутренняя конструкция, включающая больше и / или более крупные ролики и с модифицированным контактом ролика / концевого фланца. J = Прессованная стальная клетка, по центру ролика, не закаленная. |
Габаритные размеры
Нагрузка и ресурс
Подшипник шариковый упорный 6-38217 (ГПЗ-2)
Подшипник роликовый упорный 889814 (EPK)
Радиальный шарикоподшипник M6214ZZ (KOYO)
Подшипник однорядный шариковый радиальный M6214 (KOYO)
Цилиндрический роликоподшипник NJ2214-E-TVP2 + HJ2214-E (FAG)
Цилиндрический роликоподшипник NJ2214 ET (NSK)