Главная > Подшипники> Роликовые > Радиальные>NUP204E.TVP

NUP204E.TVP — Цилиндрический роликоподшипник, импортное производство по ISO стандарту номер основного исполнения 204.
Производитель: TIMKEN.
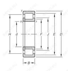
Однорядный цилиндрический роликоподшипник. Наружное кольцо имеет два борта, внутреннее — один борт и одно свободное фланцевое кольцо. Основные размеры по DIN 5412-1, относится к подтипу фиксированные подшипники, разъемные, с сепаратором.
E = Увеличенная грузоподъемность. TVP = (сегментная сепаратор, код P) = сплошная оконная сепаратор из армированного стекловолокном полиамида PA66. Катание на роликах.
Цена от:554 р.
Цена на подшипник зависит от:
| Обозначение | Модификация |
|---|---|
| Q204 | |
| N204 | |
| ER204 | |
| ES204 | |
| EX204 | |
| FD204 | |
| US204 | |
| NA204 | Игольчатый роликоподшипник с размерами по ISO 15. |
| RB204 | |
| SA204 | |
| B 204 | |
| SB204 | |
| N204E | Однорядный цилиндрический роликоподшипник. Внутреннее кольцо подшипника имеет два борта, наружное — без бортов. Е = Увеличенная грузоподъемность. |
| CS204 | |
| UB204 | |
| NH204 | |
| NJ204 | |
| UC204 | |
| NU204 | |
| QJ204 | |
| NJ204R | Однорядный цилиндрический роликоподшипник. Наружное кольцо имеет два борта, наружное — один борт. R = Наружное кольцо с фланцем . |
| NP 204 | |
| W204PP | P = Литой сепаратор из стеклонаполненного полиамида 6,6, центрируемый по телам качения. |
| MUC204 | Подшипник из нержавеющей стали для подшипникового узла из термопласта, внутреннее кольцо вытянуто с обеих сторон, крепится на вал с помощью установочных винтов, уплотнения с обеих сторон. |
| BNT204 | |
| NU204R | Однорядный цилиндрический роликоподшипник. Наружное кольцо подшипника имеет два борта, а внутреннее кольцо бортов не имеет. R = Наружное кольцо с фланцем . |
| SA204F | Механически обработанный сепаратор из стали или чугуна, центрируемый по телам качения. |
| CEX204 | Наружное цилиндрическое кольцо имеет канавку под стопор для фиксации по оси, есть смазочное отверстие, не для применения в корпусах со сферическим посадочным местом подшипника. |
| CES204 | Цилиндрическое наружное кольцо с канавкой под стопорне кольцо для осевой фиксации, без возможности повторного смазывания, не предназначено для использования в стандартных корпусах со сферическим посадочным местом. |
| NF 204 | Внутреннем кольце с двойным фланцем, внешнее с одним. |
| SUC204 | Вкладыш из нержавеющей стали для термопластичного подшипникового узла, внутреннее кольцо расширено с обеих сторон, крепится на вал с помощью винтов, уплотнения с обеих сторон. |
| CUC204 | Цилиндрическая наружняя обойма с канавкой под стопорное кольцо для осевой фиксации, отверстие для смазки не предназначено для использования в стандартных корпусах со сферическим посадочным местом подшипника. |
| CUS204 | Цилиндрическое наружное кольцо с канавкой под стопор для осевой фиксации, без возможности повторной смазки, не для использования в стандартных корпусах со сферическим посадочным отверстием. |
| NUP204 | Однорядный цилиндрический роликоподшипник. Наружное кольцо имеет два борта, внутреннее — один борт и одно свободное фланцевое кольцо. Основные размеры по DIN 5412-1, относится к подтипу фиксированные подшипники, разъемные, с сепаратором. |
| RUS204 | |
| YET 204 | |
| UC204S6 | S = смазочный паз и три отверстия в наружном кольце подшипника. |
| UC204D1 | D1 = (Смазка сегмента, код W33) = Смазочная канавка и три отверстия в наружном кольце подшипника. Начиная с = D320 Суффикс D1 не используется. |
| ES204G2 | G2 = установка с нормальным преднатягом. |
| EX204G2 | G2 = установка с нормальным преднатягом. |
| US204G2 | G2 = установка с нормальным преднатягом. |
| KH204AE | A = внутренняя модификация конструкции. |
| W204KLL | K = LL = (Сегментное уплотнение, код 2RU) = Лабиринтные уплотнения с обеих сторон (уплотнение L-типа - все части уплотнения L-типа покрыты цинком с всех сторон для улучшения защиты от коррозии - без трения уплотнения ). |
| NP204 E | Е = Увеличенная грузоподъемность. |
| BXRE204 | Е = Увеличенная грузоподъемность. |
| ASS204N | N = Канавка под стопорное кольцо в наружном кольце |
| AS204D1 | D1 = (Смазка сегмента, код W33) = Смазочная канавка и три отверстия в наружном кольце подшипника. Начиная с = D320 Суффикс D1 не используется. |
| NUP204R | Однорядный цилиндрический роликоподшипник. Наружное кольцо имеет два борта, внутреннее — один борт и одно свободное фланцевое кольцо. Основные размеры по DIN 5412-1, относится к подтипу фиксированные подшипники, разъемные, с сепаратором. R = Наружное кольцо с фланцем . |
| NF204 E | Внутреннем кольце с двойным фланцем, внешнее с одним. Е = Увеличенная грузоподъемность. |
| NH204 E | Е = Увеличенная грузоподъемность. |
Габаритные размеры
Радиальный шарикоподшипник M6204 (KOYO)
Радиальный шарикоподшипник NC6204 (KOYO)
Радиальный шарикоподшипник NC7204V (KOYO)
Радиальный шарикоподшипник P6204-GB (ZEN)
Радиальный шарикоподшипник P6204-SB (ZEN)
Подшипник для корпуса RAE20-NPP-B (INA, NKE, PFI)