Главная > Цилиндрические>NU2219 E.TVP2.C3

NU2219 E.TVP2.C3 — Однорядный цилиндрический роликовый подшипник, импортное производство по ISO стандарту, размер 90x160x40 номер основного исполнения NU2219.
Производитель: NKE.
Однорядный цилиндрический роликоподшипник. Наружное кольцо подшипника имеет два борта, а внутреннее кольцо бортов не имеет.
E = Увеличенная грузоподъемность. TVP = (сегментная сепаратор, код P) = сплошная оконная сепаратор из армированного стекловолокном полиамида PA66. Катание на роликах.
Цена от:3 740 р.
Цена на подшипник зависит от:
| Обозначение | Модификация |
|---|---|
| NU2219 ECP.C3 | Однорядный цилиндрический роликоподшипник. Наружное кольцо подшипника имеет два борта, а внутреннее кольцо бортов не имеет. EC = Оптимизированная внутренняя конструкция, включающая больше и / или более крупные ролики и с модифицированным роликовым / концевым фланцевым контактом. P = Формованная литьем сепаратор из армированного стекловолокном полиамида 6,6, по центру ролика. C3 = Радиальный внутренний зазор больше, чем обычно. |
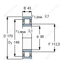
Габаритные размеры
Конструкция и исполнение
Подшипник роликовый сферический 22218 (FBJ, IBC, ISB)
Однорядный цилиндрический роликовый подшипник NJ2218 (FAG, FBJ, ISB, ISO, KOYO)
Однорядный цилиндрический роликовый подшипник NU2218 (FAG, FBJ, ISB, ISO, KOYO)
Однорядный цилиндрический роликовый подшипник NUP2218 (FAG, FBJ, ISB, ISO, KOYO)
Подшипник шариковый двухрядный самоустанавливающийся 2218 (AST, CRAFT, CX, ISB, ISO)