Главная > Подшипники> Шариковые> Упорные>NU 209 ECP

NU 209 ECP — Однорядный цилиндрический роликовый подшипник, импортное производство по ISO стандарту, размер 85x45x19 номер основного исполнения 209.
Производитель: SKF.
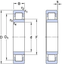
Однорядный цилиндрический роликоподшипник. Наружное кольцо подшипника имеет два борта, а внутреннее кольцо бортов не имеет.
ЕС = эксцентриковый фиксатор воротника с утопленным внутренним кольцом на одной стороне.
Цена от:986 р.
Цена на подшипник зависит от:
| Обозначение | Модификация |
|---|---|
| N209 | Однорядный цилиндрический роликоподшипник. Внутреннее кольцо подшипника имеет два борта, наружное — без бортов. |
| Q209 | |
| UK209 | |
| CS209 | |
| QJ209 | Шарикоподшипник с четырехточечным контактом. |
| N209E | Однорядный цилиндрический роликоподшипник. Внутреннее кольцо подшипника имеет два борта, наружное — без бортов. Е = Увеличенная грузоподъемность. |
| US209 | |
| NA209 | Игольчатый роликоподшипник с размерами по ISO 15. |
| SA209 | |
| NH209 | |
| SB209 | |
| ER209 | |
| 5-209 | |
| EX209 | |
| B 209 | |
| UC209 | |
| ES209 | |
| NJ209 | |
| NU209 | Однорядный цилиндрический роликоподшипник. Наружное кольцо подшипника имеет два борта, а внутреннее кольцо бортов не имеет. |
| FD209 | |
| NP 209 | |
| CEX209 | Наружное цилиндрическое кольцо имеет канавку под стопор для фиксации по оси, есть смазочное отверстие, не для применения в корпусах со сферическим посадочным местом подшипника. |
| CES209 | Цилиндрическое наружное кольцо с канавкой под стопорне кольцо для осевой фиксации, без возможности повторного смазывания, не предназначено для использования в стандартных корпусах со сферическим посадочным местом. |
| NU209R | Однорядный цилиндрический роликоподшипник. Наружное кольцо подшипника имеет два борта, а внутреннее кольцо бортов не имеет. R = Наружное кольцо с фланцем . |
| MUC209 | Подшипник из нержавеющей стали для подшипникового узла из термопласта, внутреннее кольцо вытянуто с обеих сторон, крепится на вал с помощью установочных винтов, уплотнения с обеих сторон. |
| NU209E | Однорядный цилиндрический роликоподшипник. Наружное кольцо подшипника имеет два борта, а внутреннее кольцо бортов не имеет. Е = Увеличенная грузоподъемность. |
| NUP209 | Однорядный цилиндрический роликоподшипник. Наружное кольцо имеет два борта, внутреннее — один борт и одно свободное фланцевое кольцо. Основные размеры по DIN 5412-1, относится к подтипу фиксированные подшипники, разъемные, с сепаратором. |
| CUC209 | Цилиндрическая наружняя обойма с канавкой под стопорное кольцо для осевой фиксации, отверстие для смазки не предназначено для использования в стандартных корпусах со сферическим посадочным местом подшипника. |
| SA209F | Механически обработанный сепаратор из стали или чугуна, центрируемый по телам качения. |
| NF 209 | Внутреннем кольце с двойным фланцем, внешнее с одним. |
| CUS209 | Цилиндрическое наружное кольцо с канавкой под стопор для осевой фиксации, без возможности повторной смазки, не для использования в стандартных корпусах со сферическим посадочным отверстием. |
| NFV209 | |
| BNT209 | |
| W209PP | P = Литой сепаратор из стеклонаполненного полиамида 6,6, центрируемый по телам качения. |
| SUC209 | Вкладыш из нержавеющей стали для термопластичного подшипникового узла, внутреннее кольцо расширено с обеих сторон, крепится на вал с помощью винтов, уплотнения с обеих сторон. |
| QJF209 | |
| BL 209 | |
| NJ209R | Однорядный цилиндрический роликоподшипник. Наружное кольцо имеет два борта, наружное — один борт. R = Наружное кольцо с фланцем . |
| UC209S6 | S = смазочный паз и три отверстия в наружном кольце подшипника. |
| NP209 E | Е = Увеличенная грузоподъемность. |
| NU209EM | Однорядный цилиндрический роликоподшипник. Наружное кольцо подшипника имеет два борта, а внутреннее кольцо бортов не имеет. E = Увеличенная грузоподъемность. М = Механически обработанный латунный сепаратор, центрируемый по роликам. |
| UK209L3 | L = массивный сепаратор из лёгкого сплава. |
| NU209FM | Однорядный цилиндрический роликоподшипник. Наружное кольцо подшипника имеет два борта, а внутреннее кольцо бортов не имеет. F = Механически обработанный сепаратор из стали или чугуна, центрируемый по телам качения. M = Механически обработанный латунный сепаратор, центрируемый по телам качения. |
| UK209+H | H = высокая, узкая каретка для двухрядного шарикоподшипника и направляющей в сборе. |
| BXRE209 | Е = Увеличенная грузоподъемность. |
| NU209EG | Однорядный цилиндрический роликоподшипник. Наружное кольцо подшипника имеет два борта, а внутреннее кольцо бортов не имеет. G = Однорядный радиально-упорный шарикоподшипник для универсального парного монтажа. Два подшипника, установленные по 0-образной или Х-образной схеме, будут иметь определенный осевой зазор в домонтажном состоянии. |
| N209ECP | Однорядный цилиндрический роликоподшипник. Внутреннее кольцо подшипника имеет два борта, наружное — без бортов. ЕС = эксцентриковый фиксатор воротника с утопленным внутренним кольцом на одной стороне. |
| US209G2 | G2 = установка с нормальным преднатягом. |
| NF209 E | Внутреннем кольце с двойным фланцем, внешнее с одним. Е = Увеличенная грузоподъемность. |
| NH209 E | Е = Увеличенная грузоподъемность. |
Габаритные размеры
Размеры и геометрические характеристики
Нагрузка и ресурс
Коэффициенты для расчета
Присоединительные размеры
Прочие характеристики
Подшипник однорядный шариковый радиальный 6209-2RS1 (SKF)
Подшипник однорядный шариковый радиальный 6209Z (CYSD, ISB, KOYO, NKE, SKF)
однорядный радиальный шарикоподшипник для высоких температур 6209-2Z/VA201 (SKF)
Подшипник однорядный шариковый радиальный 6209-RS1 (SKF)
Однорядный гибридный радиальный шарикоподшипник 6209-2RZTN9/HC5C3WT (SKF)
Подшипник шариковый радиальный однорядный E2.6209-2Z (SKF)