Главная > Цилиндрические>NJ322 E.M1A.C3

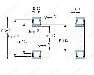
NJ322 E.M1A.C3 — Однорядный цилиндрический роликовый подшипник, импортное производство по ISO стандарту, размер 110x240x50 номер основного исполнения 322.
Производитель: FAG.
Однорядный цилиндрический роликоподшипник. Наружное кольцо имеет два борта, наружное — один борт.
МА1 = Цельный латунный сепаратор, состоящая из двух частей, с ребристым наружным кольцом. C3 = Радиальный внутренний зазор больше, чем обычно.
Цена от:15 568 р.
Цена на подшипник зависит от:
| Обозначение | Модификация |
|---|---|
| Q322 | |
| N322 | Однорядный цилиндрический роликоподшипник. Внутреннее кольцо подшипника имеет два борта, наружное — без бортов. |
| 6-322 | |
| UC322 | |
| NJ322 | Однорядный цилиндрический роликоподшипник. Наружное кольцо имеет два борта, наружное — один борт. |
| UK322 | |
| QJ322 | Шарикоподшипник с четырехточечным контактом. |
| NU322 | Однорядный цилиндрический роликоподшипник. Наружное кольцо подшипника имеет два борта, а внутреннее кольцо бортов не имеет. |
| NH322 | |
| NJ322R | Однорядный цилиндрический роликоподшипник. Наружное кольцо имеет два борта, наружное — один борт. R = Наружное кольцо с фланцем . |
| NP 322 | |
| NU322R | Однорядный цилиндрический роликоподшипник. Наружное кольцо подшипника имеет два борта, а внутреннее кольцо бортов не имеет. R = Наружное кольцо с фланцем . |
| N322 E | Однорядный цилиндрический роликоподшипник. Внутреннее кольцо подшипника имеет два борта, наружное — без бортов. Е = Увеличенная грузоподъемность. |
| N322EM | Однорядный цилиндрический роликоподшипник. Внутреннее кольцо подшипника имеет два борта, наружное — без бортов. E = Увеличенная грузоподъемность. М = Механически обработанный латунный сепаратор, центрируемый по роликам. |
| N322 M | Однорядный цилиндрический роликоподшипник. Внутреннее кольцо подшипника имеет два борта, наружное — без бортов. M = массивный латунный сепаратор. |
| NF 322 | Внутреннем кольце с двойным фланцем, внешнее с одним. |
| NUP322 | Однорядный цилиндрический роликоподшипник. Наружное кольцо имеет два борта, внутреннее — один борт и одно свободное фланцевое кольцо. Основные размеры по DIN 5412-1, относится к подтипу фиксированные подшипники, разъемные, с сепаратором. |
| NJ322EM | Однорядный цилиндрический роликоподшипник. Наружное кольцо имеет два борта, наружное — один борт. E = Увеличенная грузоподъемность. М = Механически обработанный латунный сепаратор, центрируемый по роликам. |
| UC322D1 | D1 = (Смазка сегмента, код W33) = Смазочная канавка и три отверстия в наружном кольце подшипника. Начиная с = D320 Суффикс D1 не используется. |
| NP322 E | Е = Увеличенная грузоподъемность. |
| UC322G2 | G2 = установка с нормальным преднатягом. |
| UC322L3 | L = массивный сепаратор из лёгкого сплава. |
| UK322+H | H = высокая, узкая каретка для двухрядного шарикоподшипника и направляющей в сборе. |
| UK322D1 | D1 = (Смазка сегмента, код W33) = Смазочная канавка и три отверстия в наружном кольце подшипника. Начиная с = D320 Суффикс D1 не используется. |
| UK322L3 | L = массивный сепаратор из лёгкого сплава. |
| NUP322R | Однорядный цилиндрический роликоподшипник. Наружное кольцо имеет два борта, внутреннее — один борт и одно свободное фланцевое кольцо. Основные размеры по DIN 5412-1, относится к подтипу фиксированные подшипники, разъемные, с сепаратором. R = Наружное кольцо с фланцем . |
| NUPU322 | |
| NF322 E | Внутреннем кольце с двойным фланцем, внешнее с одним. Е = Увеличенная грузоподъемность. |
| NH322 E | Е = Увеличенная грузоподъемность. |
| NU 322 M | Однорядный цилиндрический роликоподшипник. Наружное кольцо подшипника имеет два борта, а внутреннее кольцо бортов не имеет. M = массивный латунный сепаратор. |
| NU 322 W | Однорядный цилиндрический роликоподшипник. Наружное кольцо подшипника имеет два борта, а внутреннее кольцо бортов не имеет. W = Без кольцевой канавки и смазочных отверстий в наружном кольце. |
| NU 322 E | Однорядный цилиндрический роликоподшипник. Наружное кольцо подшипника имеет два борта, а внутреннее кольцо бортов не имеет. Е = Увеличенная грузоподъемность. |
| UCS322D1 | D1 = (Смазка сегмента, код W33) = Смазочная канавка и три отверстия в наружном кольце подшипника. Начиная с = D320 Суффикс D1 не используется. |
| UEL322D1 | D1 = (Смазка сегмента, код W33) = Смазочная канавка и три отверстия в наружном кольце подшипника. Начиная с = D320 Суффикс D1 не используется. |
| UK322G2H | G2 = установка с нормальным преднатягом. |
| N322 ECP | Однорядный цилиндрический роликоподшипник. Внутреннее кольцо подшипника имеет два борта, наружное — без бортов. ЕС = эксцентриковый фиксатор воротника с утопленным внутренним кольцом на одной стороне. |
| NUP322EM | Однорядный цилиндрический роликоподшипник. Наружное кольцо имеет два борта, внутреннее — один борт и одно свободное фланцевое кольцо. Основные размеры по DIN 5412-1, относится к подтипу фиксированные подшипники, разъемные, с сепаратором. E = Увеличенная грузоподъемность. М = Механически обработанный латунный сепаратор, центрируемый по роликам. |
| NJ 322 E | Однорядный цилиндрический роликоподшипник. Наружное кольцо имеет два борта, наружное — один борт. Е = Увеличенная грузоподъемность. |
| N 322 ECM | Однорядный цилиндрический роликоподшипник. Внутреннее кольцо подшипника имеет два борта, наружное — без бортов. EC = Оптимизированная внутренняя конструкция, включающая больше и / или более крупные ролики и с модифицированным контактом ролика / концевого фланца. M = Механически обработанный латунный сепаратор, центрируемый по роликам. |
| NJ322EG15 | Однорядный цилиндрический роликоподшипник. Наружное кольцо имеет два борта, наружное — один борт. E = Увеличенная грузоподъемность. G15 = Формованная литьевая клетка из армированного стекловолокном полиамида 6,6, с вращающимся элементом по центру. |
| NU322 ECJ | Однорядный цилиндрический роликоподшипник. Наружное кольцо подшипника имеет два борта, а внутреннее кольцо бортов не имеет. EC = Оптимизированная внутренняя конструкция, включающая больше и / или более крупные ролики и с модифицированным контактом ролика / концевого фланца. J = Прессованная стальная клетка, по центру ролика, не закаленная. |
| NU322 ECM | Однорядный цилиндрический роликоподшипник. Наружное кольцо подшипника имеет два борта, а внутреннее кольцо бортов не имеет. EC = Оптимизированная внутренняя конструкция, включающая больше и / или более крупные ролики и с модифицированным контактом ролика / концевого фланца. M = Механически обработанный латунный сепаратор, центрируемый по роликам. |
| NU322 ECP | Однорядный цилиндрический роликоподшипник. Наружное кольцо подшипника имеет два борта, а внутреннее кольцо бортов не имеет. ЕС = эксцентриковый фиксатор воротника с утопленным внутренним кольцом на одной стороне. |
| QJ 322 N2 | Шарикоподшипник с четырехточечным контактом. N2 = Два установочных паза (выемки) на расстоянии 180 градусов в одной боковой поверхности наружного кольца или шайбе корпуса. |
| QJ322N2MA | Шарикоподшипник с четырехточечным контактом. MA = Механически обработанный латунный сепаратор, центрируемый по наружному кольцу. |
| NU 322 EM | Однорядный цилиндрический роликоподшипник. Наружное кольцо подшипника имеет два борта, а внутреннее кольцо бортов не имеет. E = Увеличенная грузоподъемность. М = Механически обработанный латунный сепаратор, центрируемый по роликам. |
| NU 322 MA | Однорядный цилиндрический роликоподшипник. Наружное кольцо подшипника имеет два борта, а внутреннее кольцо бортов не имеет. MA = Механически обработанный латунный сепаратор, центрируемый по наружному кольцу. |
| N322 E.M1 | Однорядный цилиндрический роликоподшипник. Внутреннее кольцо подшипника имеет два борта, наружное — без бортов. E = Увеличенная грузоподъемность. М = Механически обработанный латунный сепаратор, центрируемый по роликам. |
| NUP 322 M | Однорядный цилиндрический роликоподшипник. Наружное кольцо имеет два борта, внутреннее — один борт и одно свободное фланцевое кольцо. Основные размеры по DIN 5412-1, относится к подтипу фиксированные подшипники, разъемные, с сепаратором. M = массивный латунный сепаратор. |
| NU322EG15 | Однорядный цилиндрический роликоподшипник. Наружное кольцо подшипника имеет два борта, а внутреннее кольцо бортов не имеет. E = Увеличенная грузоподъемность. G15 = Формованная литьевая клетка из армированного стекловолокном полиамида 6,6, с вращающимся элементом по центру. |
Габаритные размеры
Конструкция и исполнение
Подшипник шариковый однорядный радиально-упорный 7322 (CYSD, FAG, KOYO, NACHI, NTN)
Подшипник роликовый сферический 21322 (NSK, NTN)
Подшипник роликовый радиально-упорный 32322 (ГПЗ-1)
Подшипник шариковый двухрядный самоустанавливающийся 1322 (CX, FAG, ISO, KOYO, NACHI)
Подшипник шариковый радиальный сферический двухрядный с коническим отверстием внутреннего кольца 111322
Подшипник шариковый радиально-упорный однорядный неразъемный со скосом на наружном кольце 66322