Главная > Цилиндрические>NJ2206 ECP.C3

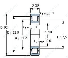
NJ2206 ECP.C3 — Однорядный цилиндрический роликовый подшипник, импортное производство по ISO стандарту, размер 30x62x20 номер основного исполнения 2206.
Производитель: FAG.
Однорядный цилиндрический роликоподшипник. Наружное кольцо имеет два борта, наружное — один борт.
EC = Оптимизированная внутренняя конструкция, включающая больше и / или более крупные ролики и с модифицированным роликовым / концевым фланцевым контактом. P = Формованная литьем сепаратор из армированного стекловолокном полиамида 6,6, по центру ролика. C3 = Радиальный внутренний зазор больше, чем обычно.
Цена от:1 116 р.
Цена на подшипник зависит от:
| Обозначение | Модификация |
|---|---|
| 2206 | Основное конструктивное исполнение. |
| S2206 | |
| 2206S | S = смазочный паз и три отверстия в наружном кольце подшипника. |
| N 2206 | Однорядный цилиндрический роликоподшипник. Внутреннее кольцо подшипника имеет два борта, наружное — без бортов. |
| N2206E | Однорядный цилиндрический роликоподшипник. Внутреннее кольцо подшипника имеет два борта, наружное — без бортов. Е = Увеличенная грузоподъемность. |
| NH2206 | |
| NJ2206 | Однорядный цилиндрический роликоподшипник. Наружное кольцо имеет два борта, наружное — один борт. |
| NU2206 | |
| NA2206 | |
| 2206-K | К = Коническая посадка, конусность 1:12. |
| 2206SK | S = смазочная канавка и три отверстия в наружном кольце подшипника. K = коническое отверстие, конус 1:12. |
| NFV2206 | |
| NUP2206 | Однорядный цилиндрический роликоподшипник. Наружное кольцо имеет два борта, внутреннее — один борт и одно свободное фланцевое кольцо. Основные размеры по DIN 5412-1, относится к подтипу фиксированные подшипники, разъемные, с сепаратором. |
| NJ2206E | Однорядный цилиндрический роликоподшипник. Наружное кольцо имеет два борта, наружное — один борт. Е = Увеличенная грузоподъемность. |
| NJ2206R | Однорядный цилиндрический роликоподшипник. Наружное кольцо имеет два борта, наружное — один борт. R = Наружное кольцо с фланцем . |
| NU2206R | Однорядный цилиндрический роликоподшипник. Наружное кольцо подшипника имеет два борта, а внутреннее кольцо бортов не имеет. R = Наружное кольцо с фланцем . |
| NU2206E | Однорядный цилиндрический роликоподшипник. Наружное кольцо подшипника имеет два борта, а внутреннее кольцо бортов не имеет. Е = Увеличенная грузоподъемность. |
| NU2206EM | Однорядный цилиндрический роликоподшипник. Наружное кольцо подшипника имеет два борта, а внутреннее кольцо бортов не имеет. E = Увеличенная грузоподъемность. М = Механически обработанный латунный сепаратор, центрируемый по роликам. |
| C 2206 V | Тороидальные подшипники CARB. V = Увеличенная грузоподъемность, внутренняя модификация конструкции. |
| 2206 TVH | TV = Твердая клетка из армированного стекловолокном полиамида, шариковая езда. |
| C2206TN9 | Тороидальные подшипники CARB. TN = Полиамидная клетка. |
| NUP2206E | Однорядный цилиндрический роликоподшипник. Наружное кольцо имеет два борта, внутреннее — один борт и одно свободное фланцевое кольцо. Основные размеры по DIN 5412-1, относится к подтипу фиксированные подшипники, разъемные, с сепаратором. Е = Увеличенная грузоподъемность. |
| NH2206 E | Е = Увеличенная грузоподъемность. |
| 2206 TN9 | TN = Полиамидная клетка. |
| NUP2206R | Однорядный цилиндрический роликоподшипник. Наружное кольцо имеет два борта, внутреннее — один борт и одно свободное фланцевое кольцо. Основные размеры по DIN 5412-1, относится к подтипу фиксированные подшипники, разъемные, с сепаратором. R = Наружное кольцо с фланцем . |
| 2206-2RS | Резиновые уплотнения с каждой стороны подшипника. |
| RUS2206E | Е = Увеличенная грузоподъемность. |
| NJ2206EG | Однорядный цилиндрический роликоподшипник. Наружное кольцо имеет два борта, наружное — один борт. G = Однорядный радиально-упорный шарикоподшипник для универсального парного монтажа. Два подшипника, установленные по 0-образной или Х-образной схеме, будут иметь определенный осевой зазор в домонтажном состоянии. |
| 2206ETN9 | E = Оптимизированный внутренний дизайн. TN9 = литая защелкивающаяся клетка из полиамида 6,6, армированного стекловолокном, с шариковой центрировкой. |
| NU2206EG | Однорядный цилиндрический роликоподшипник. Наружное кольцо подшипника имеет два борта, а внутреннее кольцо бортов не имеет. G = Однорядный радиально-упорный шарикоподшипник для универсального парного монтажа. Два подшипника, установленные по 0-образной или Х-образной схеме, будут иметь определенный осевой зазор в домонтажном состоянии. |
| S2206-2RS | Резиновые уплотнения с каждой стороны подшипника. |
| C 2206 KV | Тороидальные подшипники CARB. К = Коническая посадка, конусность 1:12. |
| NUP2206EG | Однорядный цилиндрический роликоподшипник. Наружное кольцо имеет два борта, внутреннее — один борт и одно свободное фланцевое кольцо. Основные размеры по DIN 5412-1, относится к подтипу фиксированные подшипники, разъемные, с сепаратором. G = Однорядный радиально-упорный шарикоподшипник для универсального парного монтажа. Два подшипника, установленные по 0-образной или Х-образной схеме, будут иметь определенный осевой зазор в домонтажном состоянии. |
| C2206KTN9 | Тороидальные подшипники CARB. K = коническое отверстие, конус 1:12. T = Литая защелкивающаяся сепаратор из армированного стекловолокном полиамида. |
| NCF2206 V | Однорядный бессепараторный цилиндрический роликоподшипник. Два борта на внутреннем кольце и один борт на наружном. V = Увеличенная грузоподъемность, внутренняя модификация конструкции. |
| 2206 KTN9 | K = коническое отверстие, конус 1:12. T = Литая защелкивающаяся сепаратор из армированного стекловолокном полиамида. |
| NJ2206 EN | Однорядный цилиндрический роликоподшипник. Наружное кольцо имеет два борта, наружное — один борт. Е = Увеличенная грузоподъемность. |
| NA2206XLL | Игольчатый роликоподшипник с размерами по ISO 15. LL (Сегментное уплотнение, код 2RU) = Лабиринтные уплотнения на обеих сторонах (Уплотнение L = типа = все части уплотнения L = типа покрыты цинком на всех сторонах для улучшения защиты от коррозии = без трения уплотнения). |
| NJ2206 ET | Однорядный цилиндрический роликоподшипник. Наружное кольцо имеет два борта, наружное — один борт. E = Увеличенная грузоподъемность. T = Клетка из армированного стекловолокном полиамида. |
| 2206 2RSK | Резиновые уплотнения с каждой стороны подшипника. |
| 2206EEG15 | E = Увеличенная грузоподъемность. G15 = Формованная литьевая клетка из армированного стекловолокном полиамида 6,6, с вращающимся элементом по центру. |
| NU2206 ET | Однорядный цилиндрический роликоподшипник. Наружное кольцо подшипника имеет два борта, а внутреннее кольцо бортов не имеет. E = Увеличенная грузоподъемность. T = Клетка из армированного стекловолокном полиамида. |
| 2206EKTN9 | E = Увеличенная грузоподъемность. K = коническое отверстие, конус 1:12. TN9 = литая защелкивающаяся клетка из полиамида 6,6, армированного стекловолокном, с шариковой центрировкой. |
| NA2206 2RS | Игольчатый роликоподшипник с размерами по ISO 15. Резиновые уплотнения с каждой стороны подшипника. |
| NUP2206 ET | Однорядный цилиндрический роликоподшипник. Наружное кольцо имеет два борта, внутреннее — один борт и одно свободное фланцевое кольцо. Основные размеры по DIN 5412-1, относится к подтипу фиксированные подшипники, разъемные, с сепаратором. E = Увеличенная грузоподъемность. T = Клетка из армированного стекловолокном полиамида. |
| NJ2206 EM6 | Однорядный цилиндрический роликоподшипник. Наружное кольцо имеет два борта, наружное — один борт. E = Увеличенная грузоподъемность. М = Механически обработанный латунный сепаратор, центрируемый по роликам. |
| 2206-K-2RS | Резиновые уплотнения с каждой стороны подшипника. |
| RNA2206XLL | LL (Сегментное уплотнение, код 2RU) = Лабиринтные уплотнения на обеих сторонах (Уплотнение L = типа = все части уплотнения L = типа покрыты цинком на всех сторонах для улучшения защиты от коррозии = без трения уплотнения). |
| NJ2206 EMA | Однорядный цилиндрический роликоподшипник. Наружное кольцо имеет два борта, наружное — один борт. E = d ≤65 мм,два стальных сепаратора оконного типа, внутреннее кольцо без фланца и направляющая по центру внутреннего кольца. MA = массивный латунный сепаратор, центрирование по наружному кольцу. |
| NJ2206 ETN | Однорядный цилиндрический роликоподшипник. Наружное кольцо имеет два борта, наружное — один борт. E = элемент качения, улучшенный по отношению к стандартному элементу качения. TN = (Сегментная сепаратор, код P) = Формованная литьевая сепаратор с защелкой из полиамида, сфокусированная на шарике. |
| Техника | Модель | Агрегат |
|---|---|---|
| Трактор | ДТ-75МВ с двигателем А-41 | Двигатель/вал коленчатый двигателя пускового ПД-10М и ПД-10У. опоры средняя и задняя |
| Трактор | ДТ-75МВ | Двигатель/вал коленчатый двигателя пускового ПД-10М и ПД-10У. опоры средняя и задняя |
| Трактор | ДТ-75 с двигателем СМД-14Г | Двигатель/вал коленчатый двигателя пускового ПД-10М и ПД-10У. опоры средняя и задняя |
| Трактор | ДТ-75 | Двигатель/вал коленчатый двигателя пускового ПД-10М и ПД-10У. опоры средняя и задняя |
| Трактор | МТЗ-2 | Двигатель/вал коленчатый двигателя пускового ПД-10М и ПД-10У. опоры средняя и задняя |
| Трактор | МТЗ-5К | Двигатель/вал коленчатый двигателя пускового ПД-10М и ПД-10У. опоры средняя и задняя |
| Трактор | МТЗ-5ЛС | Двигатель/вал коленчатый двигателя пускового ПД-10М и ПД-10У. опоры средняя и задняя |
| Трактор | МТЗ-5Л | Двигатель/вал коленчатый двигателя пускового ПД-10М и ПД-10У. опоры средняя и задняя |
| Трактор | МТЗ-5 | Двигатель/вал коленчатый двигателя пускового ПД-10М и ПД-10У. опоры средняя и задняя |
| Трактор | МТЗ-50Л | Двигатель/вал коленчатый двигателя пускового ПД-10М и ПД-10У. опоры средняя и задняя |
| Трактор | МТЗ-50ПЛ | Двигатель/вал коленчатый двигателя пускового ПД-10М и ПД-10У. опоры средняя и задняя |
| Трактор | МТЗ-52Л | Двигатель/вал коленчатый двигателя пускового ПД-10М и ПД-10У. опоры средняя и задняя |
| Трактор | Т-75МВ с двигателем А-41 | Двигатель/вал коленчатый двигателя пускового ПД-10М и ПД-10У. опоры средняя и задняя |
| Трактор | Т-75 с двигателем СМД-14Г | Двигатель/вал коленчатый двигателя пускового ПД-10М и ПД-10У. опоры средняя и задняя |
| Трактор | Т-75 | Двигатель/вал коленчатый двигателя пускового ПД-10М и ПД-10У. опоры средняя и задняя |
| Трактор | Т-151К с двигателем СМД-62-63 | Коленчатый вал пускового двигателя |
Габаритные размеры
Конструкция и исполнение
Подшипник роликовый сферический 22206 (FBJ, ISB, NSK)
Подшипник однорядный шариковый радиальный 62206 (FAG, Fersa, NIS)
Подшипник шариковый радиальный двухрядный 4206 (NKE)
Подшипник шариковый радиальный однорядный с двухсторонним уплотнением 180506
Подшипник шариковый радиальный однорядный с односторонним уплотнением 160506
Подшипник роликовый сферический 22206 CE4C3 (NSK)